מכלול מנוע מרוצים המסופק מוכן להרכבה SE120R SCREAMIN' EAGLE PRO
J054832014-07-16
כללי
מספר ערכה
19289-12
דגמים
למידע אודות התאמת דגם עיין בסעיף P & A בקטלוג הקמעונאי או בפרק על חלקים ואביזרים של www.harley-davidson.com (אנגלית בלבד).
התראה
לצורך התקנה של ערכה זו ופעולה תקינה שלה נדרשים שינויים או כיול מחדש של הנחירים . הימנעות מלעשות זאת עלולה לגרום לדילול הדלק, אשר עלול לגרום נזק מנוע. (00623b)
הערה
מנוע זה מיועד לשימוש אך ורק למרוצים! הסר את תווית פליטת המזהמים ולוחית הרישוי מהשלדה המקורית מהמפעל.
מנוע זה הורכב עם תותב מרווח לגל גלגל השרשרת של Dyna (מס' חלק 24038-03).
תכולת הערכה
ראה איור 7 עד איור 13 וכן טבלה 11 עד טבלה 17 .
דרישות התקנה
  • שמן מנוע סינתטי מומלץ, ‎Screamin' Eagle SYN3 ® 20W50 (מס' חלק 99824-03/00QT).
  • בדגמי Touring נדרשת החלפה של תותב המרווח לגל גלגל השרשרת בחלק שמספרו 24008-03 עבור דגמים מהשנים 2002-2005 או בחלק שמספרו 24009-06 עבור דגמים משנת 2006.
  • ראשי המנוע בערכה זו עובדו בעיבוד שבבי לשימוש עם אוגני יניקה סימטריים (ציוד מקורי מאז 2006). בדגמים מהשנים 1999-2005 נדרשת רכישה נפרדת של 2 אוגני אטימת יניקה סימטריים (מס' חלק 26993-06).
  • יש להתקין משחררי דחיסה. עיין בקטלוג של Screamin' Eagle Pro או פנה לסוכן Harley-Davidson.
  • ערכת מצמד התומכת במומנט מינימלי של 190 N·m (140 ft-lbs) . Harley-Davidson ממליצה להתקין מצמד לחץ של Screamin' Eagle (מס' חלק 37000121) וקפיץ דיאפרגמה (מס' חלק 37951-98). ביישומים למרוצי דראג משתמשים בערכת מצמד (מס' חלק 37976-08A).
  • מזרקי דלק בספיקה גבוהה, מסנן אוויר ובית מצערת לדגמי SE. עיינו בקטלוג של Screamin' Eagle Pro או פנו לסוכן Harley-Davidson.
  • ערכת אטמי פליטה לדגמי SE (מס' חלק 17048-98).
  • מומלץ להשתמש במצנן שמן. עיין בקטלוג הקמעונאי לחלקים ואביזרים או באזור על חלקים ואביזרים באתר www.harley-davidson.com.
  • דגמים המצוידים בהזרקת דלק אלקטרונית (EFI): SE Pro Super Tuner - עיין בקטלוג של Screamin' Eagle Pro או פנה לסוכן Harley-Davidson.
  • עיין בסעיפים המתאימים במדריך השירות עבור כלים מיוחדים הדרושים להתקנת ערכה זו.
אזהרה
הבטיחות של הרוכב והנוסע תלויה בהתקנה נכונה של הערכה הזאת. השתמש בהליכי הטיפול המתאימים שבמדריך. אם אינך מסוגל לבצע את הנוהל או אם אין לך הכלים הנכונים, בצע את ההתקנה בסוכנות Harley-Davidson. התקנה לא נאותה של הערכה הזאת עלולה לגרום למוות או פגיעה חמורה. (00333b)
הערה
גיליון הנחיות זה מתייחס למידע במדריך השירות. נדרש מדריך טיפולים לאופנוע מהדגם שלך על מנת לבצע התקנה זו. ניתן לקבל מדריך זה בסוכנויות Harley-Davidson.
הכנה
הערה
עבור כלי רכב המצוידים בסירנת אבטחה:
  • ודא שמכשיר האבטחה FOB דיבורית נמצא.
  • כאשר מכשיר האבטחה FOB נמצא, סובב את מתג ההצתה למצב ON.
דגמים המצוידים בהזרקת דלק אלקטרונית (EFI):
אזהרה
כדי למנוע נתזי דלק, נקז אוויר ממערכת הדלק בלחץ גבוה לפני ניתוק צינור ההספקה. בנזין הוא חומר דליק ונפיץ מאוד, העלול לגרום למוות או פגיעה חמורה. (00275a)
נקה ונתק את צינור אספקת הדלק.
בכל כלי הרכב:
אזהרה
כדי למנוע התנעה בשוגג של הרכב העלולה לגרום למוות או פציעה חמורה, נתק תחילה את כבל המצבר השלילי (-) לפני שתמשיך. (00307a)
אזהרה
נתק תחילה את כבל הסוללה השלילי (-). אם הכבל החיובי (+) נוגע בהארקה כאשר הכבל השלילי (-) מחובר, עלולים להיווצר ניצוצות אשר יגרמו להתפוצצות המצבר, וכתוצאה מכך לגרום למוות או פגיעה חמורה. (00049a)
  1. עיין במדריך הטיפולים למידע על אופן ההסרה של המושב. עיין במדריך הטיפולים למידע על אופן ניתוק כבלי המצבר, והתחל בכבל השלילי. שמור את כל אביזרי ההרכבה של המושב.
בדגמים עם מאייד:
אזהרה
בנזין עלול לנזול מצינור הדלק למאייד כאשר מנתקים אותו ממתאם שסתום הדלק. בנזין הוא חומר דליק ונפיץ מאוד, העלול לגרום למוות או פגיעה חמורה. נגב דלק שנשפך מיד והשלך את המטליות בצורה מתאימה. (00256a)
  1. העבר את שסתום אספקת הדלק למצב OFF. הסר את צינור הדלק מהשסתום.
הסרה
הסרת המנוע המקורי
1. הרם את האופנוע.
אזהרה
בעת הטיפול במערכת הדלק, אסור לעשן או לאפשר הימצאות להבה פתוחה או ניצוצות בסביבה. בנזין הוא חומר דליק ונפיץ מאוד, העלול לגרום למוות או פגיעה חמורה. (00330a)
2. הסר את מיכל הדלק בהתאם להוראות במדריך הטיפולים.
3. עיין בפרק "מנוע" במדריך הטיפולים המתאים למידע על הסרת המנוע מהשלדה.
התקנת מנוע SE120R
  1. לפני התקנת המנוע, ודאו כי אין פסולת או מזהמים במערכת השימון. עיין במדריך הטיפולים למידע על ריקון מלא של מיכל השמן. היעזר בסוכן מורשה או בטכנאי מוסמך לביצוע הריקון המלא של המיכל.
  2. הוצא את פקקי/מכסי מעבר השמן באזור ההשקה של המנוע ותיבת ההילוכים.
  3. עיין בפרק "מנוע" במדריך הטיפולים המתאים למידע על התקנת המנוע על השלדה.
  4. בדגמי Touring: הסר את תותב המרווח של גל גלגל השרשרת והחלף בתותב מרווח מתאים כמתואר בפרק "חלקים נוספים דרושים".
הרכבה סופית
1. התקן את מיכל הדלק בהתאם להוראות במדריך הטיפולים.
2. התקן את המושב בהתאם להוראות במדריך הטיפולים.
אזהרה
לאחר התקנת מושב, משוך את המושב כלפי מעלה כדי לוודא שהמושב נעול במקומו. תוך כדי רכיבה, מושב משוחרר עלול לזוז ולגרום לאובדן שליטה, וכתוצאה מכך לגרום למוות או פציעה חמורה. (00070b)
התראה
יש לכייל מחדש את ה-ECM בעת התקנת ערכה זו. כיול לא נכון של ה-ECM עלול לגרום נזק חמור למנוע. (00399b)
3. הורידו את כיול ECM החדש בעת התקנת ערכה זו. עיינו בקטלוג של Screamin' Eagle Pro או פנו לסוכן Harley-Davidson.
4. התחילו והפעילו את המנוע. חזור מספר פעמים כדי לוודא פעולה תקינה.
פעולה
  1. עיין בנושא "כללי רכיבה בעת הרצה" במדריך למשתמש למידע על הרצת המנוע החדש.
תחזוקה
  1. עיין בנושא "תכנית התחזוקה" במדריך הטיפולים או במדריך למשתמש.
  2. עיין בפרק "מנוע" במדריך הטיפולים למידע על אופן ההרכבה והפירוק.
מפרטי מנוע SE120R
הערה
הסעיפים הבאים מספקים מידע ייחודי שאינו זמין בפרק "מנוע" במדריך הטיפולים עבור מנועי אלפא מפלטפורמות Touring או Dyna בעלי גל זיזים כפול מסוג Twin Cam96 .
טבלה 1. מנוע: SE 120R עם גל זיזים כפול
פריט
מפרט
יחס דחיסה
10.5:1
קדח
4.060 אינץ'
103.12 מ"מ
מהלך
4.625 אינץ'
117.48 מ"מ
נפח
119.75 אינץ‘ מעוקב
1962.39 סמ“ק
מערכת סיכה
עוקה יבשה בלחץ
עם מצנן שמן
סבולת ייצור
עיין במפרטים של גל זיזים כפול מסוג Twin-Cam 96 במדריך הטיפולים לקבלת מידע על כל מפרט שאינו מוצג בטבלאות הבאות.
טבלה 2. ראשי צילינדר
פריט
אינץ'
מ“מ
מוביל שסתום בראש (מצב הדוק)
0.0020-0.0033
0.051-0.084
תושבת שסתום יניקה בראש (מצב הדוק)
0.004-0.0055
0.102-0.140
תושבת שסתום פליטה בראש (מצב הדוק)
0.004-0.0055
0.102-0.140
טבלה 3. שסתומים
פריט
אינץ'
מ“מ
התאמה במוביל (יניקה ופליטה)
0.0011-0.0029
0.028-0.074
רוחב תושבת
0.034-0.062
0.86-1.57
מידת הבליטה של הקנה מקדח ראש המנוע
1.990-2.024
50.55-51.41
טבלה 4. מפרטי קפיצי השסתום
פריט
לחץ
מידות
סגור
180 פאונד (79 ק"ג)
1.800 אינץ' (45.7 מ"מ)
פתיחה
500 פאונד (196 ק"ג)
1.177 אינץ' (29.9 מ"מ)
אורך חופשי
לא רלוונטי
2.210 אינץ' (56.1 מ"מ)
טבלה 5. בוכנות
מרווח בוכנה:
אינץ'
מ“מ
התאמה בוכנה-לצילינדר (רופף)
0.0026-0.0036
0.066-0.091
התאמה של פין הבוכנה (משוחרר)
0.0003-0.0008
0.007-0.020
מרווח בקצה הטבעת העליונה
מרווח בקצה הטבעת השנייה
המרווח בפס של טבעת בקרת השמן
0.012-0.020
0.016-0.024
0.008-0.028
0.304-0.505
0.406-0.609
0.203-0.711
המרווח בצד הטבעת העליונה
המרווח בצד הטבעת השנייה
המרווח בצד טבעת בקרת השמן
0.0010-0.0022
0.0010-0.0022
0.0003-0.0072
0.025-0.055
0.025-0.055
0.007-0.182
טבלה 6. מפרטי גל זיזים - SE266E
יניקה
מפרט
פותח
24 לפני נמ"ע (BTDC)
סוגר
58 אחרי נמ"ת (ABDC)
משך
262 o
הגבהת שסתום מרבית
0.658 אינץ' (16.713 מ"מ)
הגבהת שסתום @ TDC
0.208 אינץ' (5.283 מ"מ)
מערכת פליטה
מפרט
פותח
69 לפני נמ"ת (BBDC)
סוגר
17 אחרי נמ"ע (ATDC)
משך
266 o
הגבהת שסתום מרבית
0.658 אינץ' (16.713 מ"מ)
הגבהת שסתום @ TDC
0.178 אינץ' (4.521 מ"מ)
תזמון גל זיזים ב-0.053 אינץ' (1.346 מ"מ) של הגבהת הדחיף במעלות בגל הארכובה
מגבלות בלאי שירות
השתמשו במגבלות הבלאי כמדריך להחלפת חלקים.
הערה
עיין במפרטים של גל זיזים כפול מסוג Twin-Cam 96 במדריך הטיפולים לקבלת מידע על כל מפרט שאינו מוצג בטבלאות הבאות
טבלה 7. צילינדרים
פריט
יש להחליף אם השחיקה עולה על
אינץ'
מ“מ
הפרש קוני
0.002
0.051
הפרש אובלי
0.002
0.051
עיוות משטחי הפנים של האטם או טבעת O: קצה עליון
0.006
0.152
עיוות משטחי הפנים של האטם או טבעת O: בסיס
0.004
0.102
טבלה 8. קדח צילינדר
פריט
יש להחליף אם השחיקה עולה על
אינץ'
מ“מ
רגיל
4.062
103.17
0.010 אינץ' מידה חדשה לאחר מדידה
4.072
103.43
טבלה 9. בוכנות
מגבלת שחיקה למרווח התאמת הבוכנה לצילינדר (רופף)
אינץ'
מ“מ
התאמה לצילינדר (רופף)
0.0061
0.155
התאמת פין בוכנה (רופף)
0.0011
0.028
מרווח בקצה הטבעת העליונה
מרווח בקצה הטבעת השנייה
המרווח בפס של טבעת בקרת השמן
0.030
0.034
0.038
0.762
0.863
0.965
המרווח בצד הטבעת העליונה
המרווח בצד הטבעת השנייה
המרווח בצד טבעת בקרת השמן
0.0030
0.0030
0.0079
0.076
0.076
0.200
טיפול בצילינדרים של SE120R או החלפתם
1. הרם את האופנוע.
הערה
שחרר את דריכת מערכת האבטחה.
2. הסר את המושב בהתאם להוראות במדריך הטיפולים.
אזהרה
בעת הטיפול במערכת הדלק, אסור לעשן או לאפשר הימצאות להבה פתוחה או ניצוצות בסביבה. בנזין הוא חומר דליק ונפיץ מאוד, העלול לגרום למוות או פגיעה חמורה. (00330a)
3. הסר את הנתיך הראשי. עיין במדריך הטיפולים של האופנוע שלך.
4. הסר את מיכל הדלק בהתאם להוראות במדריך הטיפולים.
הסר רכיבי מנוע
  1. עיין במדריך הטיפולים למידע על אופן ההסרה של מכלול מסנן האוויר הנוכחי.
  2. הסר את מערכת הפליטה הנוכחית לפי הנהלים במדריך הטיפולים.
  3. פרק את ראש המנוע. עיין בפרקים המתאימים של "מנוע" במדריך הטיפולים.
התקנת רכיבי ראש המנוע
הערה
ראה איור 1 . אטם בסיס הצילינדר (1) ואטם ראש הצילינדר (2) במידה 4.060 אינץ' מבטלים את הצורך בהתקנה של טבעות O. אל תשתמש בטבעות O על התותבים או מתאמי האוגן (ספיגוט) של הצילינדר.
בעת התקנת אטם חדש לבסיס הצילינדר (1), התקן כשהצד הבולט כלפי מטה והצד השקוע כלפי מעלה.
1. עיין במדריך הטיפולים המתאים והרכב את המנוע עם השינויים הבאים:
a. הרכב את ראש המנוע בעזרת אטמי הבסיס והראש המסופקים בערכה. עיין בפרק המתאים של "מנוע" במדריך הטיפולים.
1אטם, בסיס צילינדר
2אטם, ראש צילינדר
איור 1. אטמי צילינדר
הרכבה סופית
2. התקן את מיכל הדלק בהתאם להוראות במדריך הטיפולים.
3. עיין במדריך הטיפולים למידע על אופן ההתקנה של הנתיך הראשי.
אזהרה
לאחר התקנת מושב, משוך את המושב כלפי מעלה כדי לוודא שהמושב נעול במקומו. תוך כדי רכיבה, מושב משוחרר עלול לזוז ולגרום לאובדן שליטה, וכתוצאה מכך לגרום למוות או פציעה חמורה. (00070b)
4. התקן את המושב בהתאם להוראות במדריך הטיפולים.
טיפול בבוכנה של SE120R או החלפתה
  1. עיינו בסעיף מנוע של מדריך הטיפולים.
התקנה
אזהרה
כדי למנוע התנעה בשוגג של הרכב העלולה לגרום למוות או פציעה חמורה, נתק תחילה את כבל המצבר השלילי (-) לפני שתמשיך. (00307a)
אזהרה
נתק תחילה את כבל הסוללה השלילי (-). אם הכבל החיובי (+) נוגע בהארקה כאשר הכבל השלילי (-) מחובר, עלולים להיווצר ניצוצות אשר יגרמו להתפוצצות המצבר, וכתוצאה מכך לגרום למוות או פגיעה חמורה. (00049a)
1. עיין במדריך הטיפולים למידע על אופן ההסרה של המושב. עיין במדריך הטיפולים למידע על אופן ניתוק כבלי המצבר, והתחל בכבל השלילי.
אזהרה
בעת הטיפול במערכת הדלק, אסור לעשן או לאפשר הימצאות להבה פתוחה או ניצוצות בסביבה. בנזין הוא חומר דליק ונפיץ מאוד, העלול לגרום למוות או פגיעה חמורה. (00330a)
2. עיין בנושא "מנוע: הפשטת אביזרים מהמנוע לצורך טיפול" ובנושא "שיפוץ ראש מנוע, הרכבה" במדריך הטיפולים למידע על הנהלים להסרת ראש הצילינדר, הצילינדר והבוכנה.
3. פעל לפי הנהלים המפורטים בנושא "מנוע: תיקון וטיפול בתת-מכלול, ראש מנוע/צילינדר/מוט חיבור עליון" במדריך הטיפולים למידע על אופן הבדיקה של החלקים.
4. עיין בנושא "מנוע: תיקון וטיפול בתת-מכלול, צילינדר" במדריך הטיפולים להוראות על אופן הקידוח והליטוש.
הערה
התקן את הטבעת העליונה (שפה מעוגלת) ואת הטבעת השנייה (שפה משופעת עם חריץ מסוג Napier) כשהסימון N פונה כלפי מעלה. ניתן להתקין את טבעות השמן בכל כיוון בלי קשר למיקום הפס.
אטמי בסיס הצילינדר ואטמי ראש הצילינדר הכלולים בערכה מבטלים את הצורך בהתקנה של טבעות O (מס' חלק 11273). אל תשתמש בטבעות O על התותבים או מתאמי האוגן (ספיגוט) של הצילינדר.
בעת התקנת אטם חדש לבסיס הצילינדר, התקן כשהצד הבולט כלפי מטה והצד השקוע כלפי מעלה.
הערה
בדיקת מרווח התאמת הבוכנה לצילינדר במיקום זה תיעשה לפי טבלה 5 .
1רוחב בוכנה
2אזור המדידה
איור 2. מידות הבוכנה
5. ראה איור 2 . מדוד את רוחב הבוכנה (1), באופן אופקי בזווית של 90 מעלות משני הצדדים של קדח פין הבוכנה ובמרחק של 1.275 אינץ' מטה מפני השטח (הקצה העליון) של הבוכנה (2). ראה טבלה 5 למידע על מרווח התאמת הבוכנה לצילינדר במיקום זה.
6. הבוכנות בערכה זו מיועדות ספציפית לצד הקדמי או האחורי. התקן את הבוכנה המסומנת במילה FRONT (קדמי) בצילינדר הקדמי כשהחץ מצביע לכיוון הצד הקדמי של המנוע. התקן את הבוכנה המסומנת במילה REAR (אחורי) בצילינדר האחורי כשהחץ מצביע לכיוון הצד הקדמי של המנוע.
7. עיין בנושא "מנוע: שיפוץ ראש מנוע, הרכבה" במדריך הטיפולים למידע על נוהלי ההתקנה של הבוכנה, הצילינדר וראש הצילינדר.
כלי להתקנת טבעת נעילה (טבעת סגר) של פין בוכנה (HD-34623-C)
הערה
המרווח בטבעת הסגר חייב להימצא במיקום השעה 12 או 6 בעת התקנתו.
8. ראה איור 3 . הכנס את הצד הפתוח של טבעת הסגר (1) לתוך המגרעת (2) בחריץ (3) סביב פתח מעבר פין הבוכנה כך שהמרווח יימצא במיקום השעה 12 או 6 בעת התקנתו.
1תפס טבעתי
2חריץ
3חריץ
איור 3. טבעת סגר ובוכנה
1כיוון האגודל
2התפס הטבעתי יושב ברמה של 85%
איור 4. התקן את טבעת הסגר
9. ראה איור 4 . שים את האגודל (1) במיקום המתואר. לחץ בחוזקה עד ש-85% בערך מהתפס הטבעתי (2) ישב בחריץ.
10. השתמש במברג בעל ראש שטוח קטן כדי לדחוק את יתרת טבעת העצר לחלק הנותר של החריץ מבלי לשרוט או ללכלך את הבוכנה. חזור על הפעולה בשאר טבעות הסגר.
הערה
ודא שטבעת העצר של הבוכנה הוכנסה במלואה, אחרת ייגרם נזק למנוע.
11. עיין בנושא "מנוע: הרכבת המנוע לאחר הפשטת אביזרים" במדריך הטיפולים למידע על נוהלי ההרכבה הסופית.
איור 5. מכלול בוכנה
טבלה 10. מכלול בוכנה
פריט
תיאור (כמות)
1
בוכנה (קדמית, רגילה)
2
בוכנה (אחורית, רגילה)
3
  • סט טבעות, רגיל (2)
4
  • פין בוכנה (2)
5
  • תפס טבעתי (4)
1
בוכנה (קדמית, ‎+0.010)
2
בוכנה (אחורית, ‎+0.010)
3
  • סט טבעות, ‎‎‎+.0.010‏ (2)
4
  • פין בוכנה (2)
5
  • תפס טבעתי (4)
החלפת מוטות דחיפים או טיפול בהם
1. עיינו בסעיף מנוע של מדריך הטיפולים.
הערה
פעל בהתאם לנהלים במדריך הטיפולים המתאים להתקנה או להסרה של המוטות הדחיפים. המוטות הדחיפים מסומנים במילים Intake (יניקה) ו-Exhaust (פליטה).
למוטות הדחיפים יש כיוונים ייעודיים. ודא שהקצוות הגדולים יותר של המוטות הדחיפים יותקנו כלפי מטה בשקעי מרימי השסתומים.
1מכלול מכסה הנדנד
2מכלול לוח התושבת של זרוע הנדנד
3מוט דחיף אחורי בצד היניקה
4מוט דחיף אחורי בצד הפליטה
איור 6. מוטות דחף
החלפת ראשי צילינדרים או טיפול בהם
  1. עיינו בסעיף מנוע של מדריך הטיפולים.
  2. הערה
    ראה איור 9 . לראשי הצילינדר החלופיים (1) יש עיטורים עם הכיתוב CNC PORTED (בעיבוד שבבי). ניתן, בהתאם למבוקש, לעשות שימוש בעיטורים של 120R ‏(12) או לרכוש עיטורים חדשים.
  3. שים חומר לנעילת תבריגים ולאטימה בעוצמה בינונית/לטמפרטורת גבוהות מסוג Loctite 246 (רכישה בנפרד) על הברגים והתקן את העיטורים של 120R. הדק לערך 1.1–2.3 N·m (10–12 in-lbs)
חלקי שירות
איור 7. מכלול מנוע, SE120R מושלם
טבלה 11. מכלול מנוע מרוצים המסופק מוכן להרכבה SE120R Screamin' Eagle Pro
פריט
תיאור (כמות)
מספר חלק
1
הרכבת מנוע, הושלמה
19289-12
איור 8. חלקי שירות: מכלול מנוע מרוצים המסופק מוכן להרכבה SE120R Screamin' Eagle Pro
טבלה 12. חלקי שירות: מכלול מנוע מרוצים המסופק מוכן להרכבה SE120R Screamin' Eagle Pro
פריט
תיאור (כמות)
מספר חלק
1
אטם בסיס, צילינדר (2)
16736-04A
2
ערכת צילינדרים SE, ‏4.060 אינץ' (שחור) (נכללים פריטים 1, 3, 4, 1105 ו-1086A)
16550-04C
3
פין הקבלה, טבעת (4)
16595-99A
4
אטם, ראש צילינדר (2)
16104-04
5
חף, צילינדר (8)
16834-99A
6
ערכת אטם, שיפוץ מנוע (אינה כוללת את אטם הראש, אטם הבסיס או אטמי קנה השסתום של ראש הצילינדר) (לא מוצגת)
17053-99C
7
ערכת אטם, ראש מנוע (אינה כוללת את אטם הראש, אטם הבסיס או אטמי קנה השסתום של ראש הצילינדר) (לא מוצגת)
17052-99C
איור 9. חלקי שירות: מכלול מנוע מרוצים המסופק מוכן להרכבה SE120R Screamin' Eagle Pro
טבלה 13. חלקי שירות: מכלול מנוע מרוצים המסופק מוכן להרכבה SE120R Screamin' Eagle Pro
פריט
תיאור (כמות)
מספר חלק
1
מכלל ראש צילינדר, אחורי עם עיטור CNC PORTED (נכללים פריטים 2 עד 11)
16921-11
מכלל ראש צילינדר, קדמי עם עיטור CNC PORTED (נכללים פריטים 2 עד 11)
16917-11
2
  • ראש צילינדר (בעיבוד שבבי, כשפריטים B, ‏C, ‏D ו-E מותקנים)
לא נמכר בנפרד
3
  • טבעת, קפיץ שסתום, עליונה (4)
ראה "ערכות שירות"
4
  • טבעת, קפיץ שסתום, תחתונה (4)
ראה "ערכות שירות"
5
  • יתד, פתח צינור הפליטה (4)
16715-83
6
  • שסתום יניקה (2)
18190-08
7
  • שסתום פליטה (2)
18183-03
8
  • אטם, שסתום (4)
18046-98
9
  • יחידת קפיץ שסתום (4)
ראה "ערכות שירות"
10
  • נעילה, טבעת שסתום (8). הפריט נכלל גם בערכה 18281-02A
18240-98
11
  • פקק שחרור דחיסה אוטומטי (2)
16648-08
12
עיטור, "120R"
17136-10
13
בורג, ראש כפתור, Torx ‏(2)
94634-99
14
בורג, תבריג פנימי, 3-3/16 אינץ' (4)
16478-85A
15
בורג, תבריג פנימי, 1-7/8 אינץ' (4)
16480-92A
16
מצתים (לא מוצגים) (2)
32186-10
ערכות שירות:
A
ערכת קפיץ שסתום, Screamin' Eagle
18281-02A
החלקים הבאים של Screamin' Eagle זמינים בנפרד:
B
תושבת שסתום, יניקה
18191-08
C
תושבת שסתום, פליטה
18048-98A
D
מוביל שסתום, יניקה (לטיפול)
  • (‎+0.003 אינץ')
18158-05
  • (‎+0.002 אינץ')
18156-05
  • (‎+0.001 אינץ')
18154-05
E
מוביל שסתום, פליטה (לטיפול)
  • (‎+0.003 אינץ')
18157-05
  • (‎+0.002 אינץ')
18155-05
  • (‎+0.001 אינץ')
18153-05
איור 10. מכלול מנוע מרוצים המסופק מוכן להרכבה SE120R Screamin' Eagle Pro
טבלה 14. חלקי שירות: מכלול מנוע מרוצים המסופק מוכן להרכבה SE120R Screamin' Eagle Pro
פריט
תיאור (כמות)
מספר חלק
1
בורג ראש משושה עם אוגן 5/16-18 ‏X ‏2-1/2 (דרגה 8) (8)
1039
2
בורג ראש משושה 5/16-18 ‏X ‏1.0, עם ציפוי נעילה (6)
3692A
3
בורג ראש משושה 5/16-18 ‏X ‏1-3/4, עם ציפוי נעילה (10)
3693A
4
בורג ראש משושה עם אוגן 5/16-18 ‏X ‏1-1/4, עם ציפוי נעילה (8)
3736B
5
בורג ראש משושה 1/4-20 ‏X ‏1-11/16 (דרגה 8), עם ציפוי נעילה (4)
4400
6
בורג אלן 1/4-20 ‏X ‏1, עם ציפוי נעילה (8)
4741A
7
דסקית 11/16 ‏X‏ 29/32 ‏X‏ 1/32 (4)
6762B
8
טבעת O, כיסוי מוט דחיף (4)
11132A
9
טבעת O, כיסוי מוט דחיף (4)
11145A
10
טבעת O (2)
11270
11
טבעת O ‏(4)
11293
12
אטם, בית נדנד (2)
16719-99B
13
ערכת אטם, טיפול בגל זיזים
17045-99D
14
זרוע נדנד, צד קדמי של יניקה, צד אחורי של פליטה, עם תותבים (2)
17360-83A
15
זרוע נדנד, צד אחורי של יניקה, צד קדמי של פליטה, עם תותבים (2)
17375-83A
16
אטם, מכסה נדנד (2)
17386-99A
17
תותב, זרוע נדנד (8)
17428-57
18
מכסה נדנד, (כרום) (2)
17572-99
19
בית נדנד, (כרום) (2)
17578-10
20
מכסה מרים שסתום, קדמי (כרום)
מכסה מרים שסתום, אחורי (כרום)
17964-99
17966-99
21
תושבת, זרוע נדנד (2)
17594-99
22
מכלול נשם (2)
17025-03A
23
גל, זרוע נדנד (4)
17611-83
24
ערכת מוט דחיף Perfect Fit ‏(‎+0.030 אינץ')
18401-03
25
כיסוי, מוט דחיף, חלק תחתון (4)
17939-99
26
מכסה, כיסוי קפיץ (4)
17945-36B
27
קפיץ, כיסוי מוט דחיף (4)
17947-36
28
כיסוי, מוט דחיף, חלק עליון (4)
17948-99
29
סוגר, מכסה קפיץ (4)
17968-99
30
פין, למניעת סיבוב (2)
18535-99
31
ערכת מרים שסתום הידראולי (כוללת 4 מרימי שסתומים)
18572-13
32
אטם, מכסה מרים (2)
18673-07
33
מכלול סנן, נשם (2)
26500002
איור 11. חלקי שירות; מכלול מנוע מרוצים המסופק מוכן להרכבה SE120R Screamin' Eagle Pro
טבלה 15. חלקי שירות: מכלול מנוע מרוצים המסופק מוכן להרכבה SE120R Screamin' Eagle Pro
פריט
תיאור (כמות)
מספר חלק
1
טבעת נעילה
11177A
2
סט טבעת בוכנה, תקני (2)
סט טבעות בוכנה, מידה חדשה לאחר מדידה 0.010 ‏(2)
22526-10
22529-10
3
ערכת בוכנה, קדמית ואחורית, עם ערכות טבעת, סיכת בוכנה וטבעות נעילה, תקנית
ערכת בוכנה, קדמית ואחורית, עם ערכות טבעת, סיכת בוכנה וטבעות נעילה, מידה חדשה לאחר מדידה 0.010
22574-10
22576-10
4
טבעת נעילה, פין בוכנה (4)
22097-99
5
פין בוכנה (2)
22310-10
6
ערכת מכלול גלגל תנופה
24100007
איור 12. חלקי שירות: מכלול מנוע מרוצים המסופק מוכן להרכבה SE120R Screamin' Eagle Pro
טבלה 16. חלקי שירות: מכלול מנוע מרוצים המסופק מוכן להרכבה SE120R Screamin' Eagle Pro
פריט
תיאור (כמות)
מספר חלק
1
פקק (3)
765
2
2a
2b
בורג ראש משושה עם אוגן 5/16-18 ‏X ‏3.0 (דרגה 8) (8)
בורג, עליון מרכזי של בית גל ארכובה
דסקית, איטום
895
1105
1086A
3
דסקית (3)
6099
4
דסקית 1-1/4 ‏X‏ 1-53/64 ‏X‏ 1/8 (2)
8972
5
ערכת מסב מחטים, (בערכה יש 2 יחידות)
24017-10
6
טבעת O (2)
10930
7
טבעת O (2)
11293
8
אטם שמן
12068
9
פין הכוונה (2)
16574-99A
10
פין הכוונה (2)
16589-99A
11
פין הכוונה (4)
16595-99A
12
נחיר קירור הבוכנה, עם 10930 (2)
22315-06A
13
ערכת מסב, צד שמאל עם 8972, 24605-07, 35114-02, ומסילה פנימית
24004-03B
14
תותב מרווח, גל גלגל שרשרת (דגמי Dyna בלבד)
24038-03
15
סט בית גל ארכובה, (שחור) עם ברגים 5, 12, 13, 16, 22, 24 ו-3983 (לא מוצגים)
24400031
16
מסב, ראשי (2)
24605-07
17
ערכת התקנת מסנן שמן, עם ערכת לוח נעילה, מתאם וטבעות O
26261-99
18
מחבר, ישר (3)
26314-99
19
מתאם, מסנן שמן
26352-95A
20
טבעת O ‏(2)
26432-76A
21
ערכת לוח נעילה עם ברגים, טבעות O ודסקיות
35071-99
22
טבעת נעילה
35114-02
23
מסנן שמן (כרום)
63798-99A
24
בורג, TORX ® 8-32‏ x‏ 3/8 (4)
68042-99
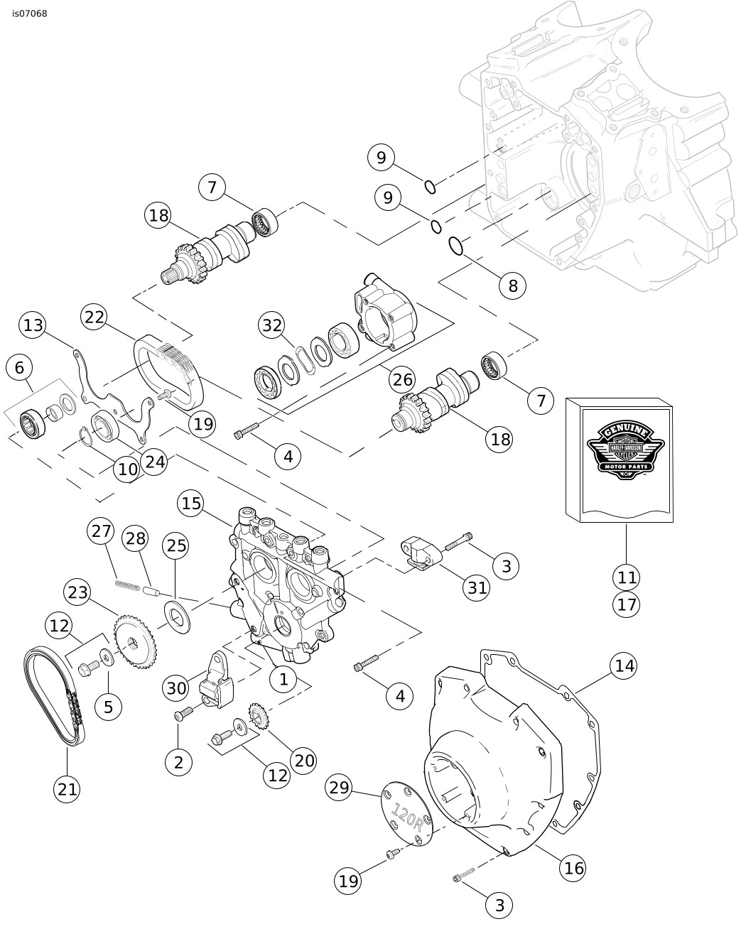
איור 13. חלקי שירות: מכלול מנוע מרוצים המסופק מוכן להרכבה SE 120R Screamin' Eagle Pro
טבלה 17. חלקי שירות: מכלול מנוע מרוצים המסופק מוכן להרכבה SE120R Screamin' Eagle Pro
פריט
תיאור (כמות)
מספר חלק
1
סיכת גליל
601
2
בורג, מותחן לשרשרת גל זיזים ראשי (2)
942
3
בורג, כיסוי גל זיזים, 1/4-20 x ‏1-1/4, מחורץ עם ציפוי נעילה (דרגה 8), (10)
בורג, מותחן לגל זיזים משני, 1/4-20 x ‏1-1/4, מחורץ עם ציפוי נעילה (דרגה 8), (2)
4740A
4740A
4
בורג אלן, 1/4-20 x ‏1, עם ציפוי נעילה (8)
4741A
5
דסקית 3/8 ‏X‏ 1-1/8 ‏X‏ 7/32
6294
6
מכלול מסב עם מסב, מסילה פנימית, דסקית וטבעת O
8983
7
ערכת מסב מחטים, (בערכה יש 2 יחידות)
24017-10
8
טבעת O
11293
9
טבעת O (2)
11301
10
טבעת נעילה
11494
11
ערכת אטם, טיפול בגל זיזים
17045-99D
12
ערכת נעילה לגלגל שרשרת הנעה של גל ארכובה, עם 6294, ברגים ודסקית
25566-06
13
לוח, מסב, נעילה
1200018
14
אטם, כיסוי cam
25244-99A
15
לוח תושבת גלגל זיזים, עם שסתום מעקף
25400018
16
כיסוי גל זיזים, (כרום)
25369-01B
17
ערכת מהדק ושרשרת גל זיזים, עם 25566-06, 25673-06, 25675-06 ו-25728-06
25585-06
18
גל זיזים, ערכה קדמית ואחורית, SE266E
25400029
19
בורג, ראש TORX‏, 8-32 x ‏3/8 (‏5)
68042-99
20
גלגל שרשרת, להנעת גל זיזים על גל הזיזים, ‎17 T
25673-06
21
שרשרת, הנעת גל זיזים ראשי
25675-06
22
שרשרת, הנעת גל זיזים משני
25607-99
23
גלגל שרשרת, הנעת גל זיזים, ‎34 T
25728-06
24
מסב כדורי
8990A
25
תותב מרווח, מיקום גלגל שרשרת ההנעה של גל הזיזים בעובי 0.287 אינץ'
תותב מרווח, מיקום גלגל שרשרת ההנעה של גל הזיזים בעובי 0.297 אינץ'
תותב מרווח, מיקום גלגל שרשרת ההנעה של גל הזיזים בעובי 0.307 אינץ'
תותב מרווח, מיקום גלגל שרשרת ההנעה של גל הזיזים בעובי 0.317 אינץ'
תותב מרווח, מיקום גלגל שרשרת ההנעה של גל הזיזים בעובי 0.327 אינץ'
תותב מרווח, מיקום גלגל שרשרת ההנעה של גל הזיזים בעובי 0.337 אינץ'
תותב מרווח, מיקום גלגל שרשרת ההנעה של גל הזיזים בעובי 0.347 אינץ'
תותב מרווח, מיקום גלגל שרשרת ההנעה של גל הזיזים בעובי 0.357 אינץ'
25722-00
25723-00
25721-00
25719-00
25717-00
25725-00
11889
11890
26
מכלול משאבת שמן
62400001
27
קפיץ, שסתום שחרור
26210-99
28
שסתום שחרור, משאבת שמן
26400-82B
29
כיסוי, 120R
25495-10
30
מותחן שרשרת, שרשרת גל זיזים ראשי
39968-06
31
מותחן שרשרת, שרשרת גל זיזים משני
39969-06
32
קפיץ, מפריד
40323-00