MESIN SIAP PAKAI UNTUK BALAP SE120R SCREAMIN 'EAGLE PRO
J054832014-07-16
UMUM
Nomor Kit
19289-12
Model
Untuk informasi kesesuaian model, lihat Katalog Retail P&A atau bagian Komponen dan Aksesori di www.harley-davidson.com (hanya tersedia dalam Bahasa Inggris).
PEMBERITAHUAN
Pemasangan kit memerlukan penggantian komponen jet atau kalibrasi ulang agar kit dapat berfungsi dengan baik. Kelalaian dalam melakukannya dapat menimbulkan kondisi kurang bahan bakar, yang dapat merusak mesin. (00623b)
CATATAN
Mesin ini hanya untuk digunakan dalam balapan! Lepaskan label emisi dan pelat nomor dari sasis pabrik.
Mesin ini telah dirakit dengan Spacer Poros Sproket Dyna (No. Komponen 24038-03).
ISI KIT
Lihat Gambar 7 hingga Gambar 13 dan Tabel 11 hingga Tabel 17 .
Persyaratan Pemasangan
  • Oli mesin sintetis yang direkomendasikan, Screamin' Eagle SYN3 ® 20W50 (No. Komponen 99824-03/00QT).
  • Model Touring memerlukan penggantian Spacer Poros Sproket dengan No. Komponen 24008-03 untuk model 2002-2005 atau No. Komponen 24009-06 untuk model 2006.
  • Kepala silinder dalam kit ini dibubut untuk digunakan dengan flensa isap simetris (peralatan asli sejak 2006). Model 1999-2005 memerlukan pembelian terpisah dari flensa segel isap simetris (No. Komponen 26993-06), jumlah 2.
  • Diperlukan pemasangan pelepasan tekanan. Lihat Katalog Screamin' Eagle Pro atau hubungi dealer Harley-Davidson.
  • Kit kopling yang mendukung torsi minimum 190 N·m (140 ft-lbs) . Harley-Davidson merekomendasikan pemasangan kopling tekanan Screamin' Eagle (No. Komponen 37000121) dan pegas diafragma (No.Komponen 37951-98). Penggunaan untuk balapan sprint menggunakan kit kopling (No. Komponen 37976-08A).
  • Bodi trotel SE, Pembersih Udara, dan Injektor Aliran Tinggi. Lihat Katalog Screamin' Eagle Pro atau hubungi dealer Harley-Davidson.
  • Kit gasket buang SE (No. Komponen 17048-98).
  • Disarankan untuk menggunakan pendingin oli. Baca Katalog Retail P&A atau bagian Komponen dan Aksesori di www.harley-davidson.com.
  • Model EFI: SE Pro Super Tuner - Lihat Katalog Screamin' Eagle Pro atau hubungi dealer Harley-Davidson.
  • Lihat bagian yang sesuai di manual servis untuk informasi tentang alat-alat khusus yang diperlukan untuk memasang kit ini.
PERINGATAN
Keselamatan pengendara dan penumpang bergantung pada pemasangan kit yang benar. Gunakan prosedur manual servis yang benar. Jika Anda tidak mampu menjalankan prosedur ini atau tidak memiliki alat yang tepat, mintalah dealer Harley-Davidson untuk melakukan pemasangan. Pemasangan yang salah terkait perangkat ini dapat menyebabkan kematian atau cedera parah. (00333b)
CATATAN
Lembar instruksi ini merujuk pada informasi manual servis. Manual servis untuk model sepeda motor Anda diperlukan untuk pemasangan. Manual servis tersebut tersedia di dealer Harley-Davidson.
PERSIAPAN
CATATAN
Untuk kendaraan yang dilengkapi dengan sirene keamanan:
  • Pastikan ada Fob bebas genggam.
  • Dengan sistem keamanan fob aktif, putar sakelar pengapian ke posisi ON.
Model EFI:
PERINGATAN
Agar bahan bakar tidak menyemprot, sistem pembersihan uap bahan bakar tekanan tinggi di depan saluran pasokan dilepaskan. Bensin mudah terbakar dan mudah meledak, yang dapat menyebabkan kematian atau cedera parah. (00275a)
Bersihkan dan putuskan sambungan saluran pasokan bahan bakar.
Untuk SEMUA Kendaraan:
PERINGATAN
Untuk mencegah agar kendaraan tidak menyala tiba-tiba, yang dapat menyebabkan kematian atau cedera parah, lepaskan kabel baterai (kabel negatif (-) terlebih dahulu) sebelum melakukan prosedur lainnya. (00307a)
PERINGATAN
Lepas kabel baterai negatif (-) terlebih dahulu. Jika kabel positif (+) bersentuhan dengan arde saat kabel negatif (-) masih tersambung, percikan yang timbul dapat mengakibatkan ledakan baterai, yang dapat menyebabkan kematian atau cedera parah. (00049a)
  1. Lihat manual servis untuk melepas sadel. Lihat manual servis untuk melepas kabel baterai, kabel negatif (-) terlebih dahulu. Simpan semua perangkat keras dudukan jok.
Untuk Model dengan Karburator:
PERINGATAN
Bensin dapat terkuras dari saluran bahan bakar karburator ketika dilepas dari fiting katup bahan bakar. Bensin mudah terbakar dan mudah meledak, yang dapat menyebabkan kematian atau cedera parah. Segera seka tumpahan bahan bakar dan buang lap dengan cara yang benar. (00256a)
  1. Putar katup pasokan bahan bakar ke posisi OFF. Lepas saluran bahan bakar dari katup.
PELEPASAN
Lepas Mesin OE
1. Angkat sepeda motor.
PERINGATAN
Saat menyervis sistem bahan bakar, jangan merokok atau membiarkan nyala api atau bunga api di dekat area servis. Bensin mudah terbakar dan mudah meledak, yang dapat menyebabkan kematian atau cedera parah. (00330a)
2. Lepas tangki bahan bakar sesuai petunjuk pada manual servis.
3. Lihat bagian MESIN dari manual servis yang sesuai untuk melepaskan mesin dari sasis.
PEMASANGAN MESIN SE120R
  1. Sebelum memasang mesin, pastikan tidak ada serpihan atau kontaminasi pada sistem oli. Lihat manual servis untuk menguras tangki oli. Pengurasan tangki harus dilakukan oleh dealer resmi atau teknisi yang memenuhi syarat.
  2. Lepaskan penutup/penyumbat saluran oli di mesin ke antarmuka transmisi.
  3. Lihat bagian MESIN pada manual servis yang sesuai untuk pemasangan mesin ke sasis.
  4. Untuk Model Touring: Lepas spacer poros sproket dan ganti dengan spacer yang sesuai sebagaimana tercantum di bagian KOMPONEN TAMBAHAN YANG DIPERLUKAN.
Rangkaian Akhir
1. Pasang tangki bahan bakar sesuai petunjuk pada manual servis.
2. Pasang sadel sesuai petunjuk pada manual servis.
PERINGATAN
Setelah memasang jok, tarik ke atas untuk memastikan jok terpasang kencang. Saat berkendara, jok yang kendur dapat bergeser dan menimbulkan hilang kendali yang dapat menyebabkan kematian atau cedera parah. (00070b)
PEMBERITAHUAN
Anda harus mengatur ulang kalibrasi ECM saat memasang kit ini. Kelalaian untuk mengatur ulang kalibrasi ECM dengan tepat dapat mengakibatkan kerusakan parah pada mesin. (00399b)
3. Unduh kalibrasi ECM yang baru saat menginstal kit ini. Lihat Katalog Screamin' Eagle Pro atau hubungi dealer Harley-Davidson.
4. Nyalakan dan jalankan mesin. Ulangi beberapa kali guna memastikan mesin beroperasi dengan baik.
PENGOPERASIAN
  1. Lihat bagian BREAK-IN RIDING RULES (ATURAN BERKENDARA SAAT INREYEN) pada manual pemilik untuk petunjuk seputar mesin baru dalam masa inreyen.
PEMELIHARAAN
  1. Lihat JADWAL PEMELIHARAAN pada manual servis atau manual pemilik yang sesuai.
  2. Lihat bagian MESIN pada manual servis untuk perakitan dan pembongkaran.
SPESIFIKASI MESIN SE120R
CATATAN
Bagian berikut menyediakan informasi unik yang tidak tersedia pada bagian MESIN di manual servis untuk mesin Twin Cam 96 alpha yang sesuai dari platform Touring atau Dyna.
Tabel 1. Mesin: SE Twin Cam 120R
Item
Spesifikasi
Rasio Kompresi
10,5:1
Lubang silinder
4,060 inci
103,12 mm
Langkah
4,625 inci
117,48 mm
Kapasitas
119,75 cu inci
1962,39 cc
Sistem pelumasan
Pelumasan kering bertekanan
dengan pendingin oli
TOLERANSI MANUFAKTUR
Lihat spesifikasi Twin-Cam 96 pada manual servis untuk spesifikasi apa pun yang tidak ditampilkan pada tabel berikut.
Tabel 2. Kepala Silinder
ITEM
INCI.
MM
Pemandu katup di kepala silinder (kencang)
0,0020 - 0,0033
0,051 - 0,084
Dudukan katup isap di kepala silinder (kencang)
0,004 - 0,0055
0,102 - 0,140
Dudukan katup buang di kepala silinder (kencang)
0,004 - 0,0055
0,102 - 0,140
Tabel 3. Katup
ITEM
INCI.
MM
Fit in guide (isap dan buang)
0,0011 - 0,0029
0,028 - 0,074
Lebar sadel
0,034 - 0,062
0,86 - 1,57
Tonjolan batang dari bos kepala silinder
1,990 - 2,024
50,55 - 51,41
Tabel 4. Spesifikasi Pegas Katup
ITEM
TEKANAN
DIMENSI
Tertutup
180 lbs (79 kg)
1,800 inci (45,7 mm)
Membuka
500 lbs (196 kg)
1,177 inci (29,9 mm)
Panjang bebas
n/a
2,210 inci (56,1 mm)
Tabel 5. Piston
Jarak Bebas Piston:
INCI.
MM
Muat piston ke silinder (Longgar)
0,0026 - 0,0036
0,066 - 0,091
Muat pin piston (longgar)
0,0003 - 0,0008
0,007 - 0,020
Celah Ujung Ring Atas
Celah Ujung Ring Kedua
Celah Rel Ring Kontrol Oli
0,012 - 0,020
0,016 - 0,024
0,008 - 0,028
0,304 - 0,505
0,406 - 0,609
0,203 - 0,711
Jarak Bebas Samping Ring Atas
Jarak Bebas Samping Ring Kedua
Jarak Bebas Samping Ring Kontrol Oli
0,0010 - 0,0022
0,0010 - 0,0022
0,0003 - 0,0072
0,025 - 0,055
0,025 - 0,055
0,007 - 0,182
Tabel 6. Spesifikasi Cam - SE266E
Intake
Spesifikasi
Buka
24 BTDC
Tutup
58 ABDC
Durasi
262 o
Pengangkatan Katup Maks.
0,658 inci (16,713 mm)
Bukaan Katup @ TDC
0,208 inci (5,283 mm)
Exhaust
Spesifikasi
Buka
69 BBDC
Tutup
17 ATDC
Durasi
266 o
Pengangkatan Katup Maks.
0,658 inci (16,713 mm)
Bukaan Katup @ TDC
0,178 inci (4,521 mm)
Cam Timing @ 0,053 inci (1,346 mm) Pengangkatan Tappet dalam Derajat Poros Engkol
BATAS KEAUSAN SERVIS
Gunakan batas keausan sebagai panduan untuk penggantian komponen.
CATATAN
Lihat spesifikasi Twin-Cam 96 pada manual servis untuk spesifikasi apa pun yang tidak ditampilkan pada tabel berikut
Tabel 7. Silinder
ITEM
GANTI JIKA KEAUSAN MELEBIHI
INCI.
MM
Ketirusan
0.002
0.051
Tidak bulat sempurna
0.002
0.051
Distorsi gasket atau permukaan O-ring: atas
0.006
0.152
Distorsi gasket atau permukaan O-ring: dasar
0.004
0.102
Tabel 8. Lubang Silinder
ITEM
GANTI JIKA KEAUSAN MELEBIHI
INCI.
MM
Standar
4.062
103.17
0,010 inci besar sekali
4.072
103.43
Tabel 9. Piston
Batas Aus Kesesuaian Piston ke silinder (Longgar)
INCI.
MM
Muat dalam silinder (Longgar)
0.0061
0.155
Muat Pin Piston (Longgar)
0.0011
0.028
Celah Ujung Ring Atas
Celah Ujung Ring Kedua
Celah Rel Ring Kontrol Oli
0.030
0.034
0.038
0.762
0.863
0.965
Jarak Bebas Samping Ring Atas
Jarak Bebas Samping Ring Kedua
Jarak Bebas Samping Ring Kontrol Oli
0.0030
0.0030
0.0079
0.076
0.076
0.200
SERVIS ATAU PENGGANTIAN SILINDER SE120R
1. Angkat sepeda motor.
CATATAN
Nonaktifkan sistem keamanan.
2. Lepaskan sadel berdasarkan petunjuk pada manual servis.
PERINGATAN
Saat menyervis sistem bahan bakar, jangan merokok atau membiarkan nyala api atau bunga api di dekat area servis. Bensin mudah terbakar dan mudah meledak, yang dapat menyebabkan kematian atau cedera parah. (00330a)
3. Lepas sekring utama. Lihat manual servis untuk sepeda motor Anda.
4. Lepas tangki bahan bakar sesuai petunjuk pada manual servis.
Lepas Komponen Mesin
  1. Lihat manual servis untuk melepaskan unit pembersih udara yang ada.
  2. Lepas sistem pembuangan yang ada dengan mengikuti prosedur manual servis.
  3. Bongkar ujung atas mesin. Lihat bagian mesin yang sesuai pada manual servis.
Pasang Komponen Ujung Atas Mesin
CATATAN
Lihat Gambar 1 . Gasket dasar silinder 10,312 cm (4,060 inci) (1) dan gasket kepala silinder (2) menghilangkan kebutuhan akan O-ring. Jangan gunakan O-ring pada dowel silinder atau spigot silinder.
Saat memasang gasket dasar baru (1), pasang sisi yang timbul ke bawah dan sisi cekung ke atas.
1. Lihat manual servis yang sesuai dan rakit mesin dengan perubahan berikut:
a. Rakit ujung atas mesin menggunakan gasket dasar dan gasket kepala yang disediakan dalam kit. Lihat bagian mesin yang sesuai pada manual servis.
1Gasket, dasar silinder
2Gasket, kepala silinder
Gambar 1. Gasket Silinder
Rangkaian Akhir
2. Pasang tangki bahan bakar sesuai petunjuk pada manual servis.
3. Lihat manual servis untuk memasang sekring utama.
PERINGATAN
Setelah memasang jok, tarik ke atas untuk memastikan jok terpasang kencang. Saat berkendara, jok yang kendur dapat bergeser dan menimbulkan hilang kendali yang dapat menyebabkan kematian atau cedera parah. (00070b)
4. Pasang sadel sesuai petunjuk pada manual servis.
SERVIS ATAU PENGGANTIAN PISTON SE120R
  1. Baca bagian MESIN dalam manual servis.
PEMASANGAN
PERINGATAN
Untuk mencegah agar kendaraan tidak menyala tiba-tiba, yang dapat menyebabkan kematian atau cedera parah, lepaskan kabel baterai (kabel negatif (-) terlebih dahulu) sebelum melakukan prosedur lainnya. (00307a)
PERINGATAN
Lepas kabel baterai negatif (-) terlebih dahulu. Jika kabel positif (+) bersentuhan dengan arde saat kabel negatif (-) masih tersambung, percikan yang timbul dapat mengakibatkan ledakan baterai, yang dapat menyebabkan kematian atau cedera parah. (00049a)
1. Lihat manual servis untuk melepas sadel. Lihat manual servis untuk melepas kabel baterai, kabel negatif (-) terlebih dahulu.
PERINGATAN
Saat menyervis sistem bahan bakar, jangan merokok atau membiarkan nyala api atau bunga api di dekat area servis. Bensin mudah terbakar dan mudah meledak, yang dapat menyebabkan kematian atau cedera parah. (00330a)
2. Lihat bagian MESIN: Bagian MENCOPOTI KOMPONEN SEPEDA MOTOR UNTUK DISERVIS dan PERBAIKAN UJUNG ATAS MESIN, PEMBONGKARAN pada manual servis untuk prosedur pelepasan kepala silinder, silinder, dan piston.
3. Ikuti prosedur di bagian MESIN: Bagian SERVIS DAN PERBAIKAN SUB-RAKITAN, UJUNG ATAS MESIN/SILINDER/BATANG PENGHUBUNG ATAS pada manual servis untuk pemeriksaan suku cadang.
4. Lihat bagian MESIN: Bagian SERVIS DAN PERBAIKAN SUB-RAKITAN, SILINDER pada manual servis untuk instruksi pengeboran dan pengasahan.
CATATAN
Pasang ring atas (berbentuk silinder) dan ring kedua (Napier berbentuk lancip) dengan tanda "N" menghadap ke atas. Rel ring oli dapat dipasang dengan sisi apa pun menghadap ke atas.
Gasket dasar silinder 10,312 cm (4,060 inci) dan gasket kepala silinder dari kit menghilangkan kebutuhan akan O-ring (No. Komponen 11273). Jangan gunakan O-ring pada dowel silinder atau spigot silinder.
Saat memasang gasket dasar baru, pasang sisi yang timbul ke bawah dan sisi cekung ke atas.
CATATAN
Periksa kesesuaian piston ke silinder di lokasi ini berdasarkan Tabel 5 sebagai referensi.
1Lebar piston
2Area pengukuran
Gambar 2. Pengukuran Piston
5. Lihat Gambar 2 . Ukur lebar piston (1), 90 derajat horizontal dari kedua sisi lubang pin piston dan 1,275 inci (3.238 cm) di bawah permukaan horizontal (atas) piston (2). Lihat Tabel 5 untuk kesesuaian piston ke silinder di lokasi ini.
6. Piston dalam kit ini spesifik untuk bagian depan dan belakang. Pasang piston bertanda "FRONT" (depan) di silinder depan dengan panah mengarah ke depan mesin. Pasang piston bertanda "REAR" (belakang) di silinder belakang dengan panah mengarah ke depan mesin.
7. Lihat bagian MESIN: Bagian PERBAIKAN UJUNG ATAS MESIN, PERAKITAN pada manual servis untuk prosedur pemasangan piston, silinder, dan kepala silinder.
Pemasangan Ring Penahan Pin Piston (Sirklip)
CATATAN
Celah sirklip harus pada posisi jam 12 atau 6 saat dipasang.
8. Lihat Gambar 3 . Masukkan ujung terbuka sirklip (1) ke dalam takik (2) pada alur (3) di sekeliling bos pin piston sehingga celah berada pada posisi jam 12 atau 6 saat dipasang.
1Circlip
2Takik
3Alur
Gambar 3. Circlip dan Piston
1Orientasi ibu jari
2Circlip ditempatkan 85%
Gambar 4. Pemasangan Circlip
9. Lihat Gambar 4 . Posisikan ibu jari Anda (1) seperti yang ditunjukkan. Tekan dengan kuat sampai sekitar 85% dari sirklip (2) duduk di alur.
10. Jangan menggores atau merusak piston, gunakan obeng mata kecil untuk mendorong sirklip ke sisa alur. Ulangi prosedur untuk sirklip yang tersisa.
CATATAN
Pastikan sirklip piston terpasang sepenuhnya, atau AKAN TERJADI KERUSAKAN MESIN.
11. Lihat bagian MESIN: Bagian MERAKIT SEPEDA MOTOR SETELAH PEMBONGKARAN pada manual servis untuk prosedur perakitan ulang akhir.
Gambar 5. Rakitan Piston
Tabel 10. Rakitan Piston
Item
Deskripsi (Jumlah)
1
Piston (depan, standar)
2
Piston (belakang, standar)
3
  • Set cincin, standar (2)
4
  • Pin Piston (2)
5
  • Sirklip (4)
1
Piston (depan, +0,010)
2
Piston (belakang, +0,010)
3
  • Set ring (+0,010) (2)
4
  • Pin Piston (2)
5
  • Sirklip (4)
MENGGANTI/MENYERVIS BATANG TEKAN
1. Baca bagian MESIN dalam manual servis.
CATATAN
Ikuti prosedur manual servis yang sesuai untuk pemasangan atau pelepasan batang tekan. Batang tekan ditandai Intake (Isap) dan Exhaust (Buang).
Batang tekan memiliki arah. Pastikan ujung yang lebih besar dari batang tekan dipasang ke soket pengangkat.
1Unit penutup pelatuk klep
2Unit pelat penyangga pelatuk klep
3Batang tekan pengisapan belakang
4Batang tekan pembuangan belakang
Gambar 6. Push Rod
MENGGANTI/MENYERVIS KEPALA SILINDER
  1. Baca bagian MESIN dalam manual servis.
  2. CATATAN
    Lihat Gambar 9 . Kepala silinder pengganti (1) memiliki medalion "PORTING CNC". Jika ingin, gunakan kembali medalion "120R" atau beli yang baru (12).
  3. Berikan Loctite 246 Medium Strength/High Temperature Threadlocker and Sealer (dibeli secara terpisah) pada sekrup dan pasang medalion "120R". Kencangkan ke 1,1–2,3 N·m (10–12 in-lbs)
KOMPONEN SERVIS
Gambar 7. Perakitan Mesin, SE120R Selesai
Tabel 11. Mesin Siap Pakai Untuk Balap SE120R Screamin' Eagle Pro
Item
Deskripsi (Jumlah)
Nomor Komponen
1
Rangkaian mesin, lengkap
19289-12
Gambar 8. Komponen Servis: Mesin Siap Pakai Untuk Balap SE120R Screamin' Eagle Pro
Tabel 12. Komponen Servis: Mesin Siap Pakai Untuk Balap SE120R Screamin' Eagle Pro
Item
Deskripsi (Jumlah)
Nomor Komponen
1
Gasket dasar, silinder (2)
16736-04A
2
Kit silinder SE, 4,060 inci, (hitam) (termasuk item 1, 3, 4, 1105, dan 1086A)
16550-04C
3
Pena penetap, ring (4)
16595-99A
4
Gasket, kepala silinder (2)
16104-04
5
Stud, silinder (8)
16834-99A
6
Kit gasket, perbaikan mesin (tidak termasuk gasket kepala silinder, gasket dasar, atau segel batang katup) (Tidak Ditampilkan)
17053-99C
7
Kit gasket, ujung atas mesin (tidak termasuk gasket kepala silinder, gasket dasar, atau segel batang katup) (Tidak Ditampilkan)
17052-99C
Gambar 9. Komponen Servis: Mesin Siap Pakai Untuk Balap SE120R Screamin' Eagle Pro
Tabel 13. Komponen Servis: Mesin Siap Pakai Untuk Balap SE120R Screamin' Eagle Pro
Item
Deskripsi (Jumlah)
Nomor Komponen
1
Perakitan kepala silinder, bagian belakang dengan medalion "PORTING CNC" (termasuk item 2 hingga 11)
16921-11
Perakitan kepala silinder, bagian depan dengan medalion "PORTING CNC" (termasuk item 2 hingga 11)
16917-11
2
  • Kepala silinder (dibubut, terpasang item B, C, D, dan E)
Tidak Dijual Terpisah
3
  • Collar, pegas katup, bagian atas (4)
Lihat Kit Servis
4
  • Collar, pegas katup, bagian bawah (4)
Lihat Kit Servis
5
  • Baut stud, port knalpot (4)
16715-83
6
  • Katup isap (2)
18190-08
7
  • Katup buang (2)
18183-03
8
  • Segel, katup (4)
18046-98
9
  • Unit pegas katup (4)
Lihat Kit Servis
10
  • Penahan, kerah katup (8). Juga disertakan dalam Kit 18281-02A
18240-98
11
  • Sumbat pelepasan kompresi otomatis (2)
16648-08
12
Medalion, "120R"
17136-10
13
Sekrup, kepala kancing, TORX (2)
94634-99
14
Sekrup, ulir internal, 3-3/16 inci (4)
16478-85A
15
Sekrup, ulir internal, 1-7/8 inci (4)
16480-92A
16
Busi (tidak ditampilkan) (2)
32186-10
Kit Servis:
A
Kit Pegas Katup, Screamin 'Eagle
18281-02A
Komponen Screamin' Eagle berikut tersedia secara terpisah:
B
Dudukan katup, pengisapan
18191-08
C
Dudukan katup, pembuangan
18048-98A
D
Pemandu katup, pengisapan (untuk servis)
  • (+ 0,003 inci)
18158-05
  • (+ 0,002 inci)
18156-05
  • (+ 0,001 inci)
18154-05
E
Pemandu katup, pembuangan (untuk servis)
  • (+ 0,003 inci)
18157-05
  • (+ 0,002 inci)
18155-05
  • (+ 0,001 inci)
18153-05
Gambar 10. Mesin Siap Pakai Untuk Balap SE120R Screamin' Eagle Pro
Tabel 14. Komponen Servis: Mesin Siap Pakai Untuk Balap SE120R Screamin' Eagle Pro
Item
Deskripsi (Jumlah)
Nomor Komponen
1
Sekrup kepala flensa heks 5/16-18 X 2-1/2 (tingkat 8) (8)
1039
2
Sekrup kepala heks 5/16-18 X 1.0, dengan pelat kunci (6)
3692A
3
Sekrup kepala heks 5/16-18 X 1-3/4, dengan pelat kunci (10)
3693A
4
Sekrup kepala heks 5/16-18 X 1-1/4, dengan pelat kunci (8)
3736B
5
Sekrup kepala heks 1/4-20 X 1-11/16 (tingkat 8), dengan pelat kunci, (4)
4400
6
Sekrup kepala soket 1/4-20 X 1, dengan pelat kunci (8)
4741A
7
Cincin 11/16 X 29/32 X 1/32 (4)
6762B
8
O-ring, penutup batang tekan (4)
11132A
9
O-ring, penutup batang tekan (4)
11145A
10
Cincin-O (2)
11270
11
Cincin-O (4)
11293
12
Gasket, rumah pelatuk klep (2)
16719-99B
13
Kit gasket, servis bubungan
17045-99D
14
Pelatuk klep, pengisapan depan, pembuangan belakang, dengan bushing (2)
17360-83A
15
Pelatuk klep, pengisapan belakang, pembuangan depan, dengan bushing (2)
17375-83A
16
Gasket, penutup pelatuk klep (2)
17386-99A
17
Bushing, pelatuk klep (8)
17428-57
18
Penutup pelatuk klep, (krom) (2)
17572-99
19
Rumah pelatuk klep, (krom) (2)
17578-10
20
Penutup pengangkat, depan (krom)
Penutup pengangkat, belakang (krom)
17964-99
17966-99
21
Penyangga, pelatuk klep (2)
17594-99
22
Rangkaian pengudara (2)
17025-03A
23
Poros, pelatuk klep (4)
17611-83
24
Kit batang tekan Perfect Fit (+0,030 inci)
18401-03
25
Penutup, batang tekan, bagian bawah (4)
17939-99
26
Tutup, pegas penutup (4)
17945-36B
27
Pegas, penutup batang tekan (4)
17947-36
28
Penutup, bagian atas batang tekan (4)
17948-99
29
Penahan, tutup pegas (4)
17968-99
30
Pin, antirotasi (2)
18535-99
31
Kit pengangkat hidraulis (Termasuk 4 pengangkat)
18572-13
32
Gasket, penutup pengangkat (2)
18673-07
33
Rakitan sekat, pengudara (2)
26500002
Gambar 11. Komponen Servis; Mesin Siap Pakai Untuk Balap SE120R Screamin' Eagle Pro
Tabel 15. Komponen Servis: Mesin Siap Pakai Untuk Balap SE120R Screamin' Eagle Pro
Item
Deskripsi (Jumlah)
Nomor Komponen
1
Cincin penahan
11177A
2
Set ring piston, standar (2)
Set ring piston, 0,010 inci lebih besar dari ukuran (2)
22526-10
22529-10
3
Kit piston, depan dan belakang, dengan set ring, pin piston dan ring kunci, standar
Kit piston, depan dan belakang, dengan set ring, pin piston, dan ring kunci, 0,010 inci lebih besar dari ukuran
22574-10
22576-10
4
Ring kunci, pin piston (4)
22097-99
5
Pin Piston (2)
22310-10
6
Kit unit roda gila
24100007
Gambar 12. Komponen Servis: Mesin Siap Pakai Untuk Balap SE120R Screamin' Eagle Pro
Tabel 16. Komponen Servis: Mesin Siap Pakai Untuk Balap SE120R Screamin' Eagle Pro
Item
Deskripsi (Jumlah)
Nomor Komponen
1
Sumbat (3)
765
2
2a
2b
Sekrup kepala flensa heks 5/16-18 X 3,0 inci (8)
Sekrup, kotak engkol tengah atas
Cincin Pengunci, penyegel
895
1105
1086A
3
Cincin pengunci (3)
6099
4
Cincin 1-1/4 x 1-53/64 x 1/8 (2)
8972
5
Kit bantalan jarum, (berisi 2 dalam kit)
24017-10
6
Cincin-O (2)
10930
7
Cincin-O (2)
11293
8
Segel oli
12068
9
Pin dowel (2)
16574-99A
10
Pin dowel (2)
16589-99A
11
Pin dowel (4)
16595-99A
12
Jet pendingin piston, dengan 10930 (2)
22315-06A
13
Kit bantalan, sisi kiri dengan 8972, 24605-07, 35114-02, dan bantalan bagian dalam
24004-03B
14
Spacer, poros sproket (hanya model Dyna)
24038-03
15
Set kotak engkol, (hitam) dengan baut 5, 12, 13, 16, 22, 24, dan 3983 (tidak ditampilkan)
24400031
16
Bantalan, utama (2)
24605-07
17
Kit dudukan filter oli, dengan kit pelat kunci, adaptor, dan O-ring
26261-99
18
Fitting, lurus (3)
26314-99
19
Adaptor, filter oli
26352-95A
20
O-Ring (2)
26432-76A
21
Kit pelat kunci dengan sekrup, O-ring, dan cincin
35071-99
22
Cincin penahan
35114-02
23
Filter oli (krom)
63798-99A
24
Sekrup, TORX ® 8-32 x 3/8 (4)
68042-99
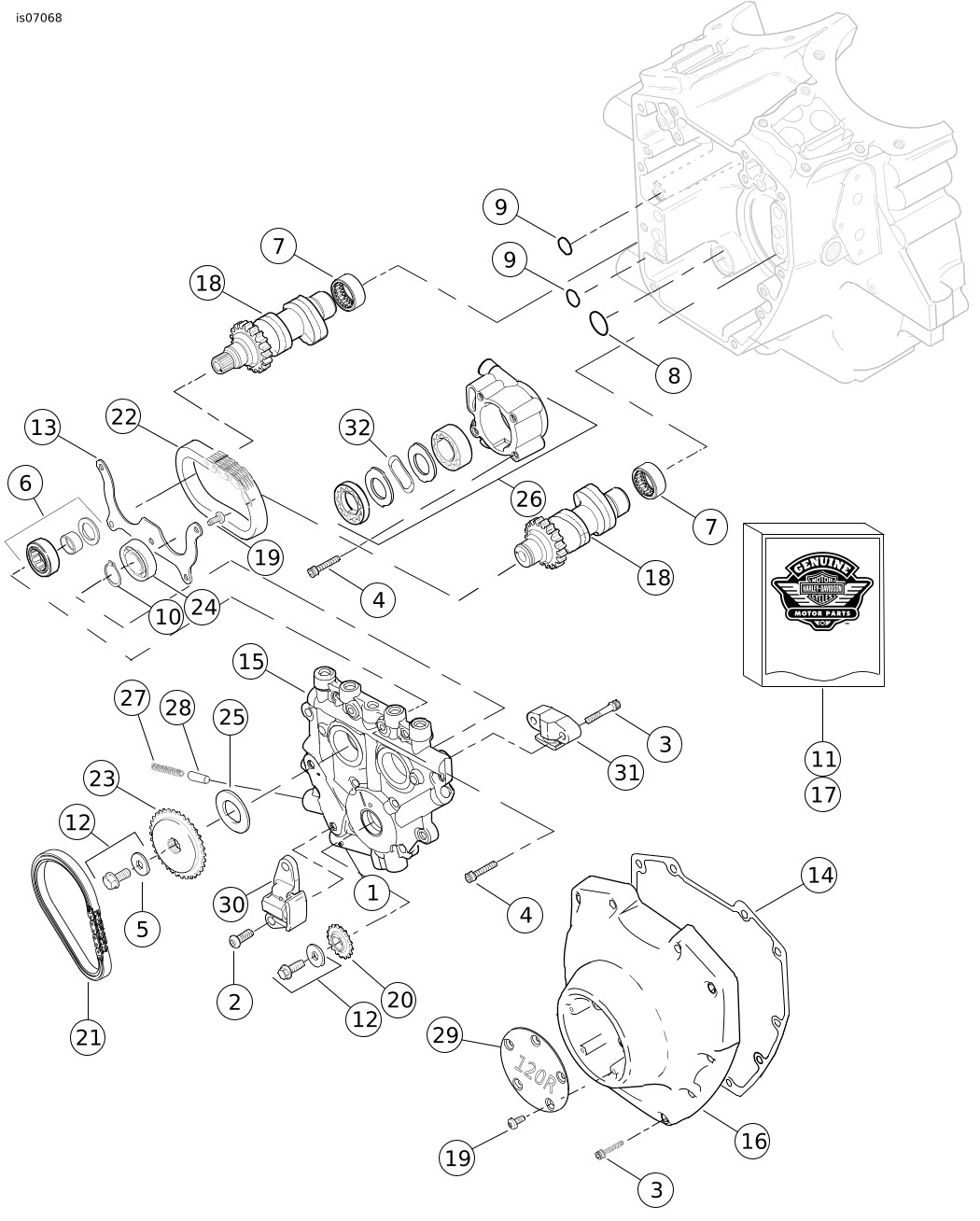
Gambar 13. Komponen Servis: Mesin Siap Pakai Untuk Balap SE 120R Screamin' Eagle Pro
Tabel 17. Komponen Servis: Mesin Siap Pakai Untuk Balap SE120R Screamin' Eagle Pro
Item
Deskripsi (Jumlah)
Nomor Komponen
1
Pin rol
601
2
Sekrup, penegang rantai bubungan primer (2)
942
3
Sekrup, penutup bubungan, 1/4-20 x 1-1/4, menonjol dengan lockpatch (tingkat 8), (10)
Sekrup, penegang bubungan sekunder, 1/4-20 x 1-1/4, tonjolan dengan pelat kunci (tingkat 8), (2)
4740A
4740A
4
Sekrup,1/4-20 X 1, kepala soket, dengan pelat kunci (8)
4741A
5
Cincin, 3/8 x 1-1/8 x 7/32
6294
6
Unit bantalan dengan bantalan, bantalan bagian dalam, cincin, dan O-ring
8983
7
Kit bantalan jarum, (berisi 2 dalam kit)
24017-10
8
Cincin-O
11293
9
Cincin-O (2)
11301
10
Cincin penahan
11494
11
Kit gasket, servis bubungan
17045-99D
12
Kit penahan sproket penggerak bubungan, dengan 6294, sekrup, dan cincin
25566-06
13
Pelat, penahan bantalan
1200018
14
Gasket, penutup cam
25244-99A
15
Pelat penyangga bubungan, dengan katup pintas
25400018
16
Penutup bubungan, (krom)
25369-01B
17
Rantai poros bubungan dan kit pengencang, dengan 25566-06, 25673-06, 25675-06, dan 25728-06
25585-06
18
Poros bubungan, kit depan dan belakang, SE266E
25400029
19
Sekrup, kepala TORX 8-32 x 3/8 (5)
68042-99
20
Sproket, penggerak bubungan pada poros engkol, 17 T
25673-06
21
Rantai, penggerak bubungan primer
25675-06
22
Rantai, penggerak bubungan sekunder
25607-99
23
Sproket, penggerak bubungan, 34 T
25728-06
24
Bantalan bola
8990A
25
Spacer, penyelarasan sproket penggerak bubungan, tebal 0,287 inci
Spacer, penyelarasan sproket penggerak bubungan, tebal 0,297 inci
Spacer, penyelarasan sproket penggerak bubungan, tebal 0,307 inci
Spacer, penyelarasan sproket penggerak bubungan, tebal 0,317 inci
Spacer, penyelarasan sproket penggerak bubungan, tebal 0,327 inci
Spacer, penyelarasan sproket penggerak bubungan, tebal 0,337 inci
Spacer, penyelarasan sproket penggerak bubungan, tebal 0,347 inci
Spacer, penyelarasan sproket penggerak bubungan, tebal 0,357 inci
25722-00
25723-00
25721-00
25719-00
25717-00
25725-00
11889
11890
26
Unit pompa oli
62400001
27
Pegas, katup pelepas
26210-99
28
Katup pelepas, pompa oli
26400-82B
29
Penutup, 120R
25495-10
30
Penegang rantai, rantai penggerak bubungan primer
39968-06
31
Penegang rantai, rantai penggerak bubungan sekunder
39969-06
32
Pegas, separator
40323-00