TONGKAT UKUR SUHU/LEVEL OLI DENGAN LCD
J046752023-08-26
UMUM
Nomor Komponen
Krom: 63004-09B, 63002-09B, 62955-09B, 62946-09B, 62974-09A, 62700005A, 62700009, 62700180A
Hitam: 63030-09B, 63055-09B, 63131-09B, 63065-09B, 62700011A, 62700194A
Kit Servis Tongkat Ukur (dengan Baterai Pengganti): 91800066A
Model
Untuk informasi kesesuaian model, baca katalog retail P&A atau bagian Komponen dan Aksesori di www.harley-davidson.com (hanya tersedia dalam Bahasa Inggris).
Isi Kit
PERINGATAN
Berisi baterai sel kancing/koin. Berbahaya jika tertelan, dapat mengakibatkan kematian atau cedera serius. (13807a)
Tidak ada komponen servis untuk unit LCD atau tongkat ukur. Baterai CR 2032 pengganti (No. Komponen 66373-06) tersedia untuk pembelian terpisah untuk semua tongkat ukur suhu/level oli.
Kit Servis Tongkat Ukur (No. Komponen 91800066), yang mencakup ring O, sekrup, dan baterai CR 2032 pengganti tersedia untuk model tertentu (lihat Tabel 1 dan Gambar 3 ).
PEMASANGAN TONGKAT UKUR DENGAN LCD
  1. Lepas tongkat ukur peralatan asli (OE) dari leher pengisi.
  2. Tongkat Ukur Tak Berulir: Beri sedikit oli pada O-ring di tongkat ukur LCD baru. Pasang tongkat ukur sehingga jendela tampilan : Dorong tongkat ukur ke dalam leher pengisi hingga terpasang dengan benar.
    1. horizontal,
    2. dibaca dari kiri ke kanan,
    3. dengan logo Bar and Shield di sebelah kiri (ke arah belakang).
  3. Tongkat Ukur Berulir: Beri sedikit oli O-ring. Putar masuk tongkat ukur ke dalam transmisi seperti tongkat ukur OE. Jika orientasi layar tidak memuaskan setelah terpasang dengan benar, lihat Penyesuaian Sudut Layar nanti dalam petunjuk ini.
CATATAN
Untuk mendapatkan pembacaan yang benar, tongkat ukur harus terpasang dengan benar sepenuhnya pada flensa.
PENGGUNAAN DAN PERAWATAN TONGKAT UKUR DENGAN LCD
Lepas tongkat ukur
Rakitan tongkat ukur harus dilepaskan dari leher pengisi untuk menambah oli atau memperbaiki baterai internal.
Menampilkan Suhu dan Level Oli
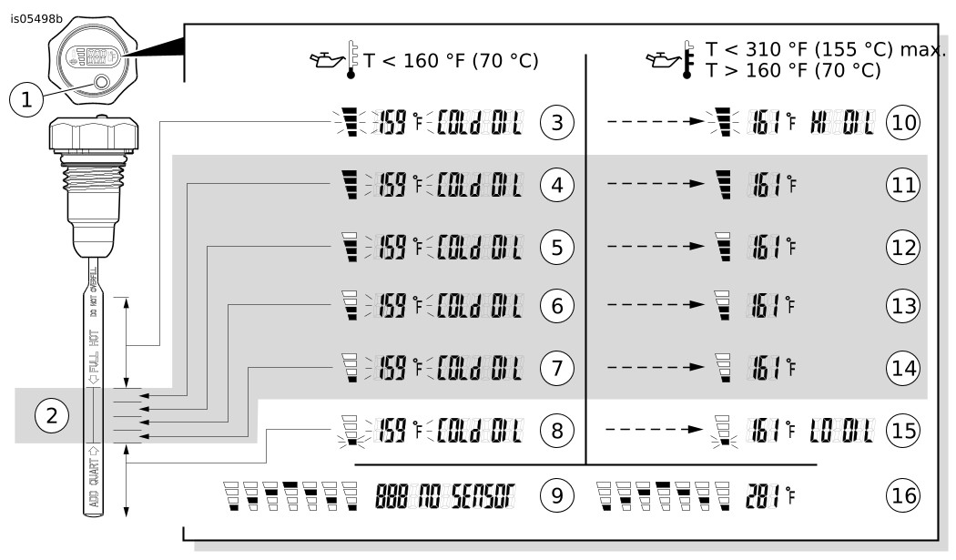
Lihat Gambar 1 . Tekan dan lepaskan tombol karet di sisi depan hingga muncul di layar:
  • Suhu oli dalam tangki oli diukur dalam derajat Fahrenheit (°F).
  • Level oli mesin.
Layar secara otomatis mati setelah sekitar sepuluh detik.
PEMBERITAHUAN
Jangan mengisikan oli terlalu penuh. Hal tersebut dapat menyebabkan oli terbawa ke pembersih udara dan menyebabkan kerusakan perlengkapan dan/atau malafungsi perlengkapan. (00190b)
CATATAN
Level oli tidak dapat diukur dengan akurat:
  • pada mesin yang dingin
  • Dengan posisi sepeda motor tegak
  • Dengan mesin yang menyala
Pada model Softail 2000-2004 dengan tongkat ukur asli, level oli diperiksa dengan sepeda motor tegak (TIDAK bersandar pada standar samping).
Pada model Softail 2000-setelahnya dengan tongkat ukur suhu/level oli dengan LCD , pemeriksaan level oli harus dilakukan dengan sepeda motor di permukaan yang rata, BERSANDAR pada standar samping.
Untuk memeriksa level oli sebelum berkendara:
Dengan sepeda motor di permukaan yang rata, BERSANDAR pada standar samping :
  • Level oli yang tepat akan seperti yang ditunjukkan dalam Gambar 1 , tampilan 4 hingga 8 (bar yang menunjukkan level oli dan suhu oli berkedip, diikuti oleh pesan OLI DINGIN saat mesin dingin). JANGAN MENAMBAHKAN OLI hingga mencapai tanda FULL pada tongkat ukur di mesin yang DINGIN.
  • Jika level oli seperti pada tampilan 9 (pengukur level bergerak, diikuti dengan kode “888 NO SENSOR”), kabel di dalam tongkat ukur mungkin terlepas atau rusak. Lihat bagian Penggantian Baterai di bawah dalam petunjuk ini tentang cara memisahkan rakitan tongkat pengukur atas dan bawah. Jika steker kecil di sebelah baterai terlepas dari soket, sambungkan kembali. Jika kabel terlihat rusak, dapat dicoba melakukan perbaikan. Jika tidak ada kerusakan yang terlihat, kerusakan tongkat ukur ada di dalam dan perlu diganti.
Untuk pemeriksaan level oli pada suhu pengoperasian: Biarkan mesin sepeda motor tetap menyala hingga mencapai suhu pengoperasian normal.
Model Softail: Diamkan sepeda motor menyala selama 1-2 menit dalam posisi TEGAK. Matikan mesin. Sandarkan motor dengan standar samping.
Semua Model KECUALI Softail: Diamkan sepeda motor menyala selama 1-2 menit di permukaan tanah datar BERSANDAR pada standar samping Matikan mesin.
  • Adanya gelembung dalam oli dapat menyebabkan pembacaan yang tidak akurat. Tunggu dua menit sampai oli mengendap dan gelembung apa pun muncul ke permukaan.
  • Tekan dan lepaskan tombol karet di bagian depan tongkat ukur suhu/level oli dengan LCD untuk menampilkan suhu dan level oli di tangki oli. Level oli yang tepat akan seperti yang ditunjukkan dalam Gambar 1 , tampilan 11-14.
  • Jika level oli menunjukkan hal yang sama seperti pada Tampilan 10 atau 15, lihat bagian PEMERIKSAAN PANAS LEVEL OLI di manual pemilik untuk prosedur pengisian oli yang benar.
  • Jika level oli menunjukkan seperti pada tampilan 9 (pengukur level bergerak diikuti dengan kode "888 NO SENSOR"), tongkat ukur tidak berfungsi dengan benar. Lihat petunjuk untuk pemeriksaan sebelum berkendara .
Mengubah Mode Tampilan
Untuk mengubah tampilan agar dibaca dalam derajat Celcius (°C):
  • Tekan dan tahan di tombol selama sekitar lima detik.
  • Lepas tombol..
Setelah itu, tekan dan lepaskan tombol menampilkan suhu dalam "°C".
Ubah kembali ke layar "°F" dengan cara yang sama.
Tampilan suhu/level oli yang berkepanjangan
Tekan tombol dua kali berturut-turut dengan cepat agar layar tetap menyala dalam waktu lama. Layar akan mati secara otomatis setelah sekitar dua menit. Untuk mematikan layar lebih cepat secara manual, tekan tombol sekali.
1Tombol karet
2Kisaran level oli yang sesuai, mesin pada suhu pengoperasian normal, sepeda motor bertumpu pada standar, di permukaan tanah yang rata
3Muncul saat level oli terlalu penuh, suhu oli di bawah 160 °F (70 °C).
4Muncul saat level oli penuh, suhu oli di bawah 160 °F (70 °C).
5Muncul saat level oli serendah 0,25 quart (0,24 L), suhu oli di bawah 160 °F (70°C).
6Muncul saat level oli serendah 0,5 quart (0,47 L), suhu oli di bawah 160 °F (70°C).
7Muncul saat level oli serendah 0,75 quart (0,71 L), suhu oli di bawah 160 °F (70°C).
8Muncul saat level oli serendah 1,0 quart (0,95 L), suhu oli di bawah 160 °F (70°C).
9Muncul saat ada kabel terputus atau rusak.
10Muncul saat level oli terlalu penuh, suhu oli 160 °F (70 °C) atau lebih tinggi.
11Muncul saat level oli penuh, suhu oli 160 °F (70 °C) atau lebih tinggi.
12Muncul saat level oli serendah 0,25 quart (0,24 L), suhu oli 160 °F (70°C) atau lebih tinggi.
13Muncul saat level oli serendah 0,5 quart (0,47 L), suhu oli 160 °F (70°C) atau lebih tinggi.
14Muncul saat level oli serendah 0,75 quart (0,71 L), suhu oli 160 °F (70°C) atau lebih tinggi.
15Muncul saat level oli serendah 1,0 quart (0,95 L), suhu oli 160 °F (70°C) atau lebih tinggi.
16Muncul saat suhu oli di atas 280 °F (138 °C).
Gambar 1. Tongkat Ukur Suhu/Level Oli dengan LCD
Menampilkan Kesalahan
Kode kesalahan "888 NO SENSOR" dan bilah level bergerak ( Gambar 1 , tampilan 9) menunjukkan kabel yang terputus atau rusak.
Ketika tingkat daya baterai tongkat ukur turun di bawah 2,4 V, lampu latar LED akan tidak berfungsi, dan simbol baterai (lihat Gambar 2 ) mulai berkedip.
CATATAN
Untuk membantu mencegah kegagalan komponen elektronik internal, tongkat ukur tidak bisa mengukur level oli saat suhu oli melebihi 138 °C (280 °F). Tampilan pengukur level bergerak, juga dengan suhu ( Gambar 1 , tampilan 16), hingga pembacaan maksimum 155 °C (310 °F).
Suhu tinggi tidak merusak tongkat ukur.
Pembacaan pengukuran level oli dilanjutkan ketika suhu oli turun di bawah 138 °C (280 °F).
Gambar 2. Simbol Baterai
Menyesuaikan Sudut Tampilan
Saat tongkat ukur suhu/level oli dengan LCD pertama kali dipasang dan terpasang sepenuhnya, orientasi terbaik dari tampilan adalah sejajar sepeda motor agar mudah dibaca. Pada tongkat ukur bodi berulir, jika tampilan diputar ke sudut pandang yang tidak tepat, ikuti langkah-langkah berikut:
CATATAN
Lihat Gambar 3 . Berhati-hatilah saat memisahkan bodi tampilan atas (A) dan rakitan tongkat ukur bawah (B).
  1. Lepaskan keempat sekrup kepala Phillips kecil (2) di bagian bawah badan layar.
  2. Tarik perlahan unit tongkat ukur bawah dari badan layar atas, berhati-hatilah agar kabel tidak terjepit. Pisahkan rakitan atas dan bawah dengan hati-hati.
  3. CATATAN
    Pada model bodi berulir, rakitan tongkat ukur bawah dapat diputar relatif terhadap bodi layar atas di salah satu dari delapan posisi. Pilih posisi yang mengarahkan layar sedekat mungkin ke posisi paralel.
  4. Putar rakitan tongkat ukur bawah ke posisi yang sesuai. Pasang dengan hati-hati jangan sampai menjepit kabel atau cincin penyegel silikon. Pasang keempat sekrup. Kencangkan.
Mengganti Baterai
Tampilan tongkat ukur suhu/ketinggian oli dengan LCD ditenagai oleh baterai litium CR 2032 yang tahan lama dan dapat diganti. Jika diperlukan penggantian baterai, gunakan hanya baterai CR 2032.
  • Baterai CR 2032 pengganti (No. Komponen 66373-06) tersedia di dealer Harley-Davidson. Baterai ini juga tersedia secara luas di toko baterai lokal.
  • Model tertentu memerlukan pembelian Kit Servis Tongkat Ukur (No. Komponen 91800066), tersedia di dealer Harley-Davidson. Kit ini mencakup ring O, sekrup dan baterai CR 2032 pengganti (lihat Gambar 3 dan Tabel 1 ).
PEMBERITAHUAN
Baca instruksi berikut ini dan pastikan Anda memahami benar instruksi yang diberikan sebelum Anda mengganti baterai. Jika Anda tidak memahami prosedur penggantian, atau Anda tidak memiliki alat yang tepat, minta dealer Harley-Davidson untuk mengganti baterai. Pemasangan baterai yang tidak benar dapat menyebabkan kerusakan produk. (00419b)
CATATAN
Lihat Gambar 3 . Tandai komponen bodi layar atas (A) dan tongkat ukur (B) bawah sebelum dibongkar, sehingga dapat dirakit sejajar dengan rotasi yang sama. Berhati-hatilah saat memisahkan kedua komponen tersebut.
  1. Lepaskan keempat sekrup kepala Phillips kecil (2) di bagian bawah badan layar.
  2. Tarik perlahan unit bawah dari badan layar atas, berhati-hatilah agar kabel tidak terjepit. Pisahkan rakitan atas dan bawah dengan hati-hati.
  3. Perhatikan orientasi baterai. Dengan menggunakan obeng cungkil atau obeng kecil, masukkan alat dengan hati-hati ke bawah baterai (4). Cungkil dengan hati-hati dan lepaskan baterai dan buang. Masukkan baterai baru seperti yang ditunjukkan. Tekan baterai ke bawah hingga terpasang.
  4. CATATAN
    Jika ada, lepaskan dan ganti ring O merah tipis (3).
    Ring O tipis dapat menempel pada setengah bagian dari rakitan.
    • Pastikan ring O yang ada telah dilepas seluruhnya sebelum memasang ring O baru .
    • Tempatkan ring O tipis baru dengan hati-hati di bagian bawah rakitan (B) sebelum bagian dipasang kembali.
  5. Sejajarkan rakitan bawah (B) dengan bodi bagian atas (A). Pasang kedua bagian dalam orientasi rotasi yang sama seperti sebelum pembongkaran. Jangan menjepit kabel atau ring O tipis. Pasang keempat sekrup. Kencangkan.
  6. Jika ada, lepaskan dan ganti ring O tebal (1) sebelum pemasangan tongkat ukur. Masukkan tongkat ukur ke leher pengisi.
  7. Periksa pengoperasian yang benar dengan menekan tombol karet di muka depan. Lihat Penggunaan dan Perawatan Tongkat Ukur LCD .
Kit Servis Tongkat Ukur
Tabel 1. Kit Servis Tongkat Ukur
Kit
Item
Deskripsi (Jumlah)
Nomor Komponen
Kit 91800066
Kit Servis Tongkat Ukur
1
Ring O, tebal ( tidak diperlukan untuk model Softail atau Touring 2002-2006)
Tidak dijual terpisah
2
Sekrup, kepala Phillips, khusus (4)
Tidak dijual terpisah
3
Ring O, tipis ( tidak diperlukan untuk model XL Sportster 2004-Setelahnya)
Tidak dijual terpisah
4
Baterai (CR2032)
66376-06
Item yang disebutkan dalam teks:
A
Bodi layar atas
B
Rakitan tongkat ukur bawah
Gambar 3. Kit Servis Tongkat Ukur
Sifat dari Penampil Kristal Cair (LCD)
Karena sifat layar LCD, pembacaan tidak menampilkan suhu oli dengan benar saat terpapar suhu berlebihan yang disebabkan oleh perpindahan panas dari kotak transmisi atau tangki oli.
Kondisi ekstrim ini dapat terjadi selama berhenti dan mulai atau saat sepeda motor melaju dengan kecepatan rendah (kecepatan parade) dengan adanya suhu lingkungan yang tinggi. Jika situasi ini terjadi, JANGAN khawatir. Layar LCD tidak rusak, dan akan kembali ke pengoperasian yang semestinya saat layar LCD mencapai suhu pengoperasian sedang.
Harap dicatat, setelah lama terpapar sinar matahari langsung yang cerah, beberapa atau semua bagian layar LCD dapat terlihat, memberikan tampilan pembacaan yang salah tanpa menekan tombol karet. Tampilan ini dapat diatasi dengan menaungi layar hingga suhu depan cukup dingin untuk mendapatkan pembacaan yang benar.