מדיד שמן עם תצוגת LCD של טמפרטורת השמן/מפלס השמן
J046752023-08-26
כללי
מספרי חלק
כרום: 63004-09B, 63002-09B, 62955-09B, 62946-09B, 62974-09A, 62700005A, 62700009, 62700180A
שחור: 63030-09B, 63055-09B, 63131-09B, 63065-09B, 62700011A, 62700194A
ערכת שירות למדיד השמן (עם סוללה חלופית): 91800066A
דגמים
למידע אודות התאמה לדגם, עיין בסעיף P & A בקטלוג הקמעונאי או בפרק על חלקים ואביזרים של www.harley-davidson.com (אנגלית בלבד).
תכולת הערכה
אזהרה
כלולה בפנים סוללת כפתור או מטבע. מסוכן במקרה של בליעה, עלול לגרום למוות או לפציעה חמורה. (13807a)
אין חלקי שירות למכלול ה-LCD או מדיד השמן. סוללת CR 2032 חלופית (מס' חלק 66373-06) זמינה לרכישה בנפרד לכל המדידים של טמפרטורת השמן/מפלס השמן.
ערכת שירות למדיד השמן (מס' חלק 91800066), הכוללת טבעות O, ברגים וכן סוללת CR 2032 חלופית זמינה עבור דגמים מסוימים (ראה טבלה 1 ו- איור 3 ).
התקנת מדיד שמן עם תצוגת LCD
  1. הסר את מדיד השמן המקורי (OE) מצוואר פתח המילוי.
  2. מדיד שמן ללא תבריגים: שמן קלות את טבעת ה-O במדיד השמן החדש עם תצוגת LCD. התקן את מדיד השמן כך שחלון הצג במצב: דחוף את המדיד ישירות לתוך צוואר פתח המילוי עד שייכנס למקום.
    1. באופן אופקי,
    2. ניתן לקריאה משמאל לימין,
    3. כשסמל הפס והמגן בצד שמאל (בכיוון הצד האחורי).
  3. מדיד שמן עם תבריגים: שמן קלות את טבעת ה-O. הברג את מדיד השמן לתוך תיבת ההילוכים בדומה למדיד השמן המקורי. אם כיוון הצג אינו כמתבקש לאחר שבוצעה ההכנסה המלאה למקום, עיין בנושא כוונון זווית הצג המופיע בהמשך הוראות אלו.
הערה
כדי לוודא שהקריאות יהיו נכונות, מדיד השמן חייב להיות מוכנס במלואו היטב ובצמוד לאוגן.
שימוש וטיפול במדיד שמן עם תצוגת LCD
הסרת מדיד השמן
חובה להסיר את מכלול מדיד השמן מצוואר פתח המילוי כדי להוסיף שמן או לצורך תחזוקת הסוללה הפנימית.
הצגת הטמפרטורה והמפלס של השמן
ראה איור 1 . לחץ ושחרר את לחצן הגומי שבצד הקדמי כדי להציג את:
  • טמפרטורת השמן במיכל השמן במעלות פרנהייט (°F).
  • מפלס שמן המנוע.
הצג כבה באופן אוטומטי לאחר כעשר שניות.
התראה
אל תמלא שמן יתר על המידה. כתוצאה מכך שמן עלול לגלוש למסנן האוויר ולגרום נזק לציוד ו/או לתקלה בציוד. (00190b)
הערה
לא ניתן למדוד את מפלס השמן בצורה מדויקת:
  • כשהמנוע קר
  • כשהאופנוע במצב זקוף
  • כשהמנוע פועל
בדגמי Softail מהשנים 2000-2004 המצוידים במדיד שמן מקורי, יש לבדוק את מפלס השמן כשאופנוע עומד במצב זקוף (לא כשהוא נשען על רגלית הצד השמאלית).
בדגמי Softail משנת 2000 ואילך המצוידים במדיד שמן עם תצוגת LCD של טמפרטורת השמן/מפלס השמן, יש לבדוק את מפלס השמן כשהמנוע ניצב על קרקע אופקית, כשהוא נשען על רגלית הצד השמאלית.
לצורך בדיקת מפלס השמן לפני נסיעה:
כשהאופנוע ניצב על קרקע אופקית, ונשען על רגלית הצד השמאלית :
  • מפלס השמן התקין צריך להיות כפי שמצוין ב- איור 1 , תצוגה 4-8 (הפסים מראים את מפלס השמן וטמפרטורת השמן מהבהבת, ולאחר מכן תופיע ההודעה "COLD OIL" (שמן קר) כשהמנוע קר). אל תוסיף שמן כדי שהמפלס יגיע לסימון FULL במדיד השמן כשהמנוע קר.
  • אם מפלס השמן מופיע כפי שהוא נראה בתצוגה 9 (פסי מפלס נעים שאחריהם הקוד "‎888 NO SENSOR" (888 אין חיישן), ייתכן שהחוטים בתוך מדיד השמן מנותקים או פגומים. עיין בנושא החלפת הסוללה בהמשך הוראות אלה למידע על הפרדת המכלול העליון מהמכלול התחתון. אם התקע הקטן הסמוך לסוללה יצא ממקומו בבית, חבר אותו. אם ניתן לראות פגם בחוט, ניתן לנסות לבצע תיקון. אם אין פגם שניתן לראות, יש נזק פנימי במדיד השמן ויש להחליפו.
לצורך בדיקת מפלס השמן בטמפרטורת עבודה: הנח לאופנוע לפעול עד שהמנוע יגיע לטמפרטורת העבודה הרגילה.
דגמי Softail: הנח לאופנוע לפעול בסיבובי סרק במשך 1-2 דקות כשהוא במצב זקוף. דומם את המנוע. השען את האופנוע על רגלית הצד השמאלית.
דגמים למעט Softail: הנח לאופנוע לפעול בסיבובי סרק במשך 1-2 דקות כשהוא על קרקע ישרה, ונשען על רגלית הצד השמאלית. דומם את המנוע.
  • בועות בשמן עלולות לגרום לקריאות לא מדויקות. המתן שתי דקות עד שהשמן יתייצב ובועות כלשהן יעלו מעלה לפני השמן.
  • לחץ ושחרר את לחצן הגומי בצד הקדמי של מדיד השמן עם תצוגת ה-LCD של טמפרטורת השמן/מפלס השמן כדי להציג את טמפרטורת השמן ומפלס השמן במיכל השמן. מפלס השמן התקין צריך להיות כפי שמצוין ב- איור 1 , תצוגה 11-14.
  • אם מפלס השמן מופיע כפי שהוא נראה בתצוגה 10 או 15, עיין בנושא "בדיקת מפלס שמן חם" במדריך למשתמש למידע על הנוהל התקין להוספת שמן.
  • אם מפלס השמן מופיע כפי שהוא נראה בתצוגה 9 (פסי מפלס נעים שאחריהם הקוד "‎888 NO SENSOR" (888 אין חיישן), מדיד השמן אינו פועל באופן תקין. עיין בהוראות לגבי בדיקה לפני הנסיעה .
שינוי מצב התצוגה
כדי לשנות את התצוגה ליחידות צלזיוס (‎°C):
  • לחץ והחזק את הלחצן למשך כחמש שניות.
  • שחרר את הלחצן.
מעתה והלאה, לחיצה על הלחצן ושחרורו תציג את הטמפרטורה ביחידות צלזיוס "‎°C".
כדי לשנות את התצוגה חזרה ליחידות פרנהייט "°F" יש לפעול באותו אופן.
תצוגה ממושכת של הטמפרטורה/המפלס
לחץ על הלחצן פעמיים רצופות במהירות כדי שהתצוגה תופיע לזמן ממושך. הצג יכבה אוטומטית לאחר כשתי דקות. כדי לכבות את הצג מוקדם יותר באופן ידני, לחץ על הלחצן פעם אחת.
1לחצן גומי
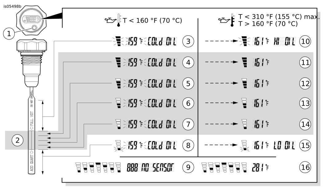
2תחום מפלס שמן תקין, מנוע בטמפרטורת עבודה רגילה, האופנוע נשען על הרגלית, על קרקע אופקית
3התצוגה מופיעה כשמיכל השמן מלא יתר על המידה, טמפרטורת השמן נמוכה מ-70°C ‏(160°F).
4התצוגה מופיעה כשמיכל השמן מלא, טמפרטורת השמן נמוכה מ-70°C ‏(160°F).
5התצוגה מופיעה כשחסרים במיכל השמן 0.24 ל', טמפרטורת השמן נמוכה מ-70°C ‏(160°F).
6התצוגה מופיעה כשחסרים במיכל השמן 0.47 ל', טמפרטורת השמן נמוכה מ-70°C ‏(160°F).
7התצוגה מופיעה כשחסרים במיכל השמן 0.71 ל', טמפרטורת השמן נמוכה מ-70°C ‏(160°F).
8התצוגה מופיעה כשחסרים במיכל השמן 0.95 ל', טמפרטורת השמן נמוכה מ-70°C ‏(160°F).
9התצוגה מופיעה כשיש חוט מנותק או פגום.
10התצוגה מופיעה כשמיכל השמן מלא יתר על המידה, טמפרטורת השמן היא 70°C ‏(160°F) ומעלה.
11התצוגה מופיעה כשמיכל השמן מלא, טמפרטורת השמן היא 70°C ‏(160°F) ומעלה.
12התצוגה מופיעה כשחסרים במיכל השמן 0.24 ל', טמפרטורת השמן היא 70°C ‏(160°F) ומעלה.
13התצוגה מופיעה כשחסרים במיכל השמן 0.47 ל', טמפרטורת השמן היא 70°C ‏(160°F) ומעלה.
14התצוגה מופיעה כשחסרים במיכל השמן 0.71 ל', טמפרטורת השמן היא 70°C ‏(160°F) ומעלה.
15התצוגה מופיעה כשחסרים במיכל השמן 0.95 ל', טמפרטורת השמן היא 70°C ‏(160°F) ומעלה.
16התצוגה מופיעה כשטמפרטורת השמן היא 138°C ‏(280°F).
איור 1. מדיד שמן עם תצוגת LCD של טמפרטורת השמן/מפלס השמן
שגיאות תצוגה
קוד השגיאה "‎888 NO SENSOR" (888 אין חיישן) ופסי מפלס נעים ( איור 1 , תצוגה 9) מציינים חוט מנותק או פגום.
כשעוצמת המתח של סוללת מדיד השמן יורדת מתחת ל-2.4V, מושבתת תאורת ה-LED ברקע, וסמל הסוללה (ראה איור 2 ) מתחיל להבהב.
הערה
כדי לסייע במניעת תקלה ברכיבים האלקטרוניים בפנים, מדיד השמן איננו מודד את מפלס השמן כש טמפרטורת השמן גבוהה מ-138°C ‏(280°F). תצוגת פסים נעים, לצד הטמפרטורה ( איור 1 , תצוגה 16), עד קריאה מרבית של 155°C ‏(310°F).
הטמפרטורה הגבוהה אינה גורמת נזק למדיד השמן.
הקריאה של מדידת המפלס תתחדש כשטמפרטורת השמן יורדת מתחת ל-138°C ‏(280°F).
איור 2. סמל סוללה
כוונון זווית הצג
כאשר מתקינים בהתחלה את מדיד שמן עם תצוגת LCD של טמפרטורת השמן/מפלס השמן ומכניסים אותו במלואו למקומו, מומלץ שהתצוגה תימצא במקביל לרכב לצורך קריאה נוחה. במדידי שמן עם תבריג על גופם, אם מסובבים את התצוגה לזווית צפייה לא מתאימה, פעל באופן הבא:
הערה
ראה איור 3 . היזהר בעת הפרדת הגוף העליון של הצג (A) מהמכלול התחתון של מדיד השמן (B).
  1. הסר את ארבעת בורגי הפיליפס הקטנים (2) שבצד התחתון של גוף הצג.
  2. היזהר מאוד שלא למתוח את החיווט, ושלוף בזהירות את המכלול התחתון של מדיד השמן מחוץ לגוף העליון של הצג. הפרד בזהירות את המכלול העליון מהמכלול התחתון.
  3. הערה
    בדגמים עם גוף מתוברג ניתן לסובב את המכלול התחתון של מדיד השמן ביחס לגוף העליון של הצג לאחד מבין שמונה מיקומים. בחר את המיקום שבו הצג יימצא קרוב ככל האפשר למישור מקביל.
  4. סובב את המכלול התחתון של מדיד השמן למיקום מתאים. הרכב, והיזהר שלא למעוך את החיווט או את טבעת האטם מסיליקון. התקן את ארבעת הברגים. הדק היטב.
החלפת הסוללה
סוללת ליתיום CR 2032 בעלת חיי שירות ארוכים, הניתנת להחלפה, מספקת מתח לצג ה-LCD של טמפרטורת השמן. כאשר צריך להחליף את הסוללה, השתמש רק בסוללת CR 2032.
  • ניתן להשיג סוללת CR 2032 חלופית (מס' חלק 66373-06) מסוכן של Harley-Davidson. סוללות אלה גם זמינות ונפוצות בחנויות המוכרות סוללות.
  • בדגמים מסוימים נדרשת רכישה של ערכת שירות למדיד שמן (מס' חלק 91800066), שאותה ניתן להשיג אצל סוכן Harley-Davidson. ערכה זו כוללת טבעות O, ברגים וכן סוללת CR 2032 חלופית (ראה איור 3 ו- טבלה 1 ).
התראה
קרא את ההוראות הבאות וודא שאתה מבין אותן במלואן לפני החלפת המצבר. אם ההליך הוא אינו נמצא בגבולות היכולת שלך או אין לך את הכלים הנכונים, בצע את החלפת המצבר בסוכנות Harley-Davidson. התקנה לא נכונה עלולה לגרום נזק למוצר זה. (00419b)
הערה
ראה איור 3 . סמן את הרכיבים של הגוף העליון של הצג (A) ושל מדיד השמן התחתון (B) לפני הפירוק, כך שניתן יהיה להרכיב אותם באותו כיוון סיבוב זה ביחס לזה. היזהר בעת הפרדת שני הרכיבים.
  1. הסר את ארבעת בורגי הפיליפס הקטנים (2) שבצד התחתון של גוף הצג.
  2. היזהר מאוד שלא למתוח את החיווט, ושלוף בזהירות את המכלול התחתון מחוץ לגוף העליון של הצג. הפרד בזהירות את המכלול העליון מהמכלול התחתון.
  3. שים לב לכיוון הסוללה. השתמש בכלי חולץ מכאני או מברג קטן, והכנס אותו בזהירות מתחת לסוללה (4). חלוץ ושחרר בעדינות את הסוללה והשלך אותה. הכנס את הסוללה החדשה כמוצג. דחוף את הסוללה מטה עד שתיכנס למקומה.
  4. הערה
    הסר והחלף את טבעת ה-O האדומה הדקה (3), אם קיימת.
    טבעת ה-O הדקה עשויה להיצמד לכל אחד מחצאי המכלול.
    • ודא שטבעת ה-O הקיימת הוסרה לגמרי לפני התקנת טבעת ה-O החדשה .
    • שים בזהירות את טבעת ה-O הדקה החדשה על המכלול התחתון (B) לפני חיבור מחדש של שני החצאים.
  5. מקם את המכלול התחתון (B) מול הגוף העליון (A). חבר את שני החלקים תוך שמירה על אותו כיוון סיבוב שהיה לפני הפירוק. אל תמעך את החיווט או טבעת ה-O הדקה. התקן את ארבעת הברגים. הדק היטב.
  6. הסר והחלף את טבעת ה-O הדקה (1), אם קיימת, לפני התקנת מדיד השמן. הכנס את מדיד השמן לתוך צוואר פתח המילוי.
  7. בדוק פעולה תקינה בלחיצה על לחצן הגומי בצד הקדמי. עיין בנושא שימוש וטיפול במדיד שמן עם תצוגת LCD .
ערכת שירות למדיד שמן
טבלה 1. ערכת שירות למדיד שמן
ערכה
פריט
תיאור (כמות)
מספר חלק
ערכה 91800066
ערכת שירות למדיד שמן
1
טבעת O, עבה ( אינה דרושה לדגמי Softail או לדגמי Touring מהשנים 2002-2006)
לא נמכר בנפרד
2
בורג, ראש פיליפס, מיוחד (4)
לא נמכר בנפרד
3
טבעת O, דקה ( אינה דרושה לדגמי XL Sportster משנת 2004 ואילך)
לא נמכר בנפרד
4
סוללה (CR2032)
66376-06
פריטים שהוזכרו בטקסט.
A
גוף עליון של הצג
B
מכלול תחתון של מדיד השמן
איור 3. ערכת שירות למדיד שמן
מאפייני צג הגביש הנוזלי (LCD)
בשל מאפייניו של צג ה-LCD, הקריאה של תצוגת טמפרטורת השמן אינה מוצגת באופן תקין כאשר הוא חשוף לטמפרטורות גבוהות מאוד עקב העברת חום מתיבת התמסורת או מיכל השמן.
טמפרטורות גבוהות מאוד אלה להיווצר בתנאי תנועה של עצור-וסע ו/או במהלך נסיעה איטית בשיירה בשילוב טמפרטורת סביבה חיצונית גבוהה. במקרה כזה, אין צורך להיבהל. לא נגרם כל נזק לצג ה-LCD, והוא יחזור לפעול באופן תקין כאשר הוא יחזור לטמפרטורת העבודה הרגילה שלו.
כמו כן, שים לב כי אחרי חשיפה ממושכת וישירה לאור שמש בוהק, ייתכן שחלק מהמקטעים בצג ה-LCD או כולם ייהפכו גלויים לעין, ו למראית עין יתקבל הרושם שהקריאה בתצוגה אינה תקינה גם ללא ללחיצה על לחצן הגומי. ניתן לטפל בבעיית תצוגה זו על-ידי הנחת הצג בצל עד שטמפרטורת הצג תתקרר במידה מספקת, כך שתושג קריאה תקינה.