ערכת גלגל KNOCKOUT בהתאמה אישית
J065772021-10-19
כללי
אזהרה
הבטיחות של הרוכב תלויה בהתקנה נכונה של הערכה הזאת. בכלי רכב המצוידים בבלמי ABS יש לבצע את ההתקנה אצל סוכן. התקנה נכונה של ערכה זו מחייבת שימוש בכלים מיוחדים הנמצאים אך ורק אצל סוכן Harley-Davidson. טיפול לא נכון במערכת הבלימה עלול לפגום בביצועי הבלם, וכתוצאה מכך לגרום למוות או פגיעה חמורה. (00578b)
אזהרה
התקן אך ורק גלגלים וערכות התקנה המאושרים לדגם האופנוע שלך. צור קשר עם סוכן Harley-Davidson כדי לוודא התאמה. אי התאמה של גלגלים וערכות התקנה או התקנת גלגלים שאינם מאושרים עבור הדגם שלך עלולות לגרום לאובדן שליטה, וכתוצאה מכך לגרום למוות או פציעה חמורה. (00610c)
מספר ערכה
43300494 ו-43300496
דגמים
למידע אודות התאמת דגם עיין בסעיף P & A בקטלוג הקמעונאי או בפרק על חלקים ואביזרים של www.harley-davidson.com (אנגלית בלבד).
תכולת הערכה
דרישות התקנה
התקנה נכונה של ערכה זו מחייבת את הפריטים המיוחדים הבאים.
דרישות עבור הנמכת המזלג הקדמי:
  • Loctite ® 565 חומר אטימה לתבריגים (99818-97)
  • Harley-Davidson ® Seal Grease (גריז איטום) (11300005)
  • מחזיק צינור מזלג (HD-41177)
  • כלי תותב המרווח/אטם המזלג (HD-45305)
  • מד מפלס שמן במזלג קדמי (HD-59000B)
  • כלי לכיווץ קפיץ מזלג קדמי (HD-45966)
  • כלי הארכה (HD-45966-1)
דרישות עבור גלגל Knockout קדמי 21 אינץ':
כיסויי נוי (”צלחות“) לגלגל אינם מתאימים לגלגל זה.
  • ערכת התקנה לגלגל ללא ABS ‏(41455-08C), עם ABS ‏(41454-08B)
  • (10) ברגים לדיסק הבלם/הטבור (3655A) או (2) ערכות של בורגי כרום (46646-05)
  • כלי להסרה ולהתקנה של מסב גלגל (94134-09)
  • צמיג: (43100008)
  • רוטורים: עיין בקטלוג למידע על רוטורים מאושרים להתקנה.
  • כנף: עיין בקטלוג למידע על כנפיים מאושרות להתקנה.
דרישות עבור גלגל Knockout אחורי 18 אינץ':
  • ערכת התקנה לגלגל ללא ABS ‏(41456-08C), עם ABS ‏(41453-08C)
  • (5) ברגים לדיסק בלם (43567-92 או 46647-05)
  • כלי להסרה ולהתקנה של מסב גלגל (94134-09)
  • צמיג: (44006-09)
חלקים נוספים מומלצים
אביזרי המנוע המקוריים של Harley-Davidson הבאים מומלצים עבור תחזוקה הולמת וניקוי:
  • Harley ® Bright Chrome Cleaner (חומר הברקה לכרום, 94683-99)
  • Harley ® Glaze Polish and Sealant (חומר הברקה ואיטום, 99701-84)
  • Harley ® מברשת גלגל וחישורים (43078-99)
  • Harley-Davidson ® Wheel and Tire Cleaner (חומר לניקוי צמיגים וגלגלים, 94658-98)
  • Harley ® Preserve™ Bare Aluminum Protectant (חומר מגן לאלומיניום חשוף; 99845-07)
הסרה
הערה
גיליון הנחיות זה מתייחס למידע במדריך השירות. נדרש מדריך טיפולים לאופנוע מהדגם שלך על מנת לבצע התקנה זו, והוא זמין אצל סוכן Harley-Davidson.
1. איור 1 הסר ופרק את מכלול הגלגל הקדמי הקיים. אם הקוטר של דיסק הבלם הקדמי איננו 3.25 אינץ', השלך את הדיסקים. שמור את הסרן, אום הסרן ותותבי המרווח של הגלגל להתקנת הערכה. עיין במדריך הטיפולים.
2. עיין בגיליון ההוראות המצורף לכנף החדשה או במדריך הטיפולים. הסר את הכנף הקדמית.
3. איור 2 הסר ופרק את מכלול הגלגל האחורי הקיים. החלקים המפורטים ברשימה נחוצים להרכבה מחדש. עיין במדריך הטיפולים.
4. עיין במדריך הטיפולים. הסר את המזלגות הקדמיים.
1קוטר
איור 1. קוטר חור ההרכבה בדיסק
1סרן אחורי
2תותב מרווח
3מסב (2)
4תותב מרווח
5גלגל שיניים
6Isolator
7דיסק בלם
8תותב מרווח, ללא ABS
9תפס e
10אום
11פיקת סרן
12חיישן מהירות גלגל, ABS
13תפס
איור 2. חלקי גלגל אחורי לשימוש חוזר
הכנה
הכנת הגלגל הקדמי
הערה
אסור להתקין את טבעת המסב הכלולה בערכת ההתקנה.
התראה
אין לעשות שימוש חוזר בברגים של דיסק הבלם/הרוטור. שימוש חוזר בברגים אלו עלול לגרום נזק לרכיבי הבלם ולאובדן של מומנט. (00319c)
ראה את איור 7 ואת טבלה 2 . למידע על הרכיבים הנחוצים להכנת גלגל קדמי חדש.
1. התקן את ערכת התקנת הגלגל.
a. דגמים מצוידים ב-ABS: 41454-08B.
b. דגמים שאינם מצוידים ב-ABS: 41455-08C.
2.
הערה
ראה איור 7 . החריצים החרותים בגלגל הקדמי מציינים את הצד של המסב הראשי בגלגל ויש להתקינם כשהם פונים לצד שמאל באופנוע.
עיין במדריך הטיפולים. התקן את המסב הראשי בעזרת כלי להסרה ולהתקנה של מסב הגלגל.
3. עיין במדריך הטיפולים. הרכב את רכיבי הגלגל הקדמי.
הכנת הגלגל האחורי
הערה
אסור להתקין את טבעת המסב הכלולה בערכת ההתקנה.
התראה
אין לעשות שימוש חוזר בבורגי ההרכבה של גלגל השרשרת. שימוש חוזר בבורגי ההרכבה של גלגל השרשרת עלול לגרום לאובדן מומנט ונזק למכלול גלגל השרשרת ו/או הרצועה. (00480b)
ראה את איור 8 ואת טבלה 3 . למידע על הרכיבים הנחוצים להכנת גלגל אחורי חדש.
1. התקן את ערכת התקנת הגלגל.
a. דגמים מצוידים ב-ABS: 41453-08C.
b. דגמים שאינם מצוידים ב-ABS: 41456-08C.
2.
הערה
ראה איור 8 . החריצים החרותים בגלגל האחורי מציינים את הצד של המסב הראשי בגלגל ויש להתקינם בצד ימין של האופנוע.
עיין במדריך הטיפולים. התקן את המסב הראשי בעזרת כלי להסרה ולהתקנה של מסב הגלגל.
3. עיין במדריך הטיפולים. הרכב את רכיבי הגלגל האחורי.
התקנת הצמיגים
1. ראה איור 7 ו איור 8 ואת מדריך הטיפולים. התקן קנה שסתום קצר (43157-83A) בגלגלים הקדמי והאחורי.
2.
הערה
התקן רק את הצמיג המתאים (רכישה בנפרד).
אם יש מדבקה של נקודה צהובה על חישוק הגלגל, כוון את הצמיג כך שהנקודה הלבנה בצמיג תימצא בצד הנגדי בכיוון ההפוך ממיקום המדבקה. אם יש מדבקה של נקודה ירוקה על חישוק הגלגל, כוון את הצמיג כך שהנקודה הלבנה בצמיג תימצא מול המדבקה. אם אין מדבקת נקודה כלשהי על החישוק, עיין במדריך הטיפולים.
הערה
השתמש במגיני פלסטיק על כלי ההתקנה של הצמיג וכלי האחיזה לחישוק בעת התקנת צמיג בגלגל צבוע.
בעת התקנת צמיגים, השתמש בכמות נדיבה של חומר סיכה בגלגל ובצמיג.
עיין במדריך הטיפולים. התקן את הצמיגים הקדמי והאחורי החדשים (רכישה בנפרד) על הגלגלים.
a. צמיג קדמי: 43100008
b. צמיג אחורי: 44006-09
3. עיין במדריך הטיפולים. התקן את דיסקי הבלם הקדמיים בגלגל.
4. עיין במדריך הטיפולים. התקן את הדיסק וגלגל השרשרת המקוריים של הבלם האחורי בגלגל.
הכנת מכלול המזלג הקדמי
1. ראה איור 3 . התקן את המזלג במחזיק צינור המזלג (HD-41177) באופן הבא:
a. הכנס את קצה הכלי (1) למלחציים במצב אופקי.
b. ראה איור 6 . כשבורג המזלג (A) פונה כלפי מעלה, הכנס את צינור המזלג (9) בין רפידות הגופי בצד הפנימי של הכלי. הדק את הכפתורים עד שצינור המזלג תפוס היטב.
הערה
שים לב שבורג המזלג (A) נמצא תחת לחץ הקפיץ, ולכן הקפד לאחוז היטב את הבורג בעת סיבוב התבריג האחרון.
אזהרה
הרכב משקפי מגן בזמן הטיפול במכלול המזלג. אל תסיר את פקקי צינור ההחלקה מבלי לשחרר את העומס ההתחלתי של הקפיץ, מכיוון שהפקקים או הקפיצים עלולים לעוף החוצה, וכתוצאה מכך לגרום למוות או פציעה חמורה. (00297a)
2. הסר באיטיות את בורג המזלג וטבעת ה-O (‏1) מצינור המזלג. השלך את טבעת ה-O.
3. הסר את קפיץ הפיתול (F), את הדסקית השטוחה (H) ואת הקפיץ (2) מצינור המזלג. שמור את קפיץ הפיתול ואת הדסקית השטוחה לשימוש בהמשך.
4. הסר את מכלול המזלג ממחזיק צינור המזלג. הפוך את המזלג מעל אגן שמן כדי לנקז את השמן. לקבלת תוצאות מיטביות, פמפם באיטיות את צינור המזלג וצינור ההחלקה של המזלג (G) לפחות 10 פעמים.
5. התקן את קפיץ המזלג וקפיץ הפיתול חזרה בצינור המזלג.
6. שים סמרטוט עבודה על הרצפה. הפוך את מכלול המזלג כלפי מטה. לחץ את קצה קפיץ הפיתול כנגד הסמרטוט. כווץ את הקפיץ. הסר את הבורג (7) עם דסקית הנחושת (6) מהקצה התחתון של צינור ההחלקה של המזלג. השתמש במפתח אימפקט פניאומטי לקבלת תוצאות מיטביות. השלך את הבורג ואת דסקית הנחושת.
7. הסר והשלך את קפיץ המזלג.
8. דחוף ושחרר את צינור המשכך (8) ואת קפיץ שיכוך החזרה (5) מצינור המזלג באמצעות החדרה של מוט בקוטר קטן דרך הפתח בתחתית הצינור. השלך את צינור המשכך ואת קפיץ שיכוך החזרה.
9. השתמש בכלי חולץ כדי להסיר את טבעת הנעילה (C) שבין צינור ההחלקה לבין צינור המזלג. אל תרחיב או תמתח את טבעת הנעילה בעת ההסרה מצינור המזלג מכיוון שעלול להיגרם לטבעת נזק.
הערה
כדי להתגבר על התנגדות, השתמש בצינור המזלג כפטיש מחליק: דחוף את צינור המזלג לתוך צינור ההחלקה של המזלג ולאחר מכן משוך אותו החוצה תוך הפעלה של כוח מתון. חזור על רצף פעולות זה עד שצינור המזלג ייפרד מצינור ההחלקה של המזלג.
10. הסר את צינור המזלג מצינור ההחלקה של המזלג.
11. החלק והוצא את אטם השמן של המזלג (4), את אטם תותב המרווח (D) ואת תותב צינור ההחלקה (E) מעבר לקצה של צינור המזלג. השלך את אטם השמן של המזלג.
12. הסר את מנעול השמן (3) מקצה צינור המזלג (9) או מתוך צינור ההחלקה של המזלג. השלך את מנעול השמן ואת צינור המזלג.
1מלחציים
2רפידת גומי
3כפתור פלסטיק
איור 3. מחזיק צינור מזלג (HD-41177)
הרכבת המזלג
התראה
נקוט זהירות כדי למנוע שריטות או פגיעות בצינור המזלג. פגיעה בצינור עלולה לגרום לדליפות שמן המזלג לאחר ההרכבה. (00421b)
הערה
בדוק את החלקים מבחינת בלאי או נזק. החלף או תקן לפי הצורך.
1. ראה איור 6 . ודא שטבעת הבוכנה מותקנת בצינור המשכך כשהמגרעות פונות מטה. שים קפיץ שיכוך החזרה חדש (5) על צינור המשכך החדש מהערכה (8). הכנס את צינור המשכך לתוך צינור המזלג החדש (9).
2. הכנס את הקפיץ החדש (2) ואת קפיץ הפיתול (F) לתוך צינור המזלג, כשהמקטע הצפוף של התכריכים פונים לעבר צינור המשכך. דחוף את החלק התחתון של צינור המשכך דרך הפתח בקצה התחתון של צינור המזלג. שים מנעול שמן חדש (3) מעל הקצה של צינור המשכך.
3. שים Loctite 565 Thread Sealant (חומר אטימה לתבריגים) על הבורג החדש (7). שים את צינור המזלג וצינור המשכך בתוך צינור ההחלקה של המזלג (G). הפעל לחץ על הקפיץ כדי להחזיק את המכלול במקומו. התקן את הבורג (7) עם דסקית נחושת חדשה (6) מהערכה.
4. הדק את הבורג.
מומנט סיבוב: 45 ± 5 N·m (33 ± 4 ft-lbs)
5. צפה את הקוטר הפנימי (ID) ואת הקוטר החיצוני (OD) של תותב צינור ההחלקה (E) בשמן מזלג נקי. החלק את תותב צינור ההחלקה במורד צינור המזלג (בכל כיוון).
6. החלק את אטם תותב המרווח (D) במורד צינור המזלג עד שהוא נוגע בתותב צינור ההחלקה (בכל כיוון).
7. צפה את הקוטר הפנימי של אטם השמן החדש של המזלג (4) בשמן מזלג נקי. צפה את הקוטר החיצוני של אטם שמן המזלג בעזרת HARLEY-DAVIDSON SEAL GREASE (גריז איטום). כאשר הצד עם האותיות פונה כלפי מעלה, החלק את אטם שמן המזלג במורד צינור המזלג עד שהוא ייגע באטם תותב המרווח.
8. ראה איור 4 . הבא את כלי תותב המרווח/אטם המזלג (HD-45305) והמשך באופן הבא:
a. החלק את מתקין אטם המזלג במורד צינור המזלג עד שהוא ייגע באטם שמן המזלג.
b. ראה איור 4 . באמצעות כלי דוגמת פטיש מחליק, הכנס את אטם שמן המזלג (עם אטם תותב המרווח ותותב צינור ההחלקה) במורד צינור המזלג עד שניתן לראות את חריץ טבעת הנעילה בקוטר הפנימי של צינור ההחלקה של המזלג.
c. ראה איור 6 . החלק את טבעת הנעילה (C) במורד צינור המזלג עד שהיא נוגעת באטם צינור השמן. התקן את טבעת הנעילה בחריץ צינור ההחלקה של המזלג. אל תרחיב או תמתח את טבעת הנעילה בעת ההתקנה על צינור המזלג מכיוון שעלול להיגרם לטבעת נזק.
9. הסר את קפיץ הפיתול ואת קפיץ המזלג.
אזהרה
כמות שגויה של שמן המזלג עלולה לפגום ביכולת השליטה ולגרום לאובדן שליטה ברכב, וכתוצאה מכך לגרום למוות או פגיעה חמורה. (00298a)
10. מלא את צינור המזלג באופן הבא:
a. כאשר צינור המזלג מכווץ, שפוך שמן מזלג סוג E של Harley-Davidson לתוך צינור המזלג כמעט עד הקצה העליון.
b. פמפם את צינור המזלג עשר פעמים כדי להוציא אוויר מהמערכת.
11. התאם את מפלס השמן של המזלג כך שהוא יימצא 91 מ“מ מהקצה העליון של צינור המזלג כאשר צינור המזלג מכווץ ולאחר שקפיץ המזלג, קפיץ הפיתול והדסקית השטוחה הוסרו. המשך באופן הבא:
a. ראה איור 5 . קח את מד מפלס השמן במזלג הקדמי (HD-59000B).
b. שחרר את בורג הכנף שעל טבעת המתכת והזז אותה במעלה או במורד המוט עד שהצד התחתון של הטבעת יימצא 91 מ"מ מהצד התחתון של המוט. הדק את בורג הכנף.
c. דחוף את הבוכנה על על הצילינדר עד הסוף פנימה.
d. ראה איור 6 . הכנס את המוט לראש צינור המזלג עד שטבעת המתכת מונחת בצורה מישורית על ראש צינור המזלג.
e. משוך את הבוכנה כדי להוציא את שמן המזלג מצינור המזלג. התבונן בשמן המזלג דרך צינור שקוף כדי לוודא שהשמן נשאב מהמזלג.
f. הסר את המוט מצינור המזלג. דחוף את הבוכנה לתוך צילינדר כדי לסלק שמן מזלג עודף אל מיכל מתאים.
g. במקרה הצורך, חזור על שלבים 11 (c) עד 11 (f). הרמה נכונה כאשר לא רואים שום שמן המזלג נשאב דרך הצינור השקוף.
12. התקן את קפיץ המזלג בתוך צינור המזלג כשהקצה עם התכריכים הצפופים פונה כלפי מטה.
הערה
ודא שקפיץ המזלג מותקן כאשר הקצה עם התכריכים הצפופים פונה כלפי מטה.
13. התקן את הדסקית השטוחה (H) על הקצה העליון של הקפיץ.
14. התקן את קפיץ הפיתול (F) על הקצה העליון של הדסקית.
15. התקן טבעת O חדשה (1) על בורג המזלג (A).
16. התקן את בורג צינור המזלג. הדק.
מומנט סיבוב: 55 ± 25 N·m (41 ± 18 ft-lbs)
איור 4. התקן את אטם שמן המזלג
איור 5. הסרת עודפים של שמן המזלג (HD-59000B)
צד שמאל
חזור על השלבים להכנת המזלג הקדמי ומכלול המזלג.
התקנה
1. עיין במדריך הטיפולים. התקן את המזלגות הקדמיים.
2.
הערה
חשוב: חובה לבצע איפוס של ה-ABS.
אפס את המערכת בעזרת טכנאי דיגיטלי II (DT II) .

כלי מיוחד: DIGITAL TECHNICIAN II (HD-48650)

a. בחר את סמל האיפוס.
b. פעל לפי ההנחיות שיופיעו בצג.
3. עיין בגיליון המידע המצורף לכנף החדשה. התקן את הכנף הקדמית.
4.
הערה
התקן את הגלגל הקדמי כך שקנה השסתום יימצא בצד ימין.
עיין במדריך הטיפולים. התקן את הגלגל הקדמי.
5. עיין במדריך הטיפולים. התקן את הגלגל האחורי.
אזהרה
לאחר תיקון מערכת הבלמים, בדוק את הבלמים במהירות נמוכה. אם הבלמים אינם פועלים כראוי, בדיקה במהירויות גבוהות עלולה לגרום לאובדן שליטה, וכתוצאה מכך לגרום למוות או פציעה חמורה. (00289a)
אזהרה
לאחר כל התקנת גלגל ולפני הזזת האופנוע, פמפם את הבלמים על מנת לבנות לחץ במערכת הבלימה. לחץ לא מספיק עלול להשפיע לרעה על ביצועי הבלמים, וכתוצאה מכך לגרום למוות או פגיעה חמורה. (00284a)
6. פמפם את הבלמים כדי לבנות לחץ במערכת.
נסיעת מבחן
  1. בצע נסיעת מבחן באופנוע כדי לבדוק את המהלך ושיכוך החזרה של המזלג.
חלקי שירות
איור 6. חלקי שירות: מחסנית מזלג קדמי לדגם Touring
טבלה 1. טבלת חלקי שירות: מחסנית מזלג קדמי לדגם Touring
פריט
תיאור (כמות)
מספר חלק
מכלול מזלג מקורי, מזלג ללא מחסנית מהערכה
פריטי מזלג קדמי הכלולים בערכה:
1
טבעת O (2)
46508-01
2
קפיץ המזלג (2)
לא נמכר בנפרד
3
מנעול שמן (2)
לא נמכר בנפרד
4
אטם שמן של המזלג (2)
46514-01A
5
קפיץ שיכוך החזרה (2)
לא נמכר בנפרד
6
דיסקית (2)
46615-06
7
בורג, M14 (‏2)
45500118
8
צינור המשכך עם טבעת בוכנה (2)
לא נמכר בנפרד
9
צינור המזלג (2)
45500537
פריטי מזלג קדמי המוזכרים בטקסט, אבל אינם נכללים בערכה:
A
בורג המזלג (2)
B
תותב, צינור המזלג (2)
C
תפס נעילה (2)
D
אטם תותב המרווח (2)
E
תותב מרווח של צינור ההחלקה (2)
F
צווארון קפיץ (2)
G
צינור החלקה של המזלג (2)
H
דסקית שטוחה (2)
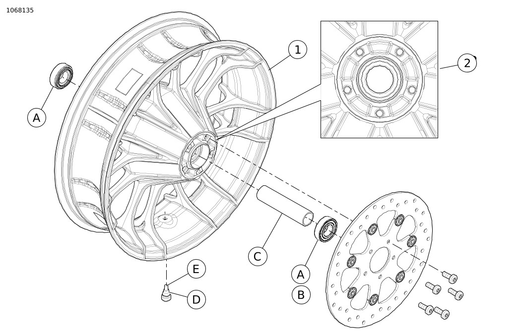
איור 7. חלקי שירות: גלגל קדמי Knockout
טבלה 2. חלקי שירות: גלגל קדמי Knockout
פריט
תיאור (כמות)
מספר חלק
פריטי גלגל קדמי הכלולים בערכה:
1
גלגל
לא נמכר בנפרד
2
חריצים חרותים
פריט מערכה להתקנת גלגל קדמי, יש להשליך את הפריטים העודפים:
A
מסב (2 בדגמים ללא ABS, ‏1 בדגמים עם ABS)
9276A
B
מסבים (1 בדגמים עם ABS)
9252
C
שרוול הסרן
41900-08
D
קנה שסתום קצר
43157-83A
E
פקק קנה השסתום
41123-79
איור 8. חלקי שירות: גלגל אחורי Knockout
טבלה 3. חלקי שירות: גלגל אחורי Knockout
פריט
תיאור (כמות)
מספר חלק
פריטי גלגל אחורי הכלולים בערכה:
1
גלגל
לא נמכר בנפרד
2
חריצים חרותים
פריטים מערכה להתקנת גלגל אחורי, יש להשליך את הפריטים העודפים:
A
מסב (2 בדגמים ללא ABS, ‏1 בדגמים עם ABS)
9276A
B
מסב (1 בדגמים עם ABS)
9252
C
שרוול הסרן
41349-07
D
קנה שסתום קצר
43157-83A
E
פקק קנה השסתום
41123-79