KIT RODA UBAH SUAI KHUSUS
J065772021-10-19
UMUM
PERINGATAN
Keselamatan pengendara bergantung pada pemasangan kit ini secara benar. Pemasangan kit harus dilakukan di dealer untuk kendaraan yang dilengkapi rem ABS. Pemasangan kit yang benar memerlukan alat khusus yang hanya tersedia di Dealer Harley-Davidson. Sistem rem yang tidak diservis dengan benar dapat memengaruhi performa rem, yang dapat menyebabkan kematian atau cedera parah. (00578b)
PERINGATAN
Hanya pasang roda dan kit pemasangan yang disetujui untuk model sepeda motor. Hubungi dealer Harley-Davidson untuk memastikan kelayakan. Memasang roda dan kit pemasangan yang tidak cocok atau memasang roda yang tidak disetujui untuk model sepeda motor Anda dapat mengakibatkan hilang kendali, yang menyebabkan kematian atau cedera parah. (00610c)
Nomor Kit
43300494 dan 43300496
Model
Untuk informasi kesesuaian model, lihat Katalog Retail P&A atau bagian Komponen dan Aksesori di www.harley-davidson.com (hanya tersedia dalam Bahasa Inggris).
Isi Kit
Lihat Gambar 6 , Gambar 7 dan Gambar 8 .
Persyaratan Pemasangan
Pemasangan kit ini dengan benar membutuhkan alat khusus berikut.
Persyaratan untuk menurunkan garpu depan:
  • Penyegel Ulir Loctite ® 565 (99818-97)
  • Harley-Davidson ® Seal Grease (11300005)
  • Tempat Tabung Garpu (HD-41177)
  • Segel Garpu/Alat Bushing (HD-45305)
  • Indikator Ketinggian Oli Garpu Depan (HD-59000B)
  • Alat Kompresi Pegas Garpu Depan (HD-45966)
  • Alat Ekstensi (HD-45966-1)
Persyaratan Roda Depan Khusus 21 inci:
Tutup hub aksesori tidak kompatibel dengan roda ini.
  • Kit Pemasangan Roda tanpa ABS (41455-08C), dengan ABS (41454-08B)
  • 10 Sekrup Cakram Rem/Dop (3655A) atau 2 kit Sekrup Kromium (46646-05)
  • Pemasang dan Pelepas Bearing Roda (94134-09)
  • Ban: (43100008)
  • Rotor: Lihat katalog untuk kelengkapan rotor yang disetujui.
  • Sepatbor: Lihat katalog untuk kelengkapan sepatbor yang disetujui.
Persyaratan Roda Depan Khusus 18 inci:
  • Kit Pemasangan Roda tanpa ABS (41456-08C), dengan ABS (41453-08C)
  • (5) Sekrup Cakram Rem (43567-92 atau 46647-05)
  • Pemasang dan Pelepas Bearing Roda (94134-09)
  • Ban: (44006-09)
KOMPONEN TAMBAHAN YANG DIREKOMENDASIKAN
Aksesori Motor Asli Harley-Davidson berikut direkomendasikan untuk pemeliharaan dan pembersihan yang tepat:
  • Harley ® Bright Chrome Cleaner (94683-99)
  • Pemoles dan Perapat Harley ® Glaze (99701-84)
  • Harley® Wheel and Spoke Brush (Sikat Roda dan Jari-Jari Harley) (43078-99)
  • Pembersih Pelek dan Ban Harley-Davidson ® (94658-98)
  • Bahan Pelindung Aluminium Tanpa Lapisan Harley ® Preserve™ (99845-07)
PELEPASAN
CATATAN
Lembar instruksi ini merujuk pada informasi manual servis. Manual servis untuk sepeda motor Anda dibutuhkan untuk pemasangan kit ini dan tersedia di Dealer Harley-Davidson.
1. Gambar 1 Lepas dan bongkar rakitan roda depan yang terpasang. Jika diameter cakram rem depan tidak berukuran 3,25 inci (82,5 mm), buang cakram. Simpan as, mur as, dan spacer roda untuk pemasangan kit. Lihat manual servis.
2. Lihat I-sheet yang datang bersama sepatbor depan baru atau manual layanan. Lepas sepatbor depan.
3. Gambar 2 Lepas dan bongkar rakitan roda belakang yang terpasang. Bagian yang tercantum diperlukan untuk dipasang kembali. Lihat manual servis.
4. Lihat manual servis. Lepas garpu depan.
1Diameter
Gambar 1. Diameter Lubang Dudukan Cakram
1As Belakang
2Spacer
3Bantalan (2)
4Spacer
5Sproket
6Isolator
7Cakram rem
8Spacer, non ABS
9E-clip
10Mur
11Cam as
12Sensor kecepatan roda, ABS
13Klip
Gambar 2. Komponen Roda Belakang untuk Digunakan Kembali
PERSIAPAN
Siapkan Roda Depan
CATATAN
Jangan memasang pelat laher yang terdapat dalam kit pemasangan.
PEMBERITAHUAN
Jangan menggunakan kembali sekrup cakram rem/rotor yang pernah dipakai. Penggunaan kembali sekrup ini dapat mengakibatkan hilangnya torsi dan kerusakan pada komponen rem. (00319c)
Lihat Gambar 7 dan Tabel 2 . untuk komponen yang dibutuhkan saat menyiapkan roda depan baru.
1. Pasang kit pemasangan roda.
a. ABS yang terpasang: 41454-08B.
b. Tanpa ABS yang terpasang: 41455-08C.
2.
CATATAN
Lihat Gambar 7 . Alur mesin pada roda depan menunjukkan sisi bantalan utama roda dan akan dipasang menghadap sisi kiri pada sepeda motor.
Lihat manual servis. Pasangkan laher utama menggunakan alat Pelepasan dan Pemasangan Bantalan Roda.
3. Lihat manual servis. Pasang komponen roda depan.
Siapkan Roda Belakang
CATATAN
Jangan memasang pelat laher yang terdapat dalam kit pemasangan.
PEMBERITAHUAN
Jangan gunakan kembali sekrup dudukan sproket. Menggunakan kembali sekrup dudukan sproket dapat menyebabkan hilangnya torsi dan merusak sproket dan/atau unit belt. (00480b)
Lihat Gambar 8 dan Tabel 3 . untuk komponen yang dibutuhkan untuk menyiapkan roda belakang baru.
1. Pasang kit pemasangan roda.
a. ABS yang terpasang: 41453-08C.
b. Tanpa ABS yang terpasang: 41456-08C.
2.
CATATAN
Lihat Gambar 8 . Alur mesin pada roda belakang menunjukkan sisi bantalan utama roda dan akan dipasang menghadap sisi kanan pada sepeda motor.
Lihat manual servis. Pasangkan laher utama menggunakan alat Pelepasan dan Pemasangan Bantalan Roda.
3. Lihat manual servis. Pasang komponen roda belakang.
Memasang Ban
1. Lihat Gambar 7 dan Gambar 8 dan manual layanan. Pasang batang katup pendek (43157-83A) pada roda depan dan belakang.
2.
CATATAN
Hanya pasang ban yang sudah ditentukan (pembelian terpisah).
Jika roda memiliki stiker titik kuning pada pelek, arahkan ban sehingga titik putih pada roda berlawanan dengan stiker. Jika roda memiliki stiker titik hijau pada pelek, arahkan ban sehingga titik putih sejajar dengan stiker. Jika tidak ada stiker titik di pelek, lihat buku manual servis.
CATATAN
Gunakan pelindung plastik pada alat pemasangan ban dan penjepit pelek saat memasang ban ke roda yang dicat.
Saat memasang ban, berikan pelumas ban pada roda dan ban.
Lihat manual servis. Pasang ban depan dan belakang baru (dibeli secara terpisah) ke roda.
a. Ban Depan: 43100008
b. Ban Belakang: 44006-09
3. Lihat manual servis. Pasang cakram rem depan pada roda.
4. Lihat manual servis. Pasang cakram rem belakang bawaan dan gigi jentera pada roda.
Siapkan Rakitan Garpu Depan
1. Lihat Gambar 3 . Pasang garpu di Dudukan Tabung Garpu (HD-41177) sebagai berikut:
a. Jepit ujung alat (1) pada ragum dalam posisi horizontal.
b. Lihat Gambar 6 . Dengan baut garpu (A) ke atas, jepit tabung garpu (9) di antara bantalan karet di sisi dalam alat. Kencangkan kenop sampai tabung garpu terpasang dengan kencang.
CATATAN
Ingat bahwa baut garpu(A) berada di bawah tekanan pegas, jadi pegang erat-erat saat selesai memasang sekrup.
PERINGATAN
Kenakan kacamata pengaman atau kacamata pelindung saat menyervis rakitan fork. Jangan lepas penutup tabung geser tanpa melepaskan beban awal agar penutup pegas dan pegas tidak memental, yang dapat menyebabkan kematian atau cedera parah. (00297a)
2. Lepaskan baut garpu dan O-ring (1) secara perlahan dari tabung garpu. Buang cincin-O.
3. Lepaskan kerah pegas (F), cincin pipih (H) dan pegas (2) dari tabung garpu. Simpan kerah pegas dan cincin pipih untuk digunakan nanti.
4. Lepaskan rakitan garpu dari penahan tabung garpu. Balikkan garpu di atas wadah pembuangan untuk membuang oli. Untuk hasil terbaik, pompa perlahan tabung garpu dan slider garpu (G) secara perlahan minimal 10 kali.
5. Pasang kembali pegas garpu dan kerah pegas ke dalam tabung garpu.
6. Letakkan kain bengkel di lantai. Balikkan rakitan garpu. Tekan ujung kerah pegas ke kain. Kompres pegas. Lepaskan sekrup (7) dan cincin tembaga (6) dari ujung bawah slider garpu. Untuk hasil terbaik, gunakan kunci pas dengan angin. Buang sekrup dan cincin tembaga.
7. Lepaskan dan sisihkan pegas garpu.
8. Dorong tabung peredam (8) dan pegas peredam (5) keluar dari tabung garpu dengan memasukkan batang berdiameter kecil ke dalam lubang di bagian bawah tabung. Buang tabung peredam dan pegas rebound.
9. Dengan menggunakan alat pencungkil, lepaskan klip penahan (C) di antara slider garpu dan tabung garpu. Jangan memanjangkan atau meregangkan klip penahan untuk melepaskannya dari tabung garpu atau klip dapat rusak.
CATATAN
Untuk mengatasi hambatan apa pun, gunakan tabung garpu sebagai penggeser palu: Dorong tabung garpu ke slider garpu, lalu tarik ke luar dengan kekuatan sedang. Ulangi urutan ini sampai tabung garpu terpisah dari slider garpu.
10. Lepaskan tabung garpu dari slider garpu.
11. Geser segel oli garpu (4), segel spacer (D) dan bushing slider (E) dari ujung tabung garpu. Buang segel oli garpu.
12. Lepaskan penahan oli (3) dari ujung tabung garpu (9) atau dalam penggeser garpu. Buang penahan oli dan tabung garpu.
1Pegangan ragum
2Bantalan karet
3Kenop plastik
Gambar 3. Tempat Tabung Garpu (HD-41177)
Rakitan Garpu
PEMBERITAHUAN
Berhati-hatilah agar tabung fork tidak tergores atau tidak memiliki alur. Tabung yang rusak dapat menyebabkan kebocoran minyak fork setelah perakitan. (00421b)
CATATAN
Periksa komponen untuk melihat adanya keausan atau kerusakan. Ganti atau perbaiki jika diperlukan.
1. Lihat Gambar 6 . Pastikan bahwa cincin piston dipasang pada tabung peredam dengan potongan menghadap ke bawah. Tempatkan pegas rebound baru (5) ke dalam tabung peredam baru dari kit (8). Masukkan tabung peredam ke dalam tabung garpu baru (9).
2. Masukkan pegas baru (2) dan collar pegas (F) ke dalam tabung garpu, dengan bagian kumparan yang rapat mengarah ke tabung peredam. Dorong bagian bawah tabung peredam melalui lubang di ujung bawah tabung garpu. Pasang penahan oli baru (3) di ujung tabung peredam.
3. Beri Penyegel Ulir Loctite 565 ke sekrup baru (7). Pasang tabung garpu dan tabung peredam ke dalam slider garpu (G). Tahan rakitan pada posisinya dengan memberikan tekanan pada pegas. Pasang sekrup (7) dengan ring tembaga baru (6) dari kit.
4. Kencangkan sekrup.
Torque: 45 ± 5 N·m (33 ± 4 ft-lbs)
5. Lapisi diameter dalam (ID) dan diameter luar (OD) dari penggeser bushing (E) dengan oli garpu yang bersih. Dorong bushing slider melalui tabung garpu (salah satu arah).
6. Dorong segel spacer (D) melalui tabung garpu hingga menyentuh bushing slider (salah satu arah).
7. Lapisi bagian dalam segel oli garpu baru (4) dengan oli garpu yang bersih. Lumasi bagian luar segel oli garpu dengan Pelumas Segel Harley-Davidson. Dengan sisi huruf menghadap ke atas, dorong segel oli garpu melalui tabung garpu hingga menyentuh segel spacer.
8. Lihat Gambar 4 . Dapatkan Segel Garpu/ Alat Bushing (HD-45305) dan lanjutkan sebagai berikut:
a. Dorong pemasang segel garpu melalui tabung garpu hingga pemasang tersebut bersentuhan dengan segel oli garpu.
b. Lihat Gambar 4 . Dengan menggunakan alat seperti palu geser, dorong segel oli garpu (dengan segel spacer dan penggeser bushing) melalui tabung garpu hingga alur penahan klip terlihat di penggeser garpu bagian dalam.
c. Lihat Gambar 6 . Geser klip penahan (C) ke bawah tabung garpu sampai menyentuh segel oli garpu. Pasang klip penahan di alur geser garpu. Jangan memanjangkan atau meregangkan klip penahan untuk memasangkannya pada tabung garpu atau klip dapat rusak.
9. Lepaskan collar pegas dan pegas garpu.
PERINGATAN
Jumlah oli fork yang tidak tepat dapat memengaruhi kemudi dan mengakibatkan motor kehilangan kontrol, yang dapat menyebabkan kematian dan cedera parah. (00298a)
10. Isi tabung garpu sebagai berikut:
a. Dengan tabung garpu terkompresi, isi tabung garpu dengan Oli Garpu Tipe E Harley-Davidson sampai hampir penuh.
b. Pompa tabung garpu sepuluh kali untuk mengeluarkan udara dari sistem.
11. Sesuaikan ketinggian oli garpu hingga 91 mm (3,58 inci) dari bagian atas tabung garpu dengan tabung garpu terkompresi dan pegas garpu, lepaskan kerah pegas dan cincin pipih. Lakukan sebagai berikut:
a. Lihat Gambar 5 . Ambil Indikator Ketinggian Oli Garpu Depan (HD-59000B).
b. Longgarkan sekrup pada cincin logam dan gerakkan ke atas atau ke bawah batang sampai ujung bawah cincin berada di 91 mm (3,58 inci) dari ujung bawah batang. Kencangkan sekrup thumbscrew.
c. Dorong plunger pada silinder sampai masuk.
d. Lihat Gambar 6 . Masukkan batang ke atas tabung garpu hingga cincin logam terletak datar di atas tabung garpu.
e. Tarik plunger untuk mengeluarkan oli garpu dari tabung garpu. Amati oli garpu melalui tabung transparan untuk memastikan bahwa oli sedang diekstraksi dari garpu.
f. Lepaskan batang dari tabung garpu. Dorong plunger ke dalam silinder untuk mengeluarkan kelebihan oli garpu ke dalam wadah yang sesuai.
g. Jika perlu, ulangi Langkah 11 (c) hingga 11 (f). Ketinggiannya benar ketika tidak ada oli garpu yang terlihat sedang diekstraksi melalui tabung transparan.
12. Pasang pegas garpu ke dalam tabung garpu dengan ujung padat menghadap ke bawah.
CATATAN
Pastikan pegas garpu dipasang dengan bagian kumparan yang rapat menghadap ke bawah.
13. Pasang cincin pipih (H) di atas pegas.
14. Pasang collar pegas (F) di atas cincin.
15. Pasang O-ring baru (1) ke baut garpu (A).
16. Pasang baut tabung garpu. Kencangkan.
Torque: 55 ± 25 N·m (41 ± 18 ft-lbs)
Gambar 4. Pasang Segel Oli Garpu
Gambar 5. Buang Kelebihan Oli Garpu (HD-59000B)
SISI KIRI
Ulangi langkah-langkah untuk mempersiapkan garpu depan dan perakitan garpu.
PEMASANGAN
1. Lihat manual servis. Pasang garpu depan.
2.
CATATAN
PENTING: ABS harus diprogram ulang (reflash).
Ulangi flash sistem menggunakan Digital Technician II (DT II) .

Special Tool: DIGITAL TECHNICIAN II (HD-48650)

a. Pilih ikon REFLASH.
b. Ikuti petunjuk di layar.
3. Lihat lembar informasi yang datang bersama sepatbor depan baru. Pasang sepatbor depan.
4.
CATATAN
Pasang roda sehingga pentil ban berada di sisi kanan.
Lihat manual servis. Pasang roda depan.
5. Lihat manual servis. Pasang sekrup belakang.
PERINGATAN
Setelah memperbaiki sistem rem, lakukan pengujian rem dengan kecepatan rendah. Jika rem tidak berfungsi dengan baik, pengujian dengan kecepatan tinggi dapat mengakibatkan sepeda motor kehilangan kontrol, yang dapat menyebabkan kematian dan cedera parah. (00289a)
PERINGATAN
Setiap kali memasang roda dan sebelum menjalankan sepeda motor, tekan tuas rem untuk membangun tekanan sistem rem. Tekanan yang tidak memadai dapat memengaruhi performa pengereman, yang dapat menyebabkan kematian atau cedera parah. (00284a)
6. Pompa rem untuk meningkatkan tekanan sistem.
Uji berkendara
  1. Uji kendaraan untuk memastikan jarak kompresi dan pantulan balik garpu.
KOMPONEN SERVIS
Gambar 6. Komponen Servis: Selongsong Garpu Depan untuk Perjalanan
Tabel 1. Tabel Komponen Servis: Selongsong Garpu Depan untuk Perjalanan
Item
Deskripsi (Jumlah)
Nomor Komponen
Perakitan Garpu Bawaan, Garpu tanpa Selongsong dari Kit
Barang garpu depan yang disertakan dalam kit:
1
Cincin-O (2)
46508-01
2
Pegas garpu (2)
Tidak dijual terpisah
3
Penahan oli (2)
Tidak dijual terpisah
4
Segel oli garpu (2)
46514-01A
5
Pegas Reaksi (2)
Tidak dijual terpisah
6
Cincin pengunci (2)
46615-06
7
Sekrup, M14 (2)
45500118
8
Tabung peredam dengan cincin piston (2)
Tidak Dijual Terpisah
9
Tabung garpu (2)
45500537
Barang yang disebutkan dalam teks tapi tidak disertakan dalam kit:
A
Baut garpu (2)
B
Bushing, tabung garpu (2)
C
Klip penahan (2)
D
Segel Spacer (2)
E
Penggeser bushing (2)
F
Kerah pegas (2)
G
Penggeser garpu (2)
H
Cincin pengunci datar (2)
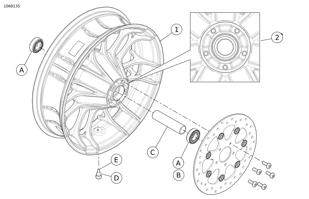
Gambar 7. Komponen Servis: Roda Depan Khusus
Tabel 2. Komponen Servis: Roda Depan Khusus
Item
Deskripsi (Jumlah)
Nomor Komponen
Barang roda depan yang disertakan dalam kit:
1
Roda
Tidak dijual terpisah
2
Alur yang dibentuk dengan mesin
Barang kit instalasi roda depan, buang barang tambahan:
A
Bantalan (2 model tanpa ABS, 1 model dengan ABS)
9276A
B
Bantalan (1 model ABS)
9252
C
Selongsong as
41900-08
D
Batang Katup Pendek
43157-83A
E
Tutup batang katup
41123-79
Gambar 8. Komponen Servis: Roda Belakang Khusus
Tabel 3. Komponen Servis: Roda Belakang Khusus
Item
Deskripsi (Jumlah)
Nomor Komponen
Barang roda belakang yang disertakan dalam kit:
1
Roda
Tidak dijual terpisah
2
Alur yang dibentuk dengan mesin
Barang kit instalasi roda belakang, buang barang tambahan:
A
Bantalan (2 model tanpa ABS, 1 model dengan ABS)
9276A
B
Bantalan (1 model ABS)
9252
C
Selongsong as
41349-07
D
Batang Katup Pendek
43157-83A
E
Tutup batang katup
41123-79