ערכת התקנה ! BOOM לרמקול גוף של Trike
J063212018-11-02
כללי
מומלצת התקנה אצל סוכן.
מספר ערכה
76000747A
דגמים
למידע אודות התאמה לדגם, עיין בסעיף P & A בקטלוג הקמעונאי או בפרק על חלקים ואביזרים של www.harley-davidson.com (אנגלית בלבד).
דרישות התקנה
רכישה והתקנה בנפרד של חלקים או אביזרים נוספים עשויות להידרש לשם התקנה נכונה של ערכה זו. ניתן לרכוש את אלו בנפרד מסוכן Harley-Davidson.
ערכת מגבר (חלק מספר 76000277B). במסמך זה מצויות ההוראות להתקנת מגברים.
אם הנך מתקין יותר משני מגברים , יש צורך במחבר Y תלת-ראשי לקוטב המצבר החיובי (חלק מספר 70270-04A, ניתן להשיג בנפרד). ניתן להשתמש במחבר Y תלת-ראשי לקוטב המצבר החיובי אחד עבור עד עוד שלושה (3) מגברים נוספים.
הערה
אסור בהחלט להתקין יחד רמקולים מדור I ומדור II באותו רכב.
התראה
חובה לעדכן את האקוולייזר של הרדיו אצל סוכן Harley-Davidson לפני הפעלת מערכת השמע. הפעלת מערכת השמע לפני עדכון האקוולייזר יפגע מיד ברמקולים. (00645d)
עדכון איקוולייזר רדיו באמצעות כלי האבחון Digital Technician ® הוא:
  • מומלץ לפני התקנת הרמקול
  • נדרש לפני ההפעלה של מערכת שמע.
  • זמין רק דרך סוכנים מורשים של Harley-Davidson
אזהרה
הבטיחות של הרוכב והנוסע תלויה בהתקנה נכונה של הערכה הזאת. השתמש בהליכי הטיפול המתאימים שבמדריך. אם אינך מסוגל לבצע את הנוהל או אם אין לך הכלים הנכונים, בצע את ההתקנה בסוכנות Harley-Davidson. התקנה לא נאותה של הערכה הזאת עלולה לגרום למוות או פגיעה חמורה. (00333b)
הערה
גיליון הוראות זה מתייחס למידע במדריך השירות. מדריך שירות לאופנועים משנה/דגם זה נדרש להתקנה זו. ניתן לקבל מדריך זה בסוכנויות Harley-Davidson.
עומס יתר חשמלי
אזהרה
בעת התקנת אביזר חשמלי כלשהו, הקפד שלא לחרוג מעבר לדירוג המרבי של עוצמת הזרם המרבית של הנתיך או מפסק המעגל המגן על המעגל שבו מבוצע השינוי. חריגה מעבר לעוצמת הזרם המרבית עלולה לגרום לתקלות חשמליות, וכתוצאה מכך לגרום למוות או פציעה חמורה. (00310a)
התראה
ניתן להעמיס יתר על המידה את מערכת הטעינה של הרכב על ידי הוספת יותר מדי אביזרי חשמל. אם כלל הציוד החשמלי הפועל בעת ובעונה אחת צורך יותר חשמל מכפי שהמערכת יכולה להפיק, צריכת החשמל עלולה לגרום להתרוקנות המצבר ולגרום נזק למערכת החשמל של הרכב. (00211d)
למגבר זה נדרש זרם נוסף של עד 8 אמפרים ממערכת החשמל.
רכישת ערכה זו מקנה לך זכות לקבלת תוכנה מיוחדת שפותחה לעיבוד צלילים המשמשת יחד עם מערכת השמע המתקדמת. יכולת עיבוד ייחודית זו של הצלילים נועדה להשיג ביצועים והיענות קול מיטביים של הרמקולים התחתונים של מערכת BOOM! Audio המותקנים במעטפת. אף אם ערכה זו אינה מותקנת על-ידי סוכן Harley-Davidson, תוכנה מיוחדת זו לעיבוד צלילים זמינה ללא עלות דרך Digital Technician II אצל כל סוכן. ייתכן שיידרש תשלום שעות עבודה של הסוכן עבור נוהל השדרוג.
תכולת הערכה
הכנה
אזהרה
כדי למנוע התנעה בשוגג של הרכב העלולה לגרום למוות או פציעה חמורה, הסר את הנתיך הראשי לפני שתמשיך. (00251b)
  1. הסר את הנתיך הראשי. עיין במדריך הטיפולים.
  2. הסר את המושב. עיין במדריך הטיפולים.
  3. הסר את מעקה האחיזה של הנוסע. עיין במדריך הטיפולים.
  4. הסר כיסויי צד. עיין במדריך הטיפולים.
  5. הסר את הגוף והנח על משטח הגנה. עיין במדריך הטיפולים. הפגושים וארגז Tour-Pak‏ יכולים להישאר מחוברים לגוף.
התקנה
הערה
השבלונה משמשת לשני צדי הגוף.
ודא כי לא מצויים כל רתמת חוט או מהדקים ממתכת על גבי המשטחים הפנימיים. אם מהדקים ממתכת המחזיקים את החוטים נמצאים (במיוחד על הצד השמאלי של הרכב), השתמש באזמל ובפטיש כדי להסיר את המהדקים.
1. ראה איור 1 . יישר השבלונה (1) עם צד אחד של גוף ה-Trike ‏(2). קצוות השבלונה מתיישרים עם הקצוות המשיקים של החלקים העגולים של הפחחות. הצמד את השבלונה למקומה בעזרת סרט הדבקה (3). חורר את שמונת מיקומי החורים הקטנים (4) בעזרת מקב מסוג center punch. סמן את החור גדול (5) עם טוש בצבע מנוגד או בעיפרון גריז.
1שבלונה
2גוף ה-Trike
3נייר דבק
4חורים קטנים
5חור גדול
איור 1. מיקום השבלונה
2. הסר את השבלונה. השתמש במקדח בגודל 7/32 אינ. (5.6 מ“מ) כדי לחורר את שמונת החורים הקטנים. השתמש במסור אוויר (או שווה ערך) כדי לחתוך את הפתח המרכזי.
3. הפוך את השבלונה וחזור על השלבים הקודמים עבור הצד השני.
הערה
אם במקביל מתקינים את ערכת התקנת מגבר שלב II עבור יחידות בית הרמקול Tour-Pak של Trike, השתמש בשבלונה המלבנית המסופקת בערכה ההיא כדי לחתוך חור עבור החבק. חור בגוף הראשי של ה-Trike עבור התיבה בצד שמאל מספק גישה טובה יותר לשימוש במקדח בגודל 25.4 מ“מ (1 אינ.).
4. הצד הפנימי בלבד שייף בקלילות את פני השטח של הגוף סביב הפתחים המרכזיים ושל חורי הברגים, תוך אימות משטח טוב של האטם. הכנת משטח נכונה מסייעת בהפחתת זמזום, חריקה או שקשוק הנגרמים על-ידי לחץ הקול המוגבר של מערכת השמע BOOM!
5. ראה איור 9 . התקן מסגרת חיזוק (3) בצד המגבר שבו נמצא המחבר (המגבר נמכר בנפרד). הצמד למקום בעזרת ברגים (12). הדק.
מומנט סיבוב: 9.4–12.2 N·m (7–9 ft-lbs) בורג (12)
6. ראה איור 2 . מקם את המגבר ומסגרות החיזוק (1) מעל ארבע הרפידות המוגבהות (4 ו-7). מקם את המחבר כלפי הצד השמאלי של הרכב, כפי שמוצג. מרכז את החורים התחתונים מעל הרפידות התחתונות (4).
7. סמן את מיקומי החורים. הסר את המגבר עם המסגרות. קדח ארבעה חורים עם מקדח בגודל 9/32 אינ. (7.2 מ“מ).
8. נקה כל משטחי הפחחות עם 50-70% אלכוהול איזופרופיל ו- 30-50% מים מזוקקים. יש לאפשר התייבשות גמורה.
9. התקנת תיבת הרמקול.
a. ראה איור 9 . הנח אטם אחד (18) על פני השטח החיצוני. כוונן את מיקום החורים.
b. הנח טבעת עיטור (14) מעל האטם והחור המרכזי. (טבעת העיטור בצד שמאל מסומנת ב-"A". טבעת העיטור בצד ימין מסומנת ב-"B“.) סובב את טבעת העיטור כך שהאות נמצאת בתחתית.
c. מקם את התיבה הנכונה (17 או 4) עם אטם בתוך הגוף.
d. הושט יד דרך החור המרכזי. ישר את החורים בתיבה, באטם (18) ובגוף. הכנס בורג plastite ‏(13) דרך חור נגדי מגדיל.
e. הדק בורג plastite עם שניים או שלושה סיבובים. מספר מספיק של סיבובים כדי לאפשר לתיבה להיתלות.
f. הכנס בורג plastite בתוך החור הנגדי המגדיל, מול הבורג הראשון. יישר את התיבה, האטמים, טבעת העיטור לגוף והבורג. סובב את הבורג מספר פעמים כדי להחזיק את התיבה במקום.
g. הכנס ברגי plastite לתוך שני החורים הנגדיים המגדילים הנותרים. יישר את התיבה, האטמים, טבעת העיטור לגוף והברגים. סובב את הבורג מספר פעמים כדי להחזיק את התיבה במקומה.
h. הדק לסירוגין את ברגי plastite. הדק.
מומנט סיבוב: 2.2 N·m (20 in-lbs) בורג plastite
10. חזור על השלבים הקודמים כדי להתקין את התיבה והרכיבים בצד השני.
11. ראה איור 2 . הנח דסקית (5) על הברגים (6). התקן דרך החורים מהחלק הפנימי של תא המטען. מהחלק החיצוני של תא המטען, הנח דסקית נוספת (5) מעל הברגים העליונים בלבד כדי שתשמש כאמצעי ריווח. מקם את המגבר ומסגרות החיזוק (1) מעל ארבע הרפידות המוגבהות (4 ו-7). מקם את המחבר כלפי הצד השמאלי של הרכב. התקן דסקיות (2) מעל המסגרות והברגים. הצמד למקום בעזרת אום (3). הדק.
מומנט סיבוב: 10.8–12.2 N·m (96–108 in-lbs) אום (3)
1מגבר
2דסקית (4)
3אום, (4) nylock
4רפידה תחתונה (2)
5דסקית (6)
6בורג (4)
7רפידה, עליונה (2)
איור 2. התקנת מגבר
12. ראה איור 4 . נתב חוט קיים (16).
13. חבר את רתמת החוטים אל המגבר.
14. ראה איור 4 ו איור 5 . נתב את הרתמה עבור הרמקולים והמגבר. הצמד את החוטים למקומם לפי הצורך.
15. מקם את הגוף על-גבי המסגרת. עיין במדריך הטיפולים. הגוף יכול להישאר לא מוצמד למקומו עד להשלמת כל החיווט.
הערה
אם מסירים את הגוף מאוחר יותר למטרת טיפול, יש לנתק את הרתמה מהרכב הראשי/המסגרת הראשית. ניתן להשאיר אותה מחוברת למגבר ולרמקולים.
הערה
הגדר את תצורת הרתמה כדי שתתאים למגבר. הגדרת תצורה שגויה של הרתמה יכולה לגרום לקובץ EQ בלתי הולם להיטען ולגרום נזק לרמקולים. אתר את חוט הגדרת התצורה [32] לאורך הרתמה הראשית. ודא שהסופיות מסוג זכר ונקבה אינן מחוברות.
16. דגמי 2017 ו-2018 : השלם את ניתוב הרתמה:
a. נתב את הרתמה מהערכה קדימה לאורך מסילות המסגרת בעקבות הרתמה הראשית מתחת ל“עמוד השדרה“ של המסגרת.
b. נתב את הרתמה לאורך הצד הימני של חלל המצבר בין המצבר לסולונואיד הרוורס. הנח את חוט הנתיך האדום ואת חוט ההארקה השחור מול המצבר.
c. ראה איור 3 . אתר את מחבר [ Delphi CAN [319B (1) מתחת למכסה בצד ימין.
d. הפקק הוא מארז של נגדים סופיים המוצמד לתיבת החשמל. הסר את המחבר [319B] ‏(1) ממארז הנגדים.
e. חבר את [319A] מהרתמה המסופקת עם הערכה (ראה איור 5 פריט 7) אל [319B] של הרכב.
f. אם זהו חיבור המגבר (האחורי) היחיד בהתקנה זו, חבר את הצד של [319B] ‏(1) של הרתמה C מהערכה בחזרה אל תוך מארז הנגדים הסופיים משלב B הנ“ל. אם נעשה שימוש במספר מגברים אחוריים, חבר בשרשרת את [319B] מן הרתמה הזו אל [319A] של רתמת המגבר הבא. תמיד ודא כי המחבר הנותר [319B] מחובר אל הנגד הסופי של הרכב.
17. דגמי 2019 ומאוחרים יותר : השלם את ניתוב הרתמה:
a. נתב את הרתמה מהערכה קדימה לאורך מסילות המסגרת בעקבות הרתמה הראשית מתחת ל“עמוד השדרה“ של המסגרת.
b. הפרד את הקשר בין שלושת הכבלים המחזיק את רתמת המחבר [319B]‏(1).
c. ראה איור 3 . נתב את מחבר [319B]‏(1) ומחבר ‏[319A] לאורך המסגרת ולאחר מכן מתחתיה, אל המיקום בצד שמאל של המחבר מסוג CAN של הרכב.
d. נתב את החלק הנותר של הרתמה לאורך הצד הימני של חלל המצבר בין המצבר לסולונואיד הרוורס.
e. הנח את חוט הנתיך האדום ואת חוט ההארקה השחור מול המצבר.
f. ראה איור 3 . אתר את מחבר [ Delphi CAN [319B (1) מתחת למכסה בצד ימין.
g. הפקק הוא מארז של נגדים סופיים המוצמד לתיבת החשמל. הסר את המחבר [319B] ‏(1) ממארז הנגדים.
h. חבר את [319A] מהרתמה המסופקת עם הערכה (ראה איור 5 פריט 7) אל [319B] של הרכב.
i. אם זהו חיבור המגבר (האחורי) היחיד בהתקנה זו, חבר את הצד של [319B] ‏(1) של הרתמה C מהערכה בחזרה אל תוך מארז הנגדים הסופיים משלב B הנ“ל. אם נעשה שימוש במספר מגברים אחוריים, חבר בשרשרת את [319B] מן הרתמה הזו אל [319A] של רתמת המגבר הבא. תמיד ודא כי המחבר הנותר [319B] מחובר אל הנגד הסופי של הרכב.
18.
a. אתר את מחבר 299 על הרכב (מתחת לפארינג [שלדת הפלסטיק] הפנימי, עיין במדריך הטיפולים למידע על המיקום). מחבר זה עשוי כבר להיות מחובר למגבר המותקן בפארינג.
b. התקן 69200921 "Y" (ראה איור 8 ) בצד הרכב שבו מצוי ה-299, עם קצה אחד לכיוון רתמת המגבר המותקן במעטפת.
c. התקן את המגשר 69201545 (ראה איור 7 ) בקצה השני של 69200921 "Y" בתוך המעטפת. (אם כבר הותקן מגשר 69201545 ברכב, דלג קדימה אל „e“. אין להתקין יותר ממגשר 69201545 אחד).
d. נתב את המגשר 69201545 דרך שלדת הפארינג הפנימית ולתוך תעלת החוטים, בעקבות ניתוב רתמת הפארינג.
e. ‏אתר את הקצה של המגשר 69201545 תחת המכסה שבצד ימין ליד מחברי ה- [319]. אם 69201545 נמצא במקום מהתקנה קודמת, השתמש ב- 69200921 "Y" מתחת למכסה שבצד ימין כדי לחבר את [299].
הערה
אם מותקן יותר ממגבר אחד בצד האחורי של הרכב, ניתן להשתמש ב-עד שני מחברים מסוג 69200921 .
1דגמי מחבר CAN ‏[319B] מ-2019 ומאוחרים יותר
2דגמי מחבר CAN ‏[319B] מהשנים 2014-2018
איור 3. מחבר CAN ‏[319B]
19. חבר את כבלי המצבר ‏(+) ו- (-).
הערה
אם במקביל מתקינים את ערכת ההתקנה של מגבר שלב II עבור יחידות בתי רמקול ב-Trike Tour-Pak, חבר מחבר [319B] של רתמה אחת אל הרכב מהציוד המקורי. (OE) חבר את [319A] של הרתמה הראשונה לתוך [319B] של הרתמה השנייה, ונתב לפני תא המצבר. נתב את [319A] של הרתמה השנייה אל המכסה הצדדי כדי שתשמש כקלט החדש עבור Digital Tech החדש. אין זה רלוונטי איזו מהרתמות מצוינת כרתמה ראשונה או שנייה.
20. חבר קלט מגבר:
a. תצורת 6 רמקולים של שלב I: התקן את הרתמה (296) ישירות לתוך הרתמה בת 16 הכניסות (שהותקנה קודם לכן דרך ערכת המגבר שבמעטפת), הממוקמת מאחורי מושב הנוסע. תצורת 6 רמקולים של שלב II התקן את הרתמה הדו-צדדית בעלת 3 כניסות (פריט 15, איור 9 ) לתוך הרתמה בת 16 הכניסות (שהותקנה קודם לכן דרך ערכת המגבר שבמעטפת), הממוקמת מאחורי מושב הנוסע. התקן רתמה [296] לתוך המחבר הדו-צדדי בן 3 הכניסות.
1מחבר מגבר
2מחברי וופר הרמקול הימני
3מחבר אמצע/טוויטר הרמקול הימני [36TB]
4מחבר של הגדרת תצורת המגבר [32]
5קוטב חיובי של המצבר [+B]
6קוטב שלילי של המצבר [-B]
7מחבר CAN חדש [319A] אל רתמת OE
8מחבר CAN [‏319B] אל נגד סופי, או אל שרשרת חיבורי חשמל אל רתמת מגבר נוספת
9מחבר קלט שמע [296]
10אמצע/טוויטר של רמקול שמאלי [37TB]
11מחברי הרמקול השמאלי
12תיבה עבור רמקול שמאלי
13תיבה עבור רמקול ימני
14חריץ מרכזי
15חומרה להרכבת הגוף
16חוט, קיים
17מסגרת חיזוק לחוטים, קיימת
18חשמל לאביזרים/להצתה [299]
איור 4. רתמת חוטים (במבט מלמטה למעלה)
1מחבר מגבר
2מחברי הרמקול (וופר) בצד שמאל
3מחבר הרמקול(אמצע/טוויטר) בצד שמאל [36TB] (שלב II בלבד)
4מחבר חוטים בתצורת קו ישר
5קוטב חיובי של המצבר [+B]
6קוטב שלילי של המצבר [-B]
7מחבר CAN חדש [319A] אל רתמת OE
8מחבר CAN [‏319B] אל נגד סופי, או אל שרשרת חיבורי חשמל אל רתמת מגבר נוספת
9מחבר קלט שמע [296]
10מחבר הרמקול (אמצע/טוויטר) בצד ימין [37TB] (שלב II בלבד)
11מחברי הרמקול (וופר) הימני
12תיבה עבור רמקול שמאלי
13תיבה עבור רמקול ימני
14צינור מסגרת ימני ומודול רוורס
15מחבר +B קו ישר [160A/B]
16חשמל לאביזרים/להצתה [299]
איור 5. רתמת חוטים ומחברים
1מחבר פלט ערוץ אחורי של הרדיו [296]
2מחבר קלט שמע [3]
איור 6. רתמת חוטים לקלט ולפלט שמע
1חשמל לאביזרים נלווים [299A]
2חשמל לאביזרים נלווים [299B]
איור 7. רתמת חוטים, מגשר
1חשמל לאביזרים נלווים [299B]
2חשמל לאביזרים נלווים [299A]
איור 8. רתמה לחוטי חשמל לאביזרים
התראה
חובה לעדכן את האקוולייזר של הרדיו אצל סוכן Harley-Davidson לפני הפעלת מערכת השמע. הפעלת מערכת השמע לפני עדכון האקוולייזר יפגע מיד ברמקולים. (00645d)
  1. התקן את הגוף. עיין במדריך הטיפולים.
  2. התקן את מעקה האחיזה של הנוסע. עיין במדריך הטיפולים.
  3. התקן את כיסויי הצד. עיין במדריך הטיפולים.
  4. עיין במדריך הטיפולים. התקן את המושב. לאחר התקנת המושב, משוך אותו כלפי מעלה כדי לוודא שהוא מאובטח.
  5. התקן את הנתיך הראשי. עיין במדריך הטיפולים.
הערות ל- DIGITAL TECHNICIAN
  1. כאשר תצורת הרתמה נקבעה כראוי, המגבר המותקן בערכה זו מזוהה כ-AMP 2. אף-על-פי שמגבר זה עשוי להיות המגבר השני או השלישי המותקן פיזית. עיין ב- איור 5 על מנת שה- Digital Technician יזהה את מגבר 2 (4) המחבר חייב להיות מנותק.
  2. כאשר נעשה שימוש ביחד עם רמקולים משלב I, ערוצי 3 & 4 מראים שהם פתוחים. ערוץ 1 רמקול שמאלי, ערוץ 2 הוא רמקול ימני.
  3. בעת שימוש עם רמקולים משלב II: ערוץ 1 הוא וופר שמאלי. ערוץ 2 הוא וופר ימני, ערוץ 3 נשאר אמצע/טוויטר, ערוץ 4 הוא אמצע/טוויטר ימני.
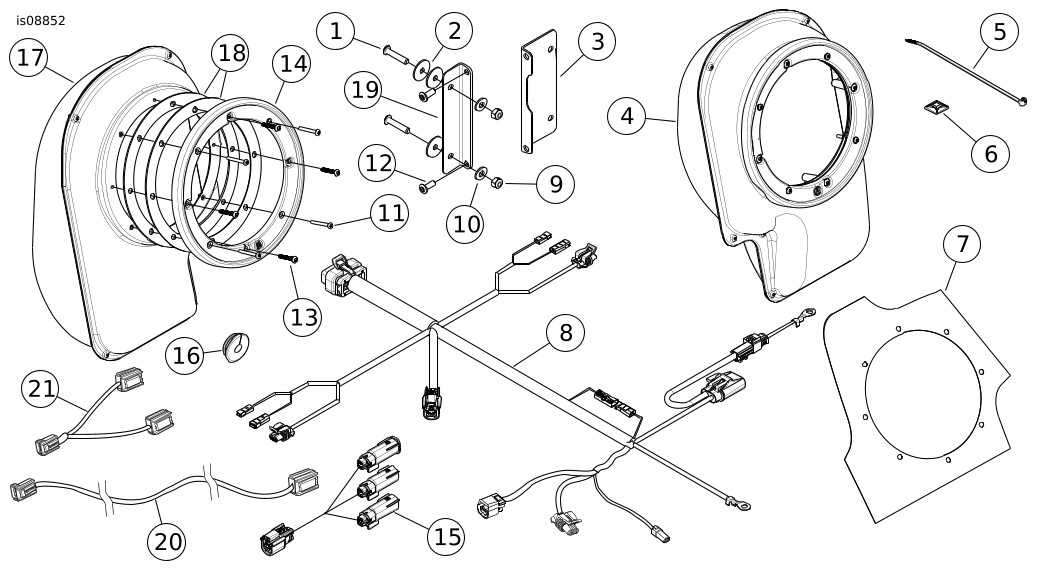
חלקי שירות
איור 9. חלקי שירות, ערכת התקנה להרחבת רמקולים
טבלה 1. חלקי שירות
פריט
תיאור (כמות)
מספר חלק
1
בורג (4)
2513
2
דסקית (6)
6036
3
מסגרת, תושבת מגבר, צד המחבר
לא נמכר בנפרד
4
תיבת רמקול, צד שמאל
לא נמכר בנפרד
5
רצועה קשירה (9)
10006
6
מסגרת חיזוק, מחזיק חוט (4)
69200342
7
שבלונה
76000628
8
רתמת חוטים, מגבר
לא נמכר בנפרד
9
אום, nylock
7686
10
דסקית (4)
6110
11
בורג (8)
2963
12
בורג (4)
926
13
‏בורג, plastite ‏(8)#8-16X 1 in.
לא נמכר בנפרד
14
טבעת עיטור, (שמאלית “A“)
76000612
טבעת עיטור, (ימנית “B“)
76000611
15
רתמת חוטים, קלט שמע
לא נמכר בנפרד
16
חבק, עגול (2)
12100071
17
תיבת רמקול, צד ימין
לא נמכר בנפרד
18
אטם, תיבה לרמקול (4)
76000619
19
מסגרת, תושבת מגבר, הצד שבו לא נמצא המחבר
לא נמכר בנפרד
20
רתמת מגשר
96201545
21
מחבר לחשמל
69200921
מידע תרשים חיווט
קודי צבעי חוטים
עבור חוטים בצבע אחיד: ראה הסמלים של תרשים המחברים/החיווט (טיפוסי). קוד האלפא מזהה את צבע החוט.
עבור חוטים עם פסים: הקוד כתוב עם קו נטוי (/) בין קוד הצבע האחיד לקוד הפס. לדוגמה, חוט איתור שכותרתו GN/Y הוא חוט ירוק עם פס צהוב.
סמלי תרשים חיווט
ראה הסמלים של תרשים המחברים/החיווט (טיפוסי). סוגריים מרובעים [] מציינים מספרי מחברים. האות בתוך הסוגריים מזהה אם הבית הוא בצורת שקע או פין.
A = פין: האות A וסמל הפין לאחר מספר המחבר מזהים את צד הפין של מחברי הסופיות.
B = שקע: האות B וסמל השקע לאחר מספר המחבר מזהים את צד השקע של מחברי הסופיות. סמלים אחרים הנמצאים על תרשימי החיווט כוללים:
דיודה: הדיודה מאפשרת זרימת זרם בכיוון אחד בלבד במעגל.
קיטוע חוט: קיטועי החוטים משמשים להציג הבדלים בין אפשרויות שונות או מעברי עמוד.
אין חיבור: שני חוטים שחוצים זה את זה בתרשים חיווט ושמוצגים ללא איחוי. הדבר מציין שהם אינם מחוברים יחד.
מעגל אל/מ: סמל זה מציין תרשים מעגל שלם בדף אחר. הסמל מציין גם את כיוון זרימת הזרם.
איחוי: איחויים נמצאים היכן ששני חוטים או יותר מחוברים יחד לאורך תרשים חיווט. הציון של איחוי מציין רק כי החוטים משולבים לתוך המעגל הזה. זה לא המיקום האמתי של האיחוי ברתמת החיווט.
הארקה: ניתן לסווג הארקות כנקיות או כמלוכלכות. ארקות נקיות מזוהות באמצעות חוט (שחור/ירוק) ולרוב הן ישמשו עבור חיישנים או מודולים.
הערה
הארקות נקיות בדרך כלל אינן כוללות מנועים חשמליים, סלילים חשמליים או כל דבר העלול לגרום להפרעות חשמליות במעגל ההארקה.
הארקות מלוכלכות מזוהות באמצעות חוט שחור (BK) ומשמשות עבור רכיבים שאינם כל כך רגישים להפרעות חשמליות.
זוג שזור: סמל זה מציין כי שני החוטים שזורים יחד ברתמה. פעולה זו ממזערת הפרעות אלקטרומגנטיות למעגל ממקורות חיצוניים. אם תיקונים נחוצים לחוטים אלה, הם צריכים להישאר כחוטים שזורים.
1מספר המחבר
2קוד סופית (A = פין, B = שקע)
3צבע חוט אחיד
4צבע חוט מפוספס
5סמל שקע
6סמל פין
7דיודה
8קיטוע חוט
9אין חיבור
10מעגל אל/מ
11איחוי
12הארקה
13זוג שזור
איור 10. סמלים של תרשים המחבר/החיווט
טבלה 2. קודי צבעי חוטים
קוד אלפא
צבע חוט
BE
כחול
BK
שחור
BN
חום
GN
ירוק
GY
אפור
LBE
כחול בהיר
LGN
ירוק בהיר
O
כתום
PK
ורוד
R
אדום
TN
בז‘
V
סגול
W
לבן
Y
צהוב
1סופית טבעתית חיובית [+B]
2מחבר +B קו ישר [160A/B]
3נתיך מגבר
4מחבר (אמצע/טוויטר) הרמקול הימני [36TB]
5וופר יחידת בית רמקול נתיקה אחורי [297A]
6מחבר מגבר במעטפת [149B]
7סופית טבעתית שלילית [B-]
8מחבר רמקול (אמצע/טוויטר) שמאלי [37TB]
9קלט מגבר [296B]
10חשמל לאביזרים/להצתה [299B]
11מחבר CAN ‏[319B]
12מחבר CAN ‏[319A]
איור 11. רתמת חיווט מגבר ראשי (מעטפת)
1קלט של מגבר משני
2קלט של מגבר משני
3קלט של מגבר משני
4קלט של מגבר משני
איור 12. רתמה לקלט שמע
1אביזר נלווה /חשמל [299B]
2אביזר נלווה /חשמל [299A]
איור 13. רתמת חוטים למגשר אחורי
1חשמל לאביזרים[299B], שקע
2חשמל לאביזרים[299A], פין
3חשמל לאביזרים[299A], פין
4חשמל לאביזרים[299B], שקע
5חשמל לאביזרים[299A], פין
6חשמל לאביזרים[299A], פין
איור 14. רתמת חשמל לאביזרים