KIT PEMASANGAN SPEAKER BODY BOOM!TRIKE
J063212018-11-02
UMUM
Dianjurkan untuk dipasang oleh dealer.
Nomor Kit
76000747A
Model
Untuk informasi kesesuaian model, baca katalog retail P&A atau bagian Komponen dan Aksesori di www.harley-davidson.com (hanya tersedia dalam Bahasa Inggris).
Persyaratan Pemasangan
Pembelian komponen atau aksesoris tambahan secara terpisah mungkin diperlukan untuk pemasangan kit ini secara benar. Komponen dan aksesori tambahan dapat dibeli secara terpisah di dealer Harley-Davidson.
Kit Amplifier (nomor komponen 76000277). Petunjuk untuk pemasangan amplifier dibahas dalam dokumen ini.
Jika lebih dari DUA amplifier dipasang, diperlukan Konektor Y Tiga Jalur Baterai + (No. Komponen 70270-04A, tersedia secara terpisah). SATU Konektor Y Tiga Jalur Baterai + dapat digunakan hingga tiga (3) amplifier tambahan
CATATAN
DILARANG menggabungkan speaker Tahap I dan Tahap II pada kendaraan yang sama.
PEMBERITAHUAN
EQ radio HARUS diperbarui oleh dealer Harley-Davidson SEBELUM mengoperasikan sistem audio. Pengoperasian sistem audio sebelum pembaruan EQ akan CEPAT merusak speaker. (00645d)
Pembaruan Radio EQ dengan menggunakan alat diagnostik Digital Technician ® II adalah sebagai berikut:
  • Dianjurkan sebelum PEMASANGAN speaker
  • Wajib dilakukan sebelum MENGOPERASIKAN sistem audio.
  • Hanya tersedia melalui dealer Harley-Davidson resmi.
PERINGATAN
Keselamatan pengendara dan penumpang bergantung pada pemasangan kit yang benar. Gunakan prosedur manual servis yang benar. Jika Anda tidak mampu menjalankan prosedur ini atau tidak memiliki alat yang tepat, mintalah dealer Harley-Davidson untuk melakukan pemasangan. Pemasangan yang salah terkait perangkat ini dapat menyebabkan kematian atau cedera parah. (00333b)
CATATAN
Lembar instruksi ini mengacu pada informasi manual servis. Manual servis kendaraan tahun/model ini dibutuhkan untuk pemasangan. Manual servis tersebut tersedia di dealer Harley-Davidson.
Kelebihan Muatan Kelistrikan
PERINGATAN
Saat memasang setiap aksesori kelistrikan, pastikan tidak melebihi nilai ampere maksimum pada sekring agar dapat melindungi sirkuit yang sedang diperbaiki. Jika menggunakan ampere maksimum di luar batas yang ditetapkan, kegagalan kelistrikan akan terjadi, yang dapat mengakibatkan kematian atau cedera parah. (00310a)
PEMBERITAHUAN
Menambahkan terlalu banyak aksesori listrik dapat membebani sistem pengisian daya kendaraan Anda. Jika gabungan aksesori elektrik yang beroperasi bersamaan menggunakan arus listrik yang lebih besar daripada yang dapat dihasilkan oleh sistem pengisian daya kendaraan, konsumsi listrik tersebut dapat menghabiskan daya baterai dan menyebabkan kerusakan pada sistem kelistrikan kendaraan. (00211d)
Amplifier ini membutuhkan arus tambahan hingga 8 ampere dari sistem kelistrikan.
Dengan membeli kit ini, Anda berhak mendapatkan perangkat lunak pengatur suara yang dikembangkan secara khusus untuk digunakan dengan Advanced Audio System. Pengatur suara unik ini dirancang untuk mengoptimalkan kinerja dan respons suara dari speaker bagian bawah fairing BOOM! Audio. Meskipun kit ini tidak dipasang oleh dealer Harley-Davidson, perangkat lunak pengatur suara khusus ini tersedia secara gratis di setiap dealer melalui Digital Technician II. Ongkos tenaga kerja dealer mungkin dikenakan untuk prosedur upgrade.
Isi Kit
Lihat Gambar 9 dan Tabel 1 .
PERSIAPAN
PERINGATAN
Untuk mencegah starter kendaraan tiba-tiba, yang dapat menyebabkan kematian atau cedera parah, lepas sekring utama sebelum melakukan pemasangan lampu depan. (00251b)
  1. Lepas sekring utama. Lihat manual servis.
  2. Lepas jok. Lihat manual servis.
  3. Lepas gagang pegangan penumpang. Lihat manual servis.
  4. Lepas penutup samping. Lihat manual servis.
  5. Lepaskan bodi dan letakkan pada bantalan pelindung. Lihat manual servis. Sepatbor dan Tour-Pak dapat tetap melekat pada bodi.
PEMASANGAN
CATATAN
Templat ini digunakan untuk kedua sisi bodi.
Pastikan bahwa tidak ada klip logam atau harnes kabel tertinggal di permukaan bagian dalam. Jika ditemukan klip penahan kabel logam (terutama pada sisi kiri kendaraan), gunakan pahat dan palu untuk melepaskan klip.
1. Lihat Gambar 1 . Sejajarkan templat (1) dengan salah satu sisi bodi trike (2). Tepi templat sejajar dengan ujung garis singgung putaran bidang kerja bodi. Kencangkan templat dengan selotip (3). Tusuk delapan lokasi lubang kecil (4). Tandai lubang besar (5) dengan spidol yang kontras atau pensil grease.
1Templat
2Bodi Trike
3Plester
4Lubang-lubang kecil
5Lubang besar
Gambar 1. Lokasi Templat
2. Lepaskan templat. Gunakan bor 7/32 inci (5,6 mm) untuk membuat delapan lubang kecil. Gunakan air saw (atau alat serupa) untuk memotong lubang tengah.
3. Balik templat dan ulangi langkah-langkah sebelumnya untuk sisi lain.
CATATAN
Jika kit pemasangan Amplifier Tahap II untuk pod Tour-Pak Trike dipasang bersamaan, gunakan templat persegi panjang yang disediakan di dalam kit untuk memotong lubang untuk gromet. Lubang di bodi Trike utama untuk wadah sisi kiri menyediakan akses yang lebih besar untuk menggunakan bor 25,4 mm (1 inci).
4. Khusus sisi interior ampelas secara perlahan permukaan bodi di sekeliling bagian tengah dan pasang baut pada bukaan lubang untuk memastikan permukaan gasket yang bagus. Persiapan permukaan yang tepat membantu mengurangi bunyi dengung, decit, atau gemeretak yang disebabkan oleh peningkatan tekanan suara dari sistem BOOM! audio Anda.
5. Lihat Gambar 9 . Pasang braket (3) ke sisi konektor pada amplifier (amplifier dijual terpisah). Kencangkan dengan sekrup (12). Kencangkan.
Torque: 9,4–12,2 N·m (7–9 ft-lbs) Sekrup (12)
6. Lihat Gambar 2 . Letakkan amplifier dan braket (1) di atas empat bantalan yang lebih tinggi (4 dan 7). Arahkan konektor menuju sisi kiri kendaraan seperti yang ditunjukkan pada gambar. Pusatkan lubang bawah di atas bantalan yang lebih rendah (4).
7. Tandai lokasi lubang. Lepaskan amplifier dengan braket. Buat empat lubang dengan bor 9/32 inci (7,2 mm).
8. Bersihkan semua permukaan bidang kerja pada bodi dengan isopropil alkohol 50-70% dan air suling 30-50%. Biarkan hingga kering sepenuhnya.
9. Pemasangan wadah speaker.
a. Lihat Gambar 9 . Letakkan satu gasket (18) pada permukaan luar. Sejajarkan lubangnya.
b. Letakkan cincin trim (14) di atas gasket dan lubang tengah. (Cincin trim kiri ditandai "A". Cincin trim kanan ditandai “B”.) Putar cincin trim sehingga huruf terletak di bagian bawah.
c. Letakkan wadah yang benar (17 atau 4) dengan gasket di dalam bodi.
d. Raih melalui lubang tengah. Sejajarkan lubang di dalam wadah, gasket, (18) dan bodi. Masukkan sekrup plastite (13) melalui lubang berbentuk sekrup.
e. Kencangkan sekrup plastite dua atau tiga putaran. Putar secukupnya agar wadah bisa menjuntai.
f. Masukkan sekrup plastite ke dalam lubang berbentuk sekrup berlawanan arah dengan sekrup pertama. Sejajarkan wadah, gasket, cincin trim bodi, dan sekrup. Putar sekrup beberapa kali untuk mengencangkan wadah.
g. Masukkan sekrup plastite ke dalam dua lubang sekrup yang tersisa. Sejajarkan wadah, gasket, cincin trim bodi, dan sekrup. Putar sekrup beberapa kali untuk mengencangkan wadah.
h. Kencangkan sekrup plastite dalam pola bergantian. Kencangkan.
Torque: 2,2 N·m (20 in-lbs) Sekrup plastite
10. Ulangi langkah sebelumnya untuk memasang wadah dan komponen di sisi lainnya.
11. Lihat Gambar 2 . Pasang cincin pengunci (5) pada sekrup (6). Pasang melalui lubang-lubang dari dalam bagasi. Dari luar bagasi, pasang cincin pengunci tambahan (5) di atas sekrup bagian atas untuk berfungsi sebagai spacer. Letakkan amplifier dan braket (1) di atas empat bantalan yang lebih tinggi (4 dan 7). Arahkan konektor menuju sisi kiri kendaraan. Pasang cincin pengunci (2) di atas braket dan sekrup. Kencangkan dengan mur (3). Kencangkan.
Torque: 10,8–12,2 N·m (96–108 in-lbs) Mur (3)
1Amplifier
2Cincin pengunci (4)
3Mur, nylock (4)
4Bantalan bawah (2)
5Cincin pengunci (6)
6Sekrup (4)
7Bantalan, atas (2)
Gambar 2. Pemasangan Amplifier
12. Lihat Gambar 4 . Atur jalur kabel yang ada (16).
13. Sambungkan harnes kabel ke amplifier.
14. Lihat Gambar 4 dan Gambar 5 . Sambungkan harnes untuk speaker dan amplifier. Kencangkan kabel jika diperlukan.
15. Letakkan rangka pada bodi. Lihat manual servis. Bodi tidak perlu dikencangkan hingga semua pemasangan dan pengaturan kabel selesai.
CATATAN
Jika bodi dilepas kemudian untuk diservis, sambungan harnes harus diputus dari kendaraan/rangka utama. Harnes dapat dibiarkan terhubung ke amplifier dan speaker.
CATATAN
Konfigurasikan harnes agar cocok dengan amplifier. Kesalahan konfigurasi harnes dapat menyebabkan kesalahan pemuatan berkas EQ dan menyebabkan kerusakan pada speaker. Cari kabel konfigurasi [32] di sepanjang harnes utama. Pastikan bahwa terminal laki dan perempuan tidak tersambung.
16. Model 2017 dan 2018: Selesaikan Penyambungan harnes:
a. Sambungkan harnes kit ke depan di sepanjang rel rangka yang mengikuti harnes utama di bawah tulang punggung.
b. Sambungkan harnes di sepanjang sisi kanan rongga baterai di antara baterai dan solenoid reverse. Tempatkan kabel sekring merah dan kabel ground hitam di depan baterai.
c. Lihat Gambar 3 . Cari konektor CAN Delphi 2 jalur [319B] (1) di bawah penutup sisi kanan.
d. Tutupnya adalah paket resistor pemutus yang dipasang pada caddy listrik. Lepaskan konektor [319B] (1) dari paket resistor.
e. Sambungkan [319A] dari harnes yang disediakan bersama dengan kit (Lihat Gambar 5 item 7) ke [319B] (1) kendaraan.
f. Jika ini satu-satunya sambungan amplifier (belakang) dalam instalasi ini, sambungkan sisi [319B] (1) harnes C dari kit kembali ke paket resistor pemutus dari langkah "B" di atas. Jika beberapa amplifier belakang digunakan, buat rantai daisy [319B] dari harnes ini ke [319A] dari harnes amplifier berikutnya. Selalu pastikan bahwa konektor yang tersisa [319B] terhubung ke resistor pemutus dari kendaraan.
17. Model 2019 dan Setelahnya: Selesaikan Penyambungan harnes:
a. Sambungkan harnes kit ke depan di sepanjang rel rangka yang mengikuti harnes utama di bawah tulang punggung.
b. Pisahkan tiga pengikat kabel yang menahan harnes konektor [319B] (1).
c. Lihat Gambar 3 . Sambungkan konektor [319B] (1) dan [319A] di sepanjang kemudian di bawah rangka ke sisi kiri dari konektor kendaraan CAN.
d. Sambungkan sisa bagian harnes di sepanjang sisi kanan rongga baterai di antara baterai dan solenoid reverse.
e. Tempatkan kabel sekring merah dan kabel ground hitam di depan baterai.
f. Lihat Gambar 3 . Cari konektor CAN Delphi 2 jalur [319B] (1) di bawah penutup sisi kanan.
g. Tutupnya adalah paket resistor pemutus yang dipasang pada caddy listrik. Lepaskan konektor [319B] (1) dari paket resistor.
h. Sambungkan [319A] dari harnes yang disediakan bersama dengan kit (Lihat Gambar 5 item 7) ke [319B] (1) kendaraan.
i. Jika ini satu-satunya sambungan amplifier (belakang) dalam instalasi ini, sambungkan sisi [319B] (1) harnes C dari kit kembali ke paket resistor pemutus dari langkah "B" di atas. Jika beberapa amplifier belakang digunakan, buat rantai daisy [319B] dari harnes ini ke [319A] dari harnes amplifier berikutnya. Selalu pastikan bahwa konektor yang tersisa [319B] terhubung ke resistor pemutus dari kendaraan.
18.
a. Cari konektor 299 pada kendaraan (di bawah faring dalam, baca petunjuk lokasinya pada manual servis). Konektor ini mungkin sudah terhubung ke amplifier faring.
b. Pasang "Y" 69200921 (Lihat Gambar 8 ) ke sisi kendaraan 299, dengan salah satu ujungnya ke harnes amplifier faring.
c. Pasang jumper 69201545 (Lihat Gambar 7 ) ke ujung lain dari "Y" 69200921 di dalam faring. (Jika jumper 69201545 telah terpasang pada kendaraan, langsung ke "e" Jangan memasang lebih dari satu jumper 69201545.)
d. Sambungkan jumper 69201545 melalui faring bagian dalam dan ke dalam celah kabel di sepanjang sambungan harnes Faring.
e. Cari ujung jumper 69201545 di bawah penutup sisi kanan di dekat konektor [319]. Jika terdapat 69201545 dari pemasangan yang sebelumnya, gunakan "Y" 69200921 di bawah penutup sisi kanan untuk menyambung [299].
CATATAN
Jika lebih dari satu amplifier dipasang di bagian belakang kendaraan, maksimal dua konektor 69200921 dapat digunakan.
1Konektor CAN [319B] model tahun 2019 dan setelahnya
2Konektor CAN [319B] model tahun 2014-2018
Gambar 3. Konektor CAN [319B]
19. Pasang kabel baterai (+) dan (-).
CATATAN
Jika kit pemasangan Amplifier Tahap II dipasang bersamaan untuk pod Tour-Pak Trike, pasang konektor [319B] dari satu harnes ke OE kendaraan. Hubungkan [319A] dari harnes pertama ke dalam [319B] dari harnes kedua dan sambung di depan tempat baterai. Sambung [319A] dari harnes kedua di atas penutup sisi agar berfungsi sebagai input baru dari Tech Digital. Penentuan harnes pertama atau kedua tidak relevan.
20. Sambungkan input amplifier:
a. Konfigurasi 6 speaker Tahap I: Pasang harness [296] langsung ke harnes 16 jalur (sebelumnya dipasang melalui kit amplifier fairing), yang terletak di belakang jok penumpang. Konfigurasi 6 speaker Tahap II: Pasang harnes interkonektor 3 jalur (item 15, Gambar 9 ) ke dalam harnes 16 jalur (sebelumnya dipasang melalui kit amplifier fairing), yang terletak di belakang jok penumpang. Pasang harnes [296] ke dalam interkonektor 3 jalur.
1Konektor amplifier
2Konektor woofer speaker kanan
3Konektor mid/tweeter speaker kanan [36TB]
4Konektor pengaturan konfigurasi amplifier [32]
5Terminal baterai positif [B+]
6Terminal baterai negatif [B-]
7Konektor CAN baru [319A] ke harnes OE
8Konektor CAN [319B] ke resistor pemutus, atau buat rantai dasiy ke harnes amplifier tambahan
9Konektor input audio [296]
10Mid/tweeter speaker kiri [37TB]
11Konektor speaker kiri
12Wadah speaker kiri
13Wadah speaker kanan
14Takik tengah
15Perangkat keras pemasangan bodi
16Kabel, yang sudah ada
17Braket kabel, yang sudah ada
18Daya Aksesori/Ignisi [299]
Gambar 4. Harnes Kabel (dilihat dari bawah ke atas)
1Konektor amplifier
2Konektor (woofer) speaker kiri
3Konektor (mid/tweeter) speaker kiri [36TB] (khusus tahap II)
4Konektor kabel konfigurasi inline (tidak terpisah)
5Terminal baterai positif [B+]
6Terminal baterai negatif [B-]
7Konektor CAN baru [319A] ke harnes OE
8Konektor CAN [319B] ke resistor pemutus, atau buat rantai dasiy ke harnes amplifier tambahan
9Konektor input audio [296]
10Konektor (mid/tweeter) speaker kanan [37TB] (khusus tahap II)
11Konektor (woofer) speaker kanan
12Wadah speaker kiri
13Wadah speaker kanan
14Modul reverse dan tabung rangka sisi kanan
15Konektor B+ inline [160A/B]
16Daya Aksesori/Ignisi [299]
Gambar 5. Konektor dan Harnes Kabel
1Konektor output saluran belakang radio [296]
2Konektor input audio (3)
Gambar 6. Harnes Kabel Output dan Input Audio
1Daya aksesori [299A]
2Daya aksesori [299B]
Gambar 7. Jumper, Harnes Kabel
1Daya aksesori [299B]
2Daya aksesori [299A]
Gambar 8. Harnes Kabel Daya Aksesori
PEMBERITAHUAN
EQ radio HARUS diperbarui oleh dealer Harley-Davidson SEBELUM mengoperasikan sistem audio. Pengoperasian sistem audio sebelum pembaruan EQ akan CEPAT merusak speaker. (00645d)
  1. Pasang bodi. Lihat manual servis.
  2. Pasang gagang pegangan penumpang. Lihat manual servis.
  3. Pasang penutup samping. Lihat manual servis.
  4. Lihat manual servis. Pasang jok. Setelah memasang jok, pastikan jok terpasang kencang dengan menariknya ke atas.
  5. Pasang sekring utama. Lihat manual servis.
CATATAN DIGITAL TECHNICIAN
  1. Jika harnes dikonfigurasi dengan benar, amplifier yang dipasang di kit ini dikenali sebagai AMP 2. Meskipun amplifier ini adalah amplifier kedua atau ketiga yang terpasang secara fisik. Lihat Gambar 5 Agar Digital Technician mengenali konektor amplifier 2 (4) Lihat harus dilepaskan.
  2. Jika digunakan dengan speaker Tahap I, saluran 3 & 4 tampak terbuka. Saluran 1 adalah speaker kiri, saluran 2 adalah speaker kanan.
  3. Jika digunakan dengan speaker Tahap II: saluran 1 adalah woofer kiri. Saluran 2 adalah woofer kanan, saluran 3 tetap mid/tweeter, saluran 4 adalah mid/tweeter kanan.
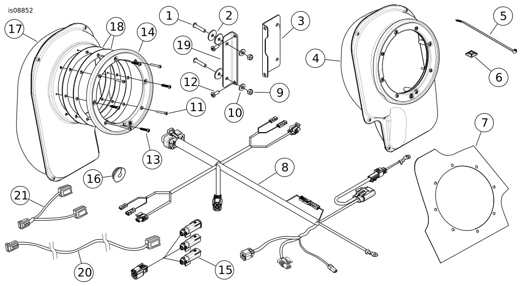
KOMPONEN SERVIS
Gambar 9. Komponen Servis, Kit Pemasangan Ekspansi Speaker
Tabel 1. Komponen Servis
Item
Deskripsi (Jumlah)
Nomor Komponen
1
Sekrup (4)
2513
2
Cincin pengunci (6)
6036
3
Braket, dudukan amplifier, sisi konektor
Tidak dijual terpisah
4
Wadah speaker, kiri
Tidak dijual terpisah
5
Tali pengikat (9)
10006
6
Braket, penahan kabel (4)
69200342
7
Templat
76000628
8
Harnes kabel, amplifier
Tidak dijual terpisah
9
Mur, nylock
7686
10
Cincin pengunci (4)
6110
11
Sekrup (8)
2963
12
Sekrup (4)
926
13
Sekrup, plastite (8), #8-16 x 1 inci.
Tidak dijual terpisah
14
Cincin trim, (“A” kiri)
76000612
Cincin trim, ("B" kanan)
76000611
15
Harnes kabel, input audio
Tidak dijual terpisah
16
Gromet, bundar (2)
12100071
17
Wadah speaker, kanan
Tidak dijual terpisah
18
Gasket, wadah speaker (4)
76000619
19
Braket, dudukan amplifier, sisi nonkonektor
Tidak dijual terpisah
20
Harnes jumper
96201545
21
Konektor daya
69200921
Informasi Diagram Pengabelan
Kode Warna Kabel
Untuk Kabel Warna Polos: Lihat Simbol Diagram Konektor/Pengabelan (Khas). Kode alfa menunjukkan warna kabel.
Untuk Kabel Bergaris: Kode ditulis dengan garis miring (/) di antara kode warna polos dan kode bergaris. Sebagai contoh, tanda berlabel GN/Y adalah kabel hijau dengan garis kuning.
Simbol Diagram Pengabelan
Lihat Simbol Diagram Konektor/Pengabelan (Khas). Tanda Kurung [ ] menunjukkan nomor konektor. Huruf di dalam kurung menunjukkan apakah housing berupa soket atau housing pin.
A=Pin: Huruf A dan simbol pin setelah nomor konektor menunjukkan sisi pin dari konektor terminal.
B=Soket: Huruf B dan simbol soket setelah nomor konektor menunjukkan sisi soket dari konektor terminal. Simbol-simbol lainnya yang ditemukan pada diagram pengabelan meliputi:
Diode: Diode mengalirkan arus listrik dalam satu arah saja di dalam rangkaian.
Kabel putus: Kabel putus digunakan untuk menunjukkan variansi pilihan atau jeda halaman.
Tidak Ada Koneksi: Dua kabel yang saling menyilang dalam diagram pengabelan yang ditampilkan tanpa sambungan menunjukkan bahwa kabel tersebut tidak terhubung.
Rangkaian listrik ke/dari: Simbol ini menunjukkan diagram rangkaian listrik lengkap pada halaman lain. Simbol ini juga menunjukkan arah aliran arus listrik.
Sambungan: Sambungan menunjukkan dua kabel atau lebih dihubungkan di sepanjang diagram pengabelan. Tanda sambungan hanya menunjukkan bahwa kabel disambung ke rangkaian tersebut. Ini bukan lokasi sambungan yang benar dalam harnes kabel.
Arde: Arde dibedakan menjadi arde bersih atau arde kotor. Arde bersih berupa kabel (BK/GN) dan biasanya digunakan untuk sensor atau modul.
CATATAN
Arde bersih biasanya tidak memiliki motor, kumparan listrik, atau apa saja yang dapat menyebabkan gangguan listrik pada rangkaian arde.
Arde kotor berupa kabel (BK) dan digunakan untuk komponen yang kurang peka terhadap gangguan listrik.
Pasangan berpilin: Simbol ini menunjukkan bahwa dua kabel dipilin bersama-sama di dalam harnes. Ini meminimalkan gangguan elektromagnetik rangkaian listrik dari sumber eksternal. Jika perbaikan dibutuhkan, kabel-kabel ini harus tetap dalam kondisi berpilin.
1Nomor konektor
2Kode Terminal (A = pin, B = soket)
3Warna kabel polos
4Warna kabel bergaris
5Simbol soket
6Simbol pin
7Diode
8Kabel putus
9Tidak ada koneksi
10Rangkaian listrik dari/ke
11Sambungan
12Arde
13Pasangan berpilin
Gambar 10. Simbol Diagram Konektor/Pengabelan
Tabel 2. Kode Warna Kabel
KODE ALFA
WARNA KABEL
BE
Biru
BK
Hitam
BN
Cokelat
GN
Hijau
GY
Abu-Abu
LBE
Biru Muda
LGN
Hijau Muda
O
Oranye
PK
Merah Jambu
R
Merah
TN
Cokelat Muda
V
Ungu
W
Putih
Y
Kuning
1Terminal cincin positif [B+]
2Konektor B+ inline [160A/B]
3Sekring amplifier
4Konektor (mid/tweeter) speaker kanan [36TB]
5Woofer pod speaker belakang [297A]
6Konektor amplifier fairing [149B]
7Terminal cincin negatif [B-]
8Konektor (mid/tweeter) speaker kiri [37TB]
9Input amplifier [296B]
10Daya Aksesori/Ignisi [299B]
11Konektor CAN [319B]
12Konektor CAN [319A]
Gambar 11. Harnes Kabel Amplifier Utama (Fairing)
1Input amplifier sekunder
2Output amplifier sekunder
3Output amplifier sekunder
4Output amplifier sekunder
Gambar 12. Harnes Input Audio
1Aksesori/Daya [299B]
2Aksesori/Daya [299A]
Gambar 13. Harnes Kabel Jumper Belakang
1Daya aksesori [299B], soket
2Daya aksesori [299A], pin
3Daya aksesori [299A], pin
4Daya aksesori [299B], soket
5Daya aksesori [299A], pin
6Daya aksesori [299A], pin
Gambar 14. Harnes Daya Aksesori