ערכות ידיות כידון מחוממות
J042592021-06-15
כללי
מספרי ערכה
56047-08A, 56049-08A, 56196-08A, 56512-08A, 56828-08A, 56926-08A, 56100027, 56100047, 56100107, 56100253, 56100255, 56100257, 56100258, 56100260, 56100263, 56100267, 56100362, 56100412
דגמים
למידע אודות התאמה לדגם, עיין בסעיף P & A בקטלוג הקמעונאי או בפרק על חלקים ואביזרים של www.harley-davidson.com (אנגלית בלבד).
ידיות כידון אלה מצוידות בחוטי חשמל חיצוניים בצד שמאל. לא ניתן לחווט חוטים אלה באופן פנימי.
דרישות התקנה
אלא אם כן מותקן כבר:
דגמי Touring מ-2017 והלאה חייבים רכישה נפרדת של רתמה חיבור חשמלית (חלק מס‘ 69201599A).
דגמי Touring מ2014-2016 חייבים רכישה נפרדת של רתמה חיבור חשמלית (חלק מס‘ 69200722).
דגמי Softail מ2016-2017 חייבים רכישה נפרדת של רתמה חיבור חשמלית (חלק H-D מס‘ 72673-11).
דגמי Softail מ-2018 והלאה חייבים רכישה נפרדת של רתמה חיבור חשמלית (חלק מס‘ 69201599A).
אזהרה
הבטיחות של הרוכב והנוסע תלויה בהתקנה נכונה של הערכה הזאת. השתמש בהליכי הטיפול המתאימים שבמדריך. אם אינך מסוגל לבצע את הנוהל או אם אין לך הכלים הנכונים, בצע את ההתקנה בסוכנות Harley-Davidson. התקנה לא נאותה של הערכה הזאת עלולה לגרום למוות או פגיעה חמורה. (00333b)
הערה
גיליון הנחיות זה מתייחס למידע במדריך השירות. מדריך שירות לאופנועים משנה/דגם זה נדרש להתקנה זו. ניתן לקבל מדריך זה בסוכנויות Harley-Davidson.
עומס יתר חשמלי
התראה
ניתן להעמיס יתר על המידה את מערכת הטעינה של הרכב על ידי הוספת יותר מדי אביזרי חשמל. אם כלל הציוד החשמלי הפועל בעת ובעונה אחת צורך יותר חשמל מכפי שהמערכת יכולה להפיק, צריכת החשמל עלולה לגרום להתרוקנות המצבר ולגרום נזק למערכת החשמל של הרכב. (00211d)
אזהרה
בעת התקנת אביזר חשמלי כלשהו, הקפד שלא לחרוג מעבר לדירוג המרבי של עוצמת הזרם המרבית של הנתיך או מפסק המעגל המגן על המעגל שבו מבוצע השינוי. חריגה מעבר לעוצמת הזרם המרבית עלולה לגרום לתקלות חשמליות, וכתוצאה מכך לגרום למוות או פציעה חמורה. (00310a)
ערכה זו דורשת עד 2.8 אמפר יותר מתח מהמערכת החשמלית.
תכולת הערכה
כל ערכה מכילה זוג אחד של ידיות מחוממות ובנוסף חיבור חלקים. ראה איור 8 ו- טבלה 1 .
הכנה
אזהרה
כדי למנוע התנעה בשוגג של הרכב העלולה לגרום למוות או פציעה חמורה, הסר את הנתיך הראשי לפני שתמשיך. (00251b)
הערה
  • עבור כלי רכב המצוידים בסירנת אבטחה: עם מבטח fob בנמצא, העבר את המתנע למצב ON. שחרר את דריכת מערכת האבטחה. הסר מיד את הנתיך הראשי על פי המצוין במדריך השירות.
  • לרכבים ללא סירנת אבטחה: עיין במדריך השירות כיצד להסיר את הנתיך הראשי.
אזהרה
בעת הטיפול במערכת הדלק, אסור לעשן או לאפשר הימצאות להבה פתוחה או ניצוצות בסביבה. בנזין הוא חומר דליק ונפיץ מאוד, העלול לגרום למוות או פגיעה חמורה. (00330a)
  1. הסר את מיכל הדלק על פי המצוין במדריך השירות.
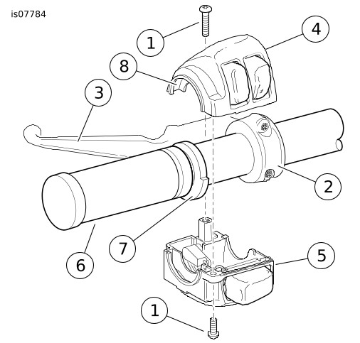
1בורג (2)
2מהדר כידון
3מכלול ידית מצמד
4תושבות מתג עליון
5תושבות מתג תחתון
6ידית כידון שמאלי
7קוטר גדול יותר של האוגן
8חריצים
איור 1. תושבת מתג ידית שמאלית (דגמי Tourinמ-2008-2013, דגמי Softail מהשנים 2006 והלאה)
הסרה
הסרת ידית מצד ימין
הערה
  • כסה חלקים צבועים על מנת להגן על הגימור.
1. עיין במדריך השירות לקבלת מידע ספציפי אודות השלבים הכלליים הבאים.
a. עיין ב איור 1 או איור 2 . שחרר שני ברגים (1) ואת מהדק הכידון (2).
b. הצב את מכלול ידית המצמד (3) הרחק מתושבת המתג.
c. הפרד את שני חלקי תושבת המתג (4, 5).
2. עם ידית "ללא דבק": הסר את הידית מהכידון. עם ידית מודבקת: הסר את הידית על ידי חיתוך זהיר מ הכידון באמצעות להב חד או סכין.
1בורג (2)
2מהדר כידון
3מכלול ידית מצמד
4תושבת המתג הקדמי
5תושבת המתג האחורי
6מגן
7כיסוי הדק מתג אצבע
איור 2. תושבות מתג הכידון השמאלי (Touring משנת 2014 והלאה)
הסרת ידית מצד ימין
דגמי Touring מ-2008-2013:
התראה
אין להסיר או להתקין את מכלול משאבת הבלם הראשית מבלי להציב תחילה תותב בעובי של 5/32-אינץ‘(4 מ“מ) בין ידית הבלם לבין תושבת הידית. הסרה או התקנה של מכלול משאבת הבלם הראשית מבלי שהתותב במקומו עלולות לגרום נזק לנעל הגומי ולטובלן במתג אור הבלימה הקדמי. (00324a)
הערה
השתמש הלולאות של רצועת הכבל אם מילוי הקרטון אינו זמין. ראה איור 3 .
כל הדגמים
  1. עיין במדריך השירות לקבלת מידע ספציפי אודות השלבים הכלליים הבאים.
    1. שחרר שני ברגים ואת מהדק הכידון.
    2. מקם את מכלול צילינדר ידית הבלם/מאסטר מתושבת המתג.
    3. הפרד את שני חלקי תושבת המתג.
    4. דגמי Touring מ-2008-2013: הסר את נעלי החיכוך אן נמצאים.
  2. לכל הדגמים: הסר את הידית מהכידון.
הערה
  • לחיישן ידית מפותלת בצד ימין של הכידון יש כיסוי איטום המגן על האלקטרודות הפנימיות מפני לכלוך ולחות. כיסוי האיטום משמש גם כהתקן שמירה על ידית המצערת.
  • להסרה, משוך את הידית.
  • לאחר הסרת ידית, בדוק את מיקומו של כיסוי האיטום.
אם כיסוי האיטום עדיין מהודק אל הפינים בתוך ידית המצערת הישנה, ניתן להשליך אותו יחד עם הידית.
אם כיסוי האיטום עדיין מהודק אל קצה חיישן הידית המפותלת:
  • ראה איור 4 . הכנס מברג קטן או כלי שטוח אחר אל האזור השטוח בצד אחד של כיסוי האיטום.
  • דחוף את הרגלית שבצד התחתון של הכיסוי כדי לשחרר אותה מהחריץ שבקצה חיישן הידית המפותלת. הרם קצה אחד של הכיסוי.
  • חזור בצד השני של הכיסוי.
  • הסיר בזהירות את הכיסוי והשלך אותו.
1מילוי בעובי 5/32 אינץ‘ (4 מ“מ)
2ידית בלם
3מסגרת ידית הבלם
איור 3. הגן על מתג נורת עצירה אחורית
1כידון
2חיישן ידית מצערת מפותלת
3כיסוי איטום
איור 4. הסר את כיסוי האטם
התקנה
הערה
לחיישן ידית המשנק יש שני חוטים, מכוסים בנדן, היוצאת מהקצה שנכנס לכידון. לחוטים האלה:
  • יש לי שרוול מתכווץ שחור מעליהם, או
  • מסתיימים במחבר חשמלי עם 2-שיניים
הערה
בחלק מהכידונים עם החיווט הפנימי, כמו Chizeled או דגמים להם יש מאותתי פנייה שמורכבים על הכידון, יתכן ויידרש פירוק מחברי הידית המחוממת.
  • צלם את כל המחברים לפני הפירוק לשם ההרכבה מחדש.
  • כדי לסייע במשיכת החוטים, רסס/שפשף עם מי סבון
1. ראה הסרת חיישן ידית מפותלת במדריך הטיפולים. בצע את ההוראות עבור הדגם המסוים כדי:
a. להיכנס למחבר חיישן רתמת הגישור שח ידית מפותלת בשש-דרכים [204] בתוך הרכב. נתק את חצאי המחבר.
b. משוך בעדינות את חיישן הידית המפותלת מהכידון רק מספיק כדי לגשת לשרוול המתכווץ השחור או למחבר הידית המחוממת.
2. ראה איור 8 . קח את הידית המחוממת של צד שמאל (1), רתמת חוט ארוך (15) ורתמת מאריך החוט הקצר (8) מהערכה. קבע אם נדרשת הארכה עבור התקנה זו: האם המחבר חורג מעבר לקצה הנגדי של הכידון? אם כן: ההארכה אינה דרושה. ניתן להשליך אותה. נתק את רתמת החוט מהידית של צד שמאל. אם לא: נתק את רתמת החוט מהידית של צד שמאל. חבר את ההארכה למחבר ברתמת החיווט. שים בצד את הידית השמאלית, את רתמת החוט או מכלול הרתמה.
a. חבר זמנית את רתמת החיווט למחבר שבקצה ידית הכידון המחוממת השמאלית.
b. החזק את הידית ואת רתמת החוט המצורפת למקומם לאורך מחוץ לכידון כאילו המכלול הותקן על הכידון.
c. המחבר בקצה רתמת החיווט צריך לחרוג מעבר לקצה הימני של הכידון.
הערה
אל תחתוך חוטים מובילים אל המחבר הירוק שעל חיישן הידית המפותלת. חתוך את השרוול המתכווץ השחור בלבד.
d. מצא את מחבר המעבר על חיישן הידית המפותלת. זה מחבר צד פין דו-כיווני, עיין במדריך השירות לגבי מיקומו.
3. מצא את הרתמה השחורה המגיעה מהמרכז של חיישן הידית המפותלת.
4. קח את רתמת החוט שהנחת בצד בשלב 2.
5. חבר את תושבת השקע שעל חוטי החיישן לתושבת הפין השחור בקצה של רתמת החוטים.
הערה
אפשר להשתמש בלחץ אוויר או סרט הדבקה חשמלי כדי להשחיל את רתמת החוטים דרך הכידון.
6. השחל את רתמות החיווט של המחבר ושל חיישן הידית המסתובבת לתוך צד ימין של הכידון.
a. תוך כדי השחלת החיווט לתוך הכידון, משוך בעדינות את המחבר בסוף רתמת הגישור של חיישן הידית המפותלת כדי למשוך את חיישן הידית המפותלת לתוך הכידון.
b. השחל את רתמת חוט הידית המחוממת השמאלית כל הדרך עד שתצא בצד שמאל של הכידון.
c. התאם את לשוניות הסימון שעל חיישן הידית המפותלת לתוך החריצים בכידון. לשונית סימון אחת וחריץ אחד קטנים יותר מהאחרים כדי למנוע הרכבה לא תקינה.
הערה
  • נקה ביסודיות את הכידון כדי להסיר את כל שאריות דבק.
  • הסר את טבעת המגן (מסומן ב-"REMOVE PRIOR TO ASSEMBLY") מקצה הידית השמאלית החדשה.
7. הדק את תושבת השקע הלבן לידית המחוממת החדשה שבצד שמאל (1).
דגמי Touring מהשנים 2008-2013 ודגמי Softail משנת 2016 ואילך:
1. ראה איור 1 . הצב את הידית המחוממת השמאלית (6) כך שהחלק הגדול יותר של הקוטר של האוגן (7) נמצא בתחתית. דחוף את הידית לגמרי על גבי הכידון.
a. הצב את תושבת המתג התחתון מתחת לידית. החריצים (8) בצד החיצוני של תושבת המתג חייבים להתאים מעל לאוגן שבקצה הידית.
b. הצב את תושבת המתג העליון מעל לכידון ולתושבת המתג התחתון.
c. התחל בהברגת בורגי תושבות המתג העליון והתחתון, אך אל תהדק. ודא שמוליך רתמת החוטים עובר בשקע שבתחתית הכידון.
d. הצב את מכלול ידית המצמד כלפי פנים ביחס למכלול תושבת המתג. שלב את הלשונית שעל תושבת המתג התחתון בחריץ שבתחתית מסגרת ידית המצמד.
e. יישר את החור שבמהדק הכידון עם החור שבמסגרת ידית המצמד. התחל להבריג את הבורג התחתון עם הדסקית השטוחה. התאם את תושבת המתג, ומיקום בקרת מצמד ידנית לנוחות הרוכב.
f. הדק קודם את בורגי מהדק הכידון העליונים ולאחר מכן את בורגי מהדק הכידון התחתונים.
מומנט סיבוב: 6.8–9 N·m (60–80 in-lbs)
g. הדק קודם את בורגי תושבת המתג התחתון ולאחר מכן את בורגי תושבת המתג העליון.
מומנט סיבוב: 4–5.4 N·m (35–48 in-lbs)
דגמי Touring מ-2008-2013:
1. ראה איור 5 . מצא את מחבר +B (קוטב סוללה חיובי) (1) על הרתמה החשמלית הראשית מתחת למושב (חוט אדום עם מחבר אפור שאינו בשימוש). הסר את המכסה (2) מהמחבר.
2. ראה איור 8 . חבר את מתאם הרתמה (11) מהערכה למחבר +B.
3. חתוך את החוט האדום של רתמת הידית המחוממת עד שתגיע לקצה של החוט האדום של רתמת המתאם. השתמש במחבר אטום שזור (4) מהערכה לשזירת שני החוטים לפי מדריך השירות.
1מחבר +B
2מכסה
איור 5. מחבר +B
4. קח את חוט מתאם תיבת הנתיכים הכתום/לבן (10) מהערכה. שים לב לטרמינל בכל קצה (ראה איור 6 . רק הטרמינל שללא לשוניות הקפיץ מתאים לחלל הנתיך. חתוך בזהירות את הטרמינל עם לשוניות הקפיץ מהחוט והשלך אותו.
1השאר מסוף זה על חוט
2חתוך מסוף זה מן החוט
3לשונית קפיץ (2)
איור 6. חוט מתאם תיבת נתיך
5. מצא את חלל הנתיך המצוין בשם "P&A IGN" "2A MAX". יש סרגל חיבורים בצד אחד של מעגל זה, אך אין חוט תואם או נתיך. הסר את שלושת הנתיכים הקיימים בשורה זו, ושים לב למיקום שלהם.
6. הסר בעדינות את מנעול הפלסטיק הכתום המשני מתיבת הנתיכים. הכנס את המסוף לחוט המתאם הכתום/לבן עד לעצירתו. התבונן במסוף הקרוב שהותקן במפעל לצורך השוואה וכדי לוודא את הכיוון הנכון והעומק. התקן את המנעול המשני.
7. חתוך את האורך העודף של החוט הכתום/לבן שעל הידית המחוממת עד שיגיע לחוט המתאם הכתום/לבן המותקן בשלב 8.
אזהרה
הקפד למלא אחר הוראות היצרן בעת השימוש ב-UltraTorch UT-100 או בכל מכשיר מקרין חום אחר. אי ציות להוראות היצרן עלול לגרום לשריפה, וכתוצאה מכך לגרום למוות או פגיעה חמורה. (00335a)
8. קח את המחבר השזור האטום ה כחול (4) מהערכה. שזור את החוט הכתום/לבן מהרתמה של הידית המחוממת לחוט המתאם הכתום/לבן לפי מדריך השירות.
הערה
  • הימנע מהטיית חום כלפי כל רכיב של מערכת הדלק. החום הקיצוני יכול לגרום להצתה/פיצוץ דלק וכתוצאה מכך למוות או לפציעה חמורה.
  • הימנע מהטיית חום כלפי כל רכיב של מערכת החשמל מלבד לעבר המחברים בהם מתבצעת עבודת כיווץ שרוול בחום.
  • שמור תמיד על הידיים הרחק מקצה הכלי ומהשרוול המתכווץ בחום.
9. ראה איור 8 . התקן נתיך (2A (13 מהערכה לתוך חלל הנתיך P & A IGN כדי להשלים את המעגל. התקן את שלושת הנתיכים שהוסרו בשלב 2 לחללים המתאימים.
10. התקן את מכסה האבק על תיבת הנתיכים. התקן את תיבת הנתיכים. התקן את אוחז הנתיך הראשי על פי המצוין במדריך השירות.
11. פתח את המכסה של אוחז הנתיך שעל רתמת החשמל של הידית המחוממת. חבר את נתיך 5A הנותר (14) מהערכה לאוחז הנתיך. סגור את המכסה.
12. בדוק את החיווט לכל אורכו וודא שאין שפשופים, חיכוכים או נקודות צביטה.
13. הדק את החוט השחור עם טבעת מסוף ליתד הארקה כלשהו שנמצא על המסגרת. המשך עד סיום .
דגמי Touring משנת 2014 ואילך:
בקרי שמאל
1. ראה איור 2 . דגמי 2014-2015: ודא כי המגן (6) בעמדה הנכונה בצד החיצון של מודול המתג.
a. התקן את חלקי תושבת המתג (4, 5) על גבי מודול המתג. הדק את בורגי ההידוק (1) עד שיהיו צמודים.
b. התקן האת מכלול ידית בקרת המצמד (3).
c. התקן את מהדק הכידון (2) עם שני הברגים שהסרת קודם לכן, אבל אל תחזק.
d. חזק את בורגי תושבת המתג. הדק.
מומנט סיבוב: 4–5 N·m (35–44 in-lbs)
e. החלק את כיסוי הדק מתג האצבע (7) ימינה על מנת להתקין.
f. הדק את חבק ידית המצמד בכידון.
מומנט סיבוב: 6.8–9 N·m (60–80 in-lbs)
התראה
אל תעביר את הרתמה הראשית של הידית בתוך תושבת המתג. חיווט המועבר בתוך תושבת המתג עלול לגרום לקצר במעגלים ונזק לציוד. (00369a)
2. העבר את רתמת חוט ראשי של הידית המחוממת בין הידית ותושבת המתג השמאלי, ולאחר מכן מתחת לתושבת המתג.
3. ראה איור 8 . האם יש חורים בצד התחתון השמאלי של הכידון?
a. אם כן: התקן את מהדקי החוט (12) מהערכה בחורים. הדק את רתמת החוטים למהדקים.
b. אם לא: השתמש באזיקונים (9) כדי להדק את רתמת החוטים לכידון.
בקרי ימין
1. קח את ידית המצערת הימנית המחוממת ה חדשה (2) מהערכה. הכנס מברג או כלי שטוח-להב אחר בין הגוף של ידית המצערת וכיסוי הקצה. הוצא בזהירות את כיסוי הקצה מהידית.
הערה
בשלב הבא, אל תמשוך את התקע מידית המצערת באמצעות משיכה בחוטים או בפינים של המסוף. אחוז רק בלשונית הגומי שבתקע.
2. חבוי בתוך הקצה החיצוני של ידית המצערת נמצא תקע גומי עגול, עם חוטים כתומים וירוקים בצד אחד ושני מסופי פינים בצד השני. באמצעות פלייר שפיץ או כלי דומה, תפוס בזהירות את לשונית הגומי בצד החוט של התקע. משוך את התקע מן הידית דרך הפתח של הצד החיצוני.
3. נקה ביסודיות את הכידון ואת החלק הפנימי של ידית המצערת כדי להסיר את כל הלכלוך.
4.
הערה
  • אם יש דוגמה על ידיות הכידון, ישר את הדוגמה שעל הידית הימנית לפי הדוגמה של הידית השמאלית כאשר המצערת במצב סגור לחלוטין.
  • בצע את כל השלבים כדי להבטיח תנועה חופשית של ידית המצערת. הפעל את ידית המצערת כדי לוודא שהיא חוזרת בחופשיות למצב סרק.
ראה איור 2 . החלק את ידית המצערת המחוממת ה חדשה מעל לקצה הכידון. סובב את הידית כדי לוודא שבליטות החיבור הפנימיות משולבות עם בליטות החיבור החיצוניות על חיישן הידית המפותלת.
5. התקן תושבות מתג. הדק את הברגים עד שיהיו צמודים.
6. התקן מכלול בקרת בלם, אך אל תהדק.
7. הדק תושבות מתג.
a. דחוף את הידית פנימה כדי לוודא שהידית במקומה.
b. העבר את מכלול תושבת המתג לכיוון פנימה (הרחק מהידית) כדי לבטל את כל המשחק בקצה. לאחר מכן הזז את תושבת המתג לכיוון החיצוני 1–2 mm (0.040–0.08 in) כדי לאפשר משחק בקצה.
c. החזק את בית המתגים במקומו ובו-זמנית הדק את בורגי בית המתגים.
מומנט סיבוב: 4–5.1 N·m (35–45 in-lbs)
d. ודא שלידית יש משחק חופשי קל פנימה והחוצה.
e. ודא כי הידית מסתובבת וחוזרת בחופשיות.
8. הדק את בורגי מהדק בקרת בלימה. הדק.
מומנט סיבוב: 6.8–9.0 N·m (60–80 in-lbs)
9. וודא שוב את סיבוב הידית והמשחק החופשי בקצה.
10. ראה איור 1 ו איור 2 , אשר מציגים את התקנת התושבת השמאלית הזהה. התקן את בקרי הכידון הימניים באותו אופן.
אזהרה
לפני הפעלת מנוע, ודא שבקרת המצערת חוזרת למצב סרק לאחר עזיבתה. בקרת מצערת המונעת מהמנוע לחזור באופן אוטומטי למצב סרק עלולה לגרום לאובדן שליטה, וכתוצאה מכך לגרום למוות או פציעה חמורה. (00390a)
11. ודא ששרוול הידית/המצערת הימני מסתובב וחוזר בחופשיות. אסור שהשרוול ייכרך על הכידון או תושבת המתג.
הערה
שקעי המסוף על החיישן הידית המפותלת יוסטו לצד אחד. ניתן להכניס את הפינים רק בדרך אחת.
12. באמצעות שפיץ-פלייר או כלי דומה, תפוס בזהירות את הלשונית בצד החוט של תקע הגומי העגול בקצה החיצוני של ידית המצערת.
a. הכנס את התקע חזרה דרך הפתח בידית. הכנס את הפינים של המסוף לשקעים בקצה של חיישן הידית המפותלת.
b. דחוף את תקע הגומי בחוזקה כדי לוודא שהפינים יושבים באופן מלא בשקעים.
13. התקן את מכסה הקצה עשוי הכרום על קצה ידית המצערת.
חיבור לחיווט של הרכב
הערה
  • ודא שידיות הכידון המחוממות מותקנות כהלכה. התקנה שגויה עלולה לגרום להתחממות יתר.
  • ייתכן שכלי הרכב יהיו מצוידים במחבר חשמלי ירוק או שחור, בהתאם לשנת הדגם.
  • ייתכן שידית הכידון השמאלית ורתמת הקישור לחיווט יכללו מחבר שחור או ירוק בהתאם לשנת הייצור.
  1. עקוב אחר החיווט הקיים כדי לנתב את רתמת חוט ראשי של הידית המחוממת מהידית בצד שמאל:
    1. דרך, מעבר או סביב מסגרת המזלג,
    2. לאורך מסגרת הרכב,
    3. למיקום הכללי מתחת למושב
  2. ראה איור 8 . השתמש באזיקונים (9) מהערכה כדי להדק את חיווט הידית לרתמות חוטים לאורך מסגרת הרכב. דגמי 2014 ומאוחרים יותר: המשך לאחר שלב 15.
דגמי Touring משנת 2014 ואילך
הערה
אלא אם כן כבר מותקן, רתמת חיבורי חשמל (חלק מס 69200722A עבור דגמים 2014-2016 או 69201599A עבור דגמים 2017 ומאוחר יותר, זמינים בנפרד) חייבת להיות מותקנת לפי ההוראות בערכה ההיא .
1. בצע את ההוראות שבערכת רתמת חיבור חשמל כדי:
a. לשזור חוט כתום/לבן שבערכה הידית עם החוט סגול/כחול שברתמת חיבור חשמל.
b. לשזור חוט אדום שבערכה הידית עם החוט אדום/כחול שברתמת חיבור חשמל.
c. לשזור חוט שחור שבערכת הידית עם החוט שחור שברתמת חיבור חשמל.
d. התקן מכסה לצד פין 4 כיוונים של המחבר אם לא נעשה בו שימוש.
e. כווץ בחום את ה-SEALED SPLICES.
f. הדק את החוט השחור עם טבעת מסוף ליתד הארקה כלשהו שנמצא על המסגרת. המשך עד סיום .
דגמי Softail משנת 2016 והלאה
הערה
דגמי 2016-2017 חייבים רכישה נפרדת של רתמת חיבור חשמלית (חלק H-D מס‘ 72673-11 ).
חלק מהדגמים מ-18 והלאה עשויים לכלול משקל שיכוך שצריך להסיר מתוך צד LH של הכידון.
דגמי 18 והלאה דורשים רכישה נפרדת של רתמת חיבור חשמלית (חלק H-D מס‘69201599A).
1. אתר את מחבר הטכנאי הדיגיטלי [91A] (אפור פין Deutsch ששה-כיוונים עם נעל גומי) מתחת למושב. הצב את רתמת חיבורי החשמל במחבר [91A], אך אל תחבר עכשיו.
2. נתב את חוטי הידית המחוממת מעל רתמת חיבורי החשמל. אל תנתק את מחזיק הנתיך הטורי על החוט האדום, אך חתוך את החוטים לאורך המתאים כדי להגיע בקלות למחברי השזירה האטומים שברתמת חיבור החשמל.
3. שזור את החוט השחור של הידית עם החוטים השחורים שברתמת חיבור החשמל.
4. שזור את החוט הכתום/לבן של הידית עם החוטים האדום/צהוב שברתמת חיבור החשמל.
5. שזור את החוט האדום של הידית עם החוטים האדום/כחול שברתמת חיבור החשמל.
6. השתמש באקדח חום או התקן מקרין-חום מתאים כדי לכווץ את מחבר לחוטים.
7. משוך את נעל הגומי ממחבר פין DIGITAL TECHNICIAN אפור [91A]. חתוך את הנעל מהחוטים.
8. חבר את תושבת השקע של רתמת חיבור חשמל למחבר [91A].
9. הכנס את נעל הגומי לתוך מחבר הפין הפתוח של רתמת חיבור החשמל.
10. שחרר או הסר את ארבעת הברגים המחזקים את ה-ECM למסגרת ההרכבה. נתב את רתמת חיבור החשמל תחת מחבר ECM. חזק את ארבעת הברגים. הדק.
מומנט סיבוב: 5.1–6.2 N·m (45–55 in-lbs)
11. כווץ בחום את ה-SEALED SPLICES.
12. הדק את החוט השחור עם טבעת מסוף ליתד הארקה כלשהו שנמצא על המסגרת. המשך עד סיום .
סיום
הערה
אל תבצע את הפעולות הבאות עד שהידית המחוממת וכל החיווט הקשור הותקנו בהתאם להוראות שבדף זה.
1. ודא ששרוול הידית/המצערת הימני מסתובב וחוזר בחופשיות. אסור שהשרוול ייכרך על הכידון או תושבת המתג. אין להפעיל את הרכב אלא אם כן המצערת מתפקדת כראוי.
2. ודא שהכידון מסתובב בחופשיות ולכל הטווח משמאל לימין ללא משיכת החוטים.
הערה
כדי למנוע נזק אפשרי למערכת הקול, ודא שמתג ההצתה במצב OFF (מנותק) לפני התקנת הנתיך הראשי.
1. וודא שמתג ההצתה במצב OFF. התקן את הנתיך הראשי על פי המצוין במדריך השירות.
2. התקן את מיכל הדלק על פי המצוין במדריך השירות. התקן את כל רכיבי הרכב האחרים שהסרת קודם לכן לפי הוראות המדריך או הערכה.
אזהרה
לאחר התקנת מושב, משוך את המושב כלפי מעלה כדי לוודא שהמושב נעול במקומו. תוך כדי רכיבה, מושב משוחרר עלול לזוז ולגרום לאובדן שליטה, וכתוצאה מכך לגרום למוות או פציעה חמורה. (00070b)
3. התקן את המושב על פי המצוין במדריך השירות.
הערה
  • כדי למנוע התרוקנות סוללה, ידיות מחוממות אלה נועדו לפעול רק כאשר המנוע פועל. הידיות מפיקות את שיא החום כאשר המנוע פועל במהירות שיוט.
  • הגדרות החום על פקד הידיות המחוממות נעות בטווח שבין בין 1 (מינימום) ל-6 (מקסימום).
4. לפני התנעת הרכב, בדוק שהידיות לא מפיקות חום.
5. התנע את המנוע. בדוק את תפקוד הידיות בכל ההגדרות עבור חימום נאות. ודא שלא מתבצע חימום של ידיות הכידון במצב מנותק.
איתור וטיפול בתקלות
ראה דיאגרמת ידיות מחוממות ב- איור 7 .
הידיות אינן מפיקות חום
1. ראה איור 1 . בדוק שניתוב החוטים תקין. הרתמה המרכזית של הידית חייבת לעבור מחוץ לתושבת המתג. אם החוטים נותבו פנימי, פרק את תושבת המתג של הכידון השמאלי ובדוק אם יש חוט צבוט. אם החוטים צבוטים, החלף את הידית השמאלית וחזור על תהליך ההתקנה עם הניתוב הנכון של החוטים.
2. בדוק את חיבורי החוטים כתום/לבן, אדום ושחור של חוטי רתמת חוט ראשי של הידית.
a. אם החיבור פגום, רפוי, או חלש, תקן את החיבור. בחן את הידיות.
b. אם כל החיבורים טובים, המשך לשלב הבא.
3. הסר את הידית השמאלית מהכידון.
4. נתק את המחבר שעל הידית השמאלית מרתמת החוטים של הידית הימנית.
5. בדוק המשכיות לאורך שני המחברים בידית השמאלית. אם הבדיקה מראה המשכיות, הידיות ניתנות להפעלה.
6. הסר את המושב על פי ההוראות במדריך השירות.
7. התנע את הרכב.
8. בדוק VDC 12 לאורך החוטים האדומים והשחורים של רתמת חוט ראשי של הידית.
a. אם אין VDC 12 לאורך החוטים, בדוק את הנתיך (14) ברתמת החוטים והחלף אותו אם נשרף.
b. אם אין VDC 12, החלף את הידית השמאלית ואת רתמת החוטים ובדוק את הידיות.
הידיות מפיקות חום עם מתג הצתה (מפתח) במצב כבוי
אם הידיות מפיקות חום כאשר המנוע כבוי, יתכן שהידיות אינן מחווטות נכון לרכב, או שידית צד שמאל ורתמת החיווט עם תקלה.
בדוק בזהירות את כל חיבורי הידית המחוממת שעל הרכב. אם החיבורים נכונים, החלף את רתמת חוט ראשי של הידית המחוממת ואז בדוק את הידיות.
1ידית שמאל
2בקר חום
3חיובי לנתיך הראשי או מחבר סוללה +
4נתיך
5חיובי לכוח עזר
6שלילי הארקה
7ידית יד ימין
איור 7. סכימת ידיות כידון מחוממות
חלקי שירות
איור 8. חלקי חילוף, ערכות ידיות כידון מחוממות
חלקי שירות
טבלה 1. חלקי שירות
ערכה
פריט
תיאור (כמות)
מספר חלק
ערכה 56047-08A
ידיות חימום Flame
1
ידית חימום לצד-שמאל
56100-04B
2
ידית מצערת מחוממת לצד ימין (כוללת 3 פריטים)
56048-08
3
  • כיסוי קצה, ידית צד ימין
55940-08
ערכה 56049-08A
ידיות מחוממות ל- Ironside
1
ידית חימום לצד-שמאל
לא נמכר
2
ידית מצערת מחוממת לצד ימין (כוללת 3 פריטים)
לא נמכר
3
  • כיסוי קצה, ידית צד ימין
לא נמכר
ערכת 56196-08A
כרום וגומי
(קוטר קטן)
ידיות מחוממות
1
ידית חימום לצד-שמאל
56617-04B
2
ידית מצערת מחוממת לצד ימין (כוללת 3 פריטים)
56615-08
3
  • כיסוי קצה, ידית צד ימין
55950-08
ערכת 56512-08A
מתאר כרום ו
ידיות חימום גומי
1
ידית חימום לצד-שמאל
56514-04B
2
ידית מצערת מחוממת לצד ימין (כוללת 3 פריטים)
56513-08
3
  • כיסוי קצה, ידית צד ימין
55949-08
ערכת 56828-08A
ידיות חימום Aileron
1
ידית חימום לצד-שמאל
לא נמכר
2
ידית מצערת מחוממת לצד ימין (כוללת 3 פריטים)
לא נמכר
3
  • כיסוי קצה, ידית צד ימין
לא נמכר
ערכת 56926-08A
קולקציית "Skull“
ידיות מחוממות
1
ידית חימום לצד-שמאל
56927-05A
2
ידית מצערת מחוממת לצד ימין (כוללת 3 פריטים)
56928-08
3
  • כיסוי קצה, ידית צד ימין
55957-08
ערכה 56100027
קולקציית „Slipstream“
ידיות מחוממות
1
ידית חימום לצד-שמאל
56100038
2
ידית מצערת מחוממת לצד ימין
56100032
3
  • כיסוי קצה, ידית צד ימין
56100024
ערכה 56100047
אוסף Streamliner
ידיות מחוממות
1
ידית חימום לצד-שמאל
56100049
2
ידית מצערת מחוממת לצד ימין
56100050
ערכה 56100107
קולקציית Airflow
ידיות מחוממות
1
ידית חימום לצד-שמאל
56100109
2
ידית מצערת מחוממת לצד ימין
56100096
ערכה 56100253
קולקציית Airflow
ידיות מחוממות
1
ידית חימום לצד-שמאל
56100286
2
ידית מצערת מחוממת לצד ימין
56100096
ערכות 56100255, 56100412
אוסף Streamliner
ידיות מחוממות
1
ידית כידון מחוממת בצד שמאל (ערכה 56100255)
56100285
ידית כידון מחוממת בצד שמאל (ערכה 56100412)
56100417
2
ידית מצערת מחוממת בצד ימין (ערכה 56100255)
56100050
ידית מצערת מחוממת בצד ימין (ערכה 56100412)
56100418
ערכה 56100257
קולקציית מתאר כרום וגומי
ידיות מחוממות
1
ידית חימום לצד-שמאל
56100288
2
ידית מצערת מחוממת לצד ימין
56513-08
ערכה 26100258
קולקציית „Slipstream“
ידיות מחוממות
1
ידית חימום לצד-שמאל
56100292
2
ידית מצערת מחוממת לצד ימין
56100032
ערכה 56100260
קולקציית "Skull“
ידיות מחוממות
1
ידית חימום לצד-שמאל
56100293
2
ידית מצערת מחוממת לצד ימין
56928-08
ערכה 56100263
קולקציית "Flame“
ידיות מחוממות
1
ידית חימום לצד-שמאל
56100296
2
ידית מצערת מחוממת לצד ימין
56048-08
ערכה 56100267
קולקציית כרום וגומי (קוטר קטן)
ידיות מחוממות
1
ידית חימום לצד-שמאל
56100295
2
ידית מצערת מחוממת לצד ימין
56615-08
ערכה 56100362
Willie G Skull Matte Black
ידיות מחוממות
1
ידית חימום לצד-שמאל
56100369
2
ידית מצערת מחוממת לצד ימין
56100370
פריטים משותפים
לכל הערכות
4
מחבר שזירה אטום (2)
70586-93
5
מסוף טבעת, #10 (2)
9857
6
מסוף טבעת, 1/4 אינץ‘(2)
9858
7
מסוף טבעת, 5/16 אינץ‘
9859
8
רתמת חוט, הארכה
69201703
9
אזיקון, שחור, באורך 7.75 אינץ‘ (197 מ“מ)
10006
10
חוט, מתאם תיבת נתיך
70329-04
11
רתמת חוט, מתאם
70310-04
12
מהדק, שומר חוט (4)
70345-84
13
נתיך, סוג להב "מיני", 2 אמפר (אפור) (עבור תיבת הנתיכים של הרכב)
54305-98
14
נתיך, סוג להב "מיני", 5 אמפר (חום-בהיר) (עבור אוחז נתיך טורי)
( הערה: נתיך 4 אמפר מותר במיקום הזה)
72331-95
15
רתמת חוטים, חיישן המצערת
69201713