KIT KIPAS COOLFLOW™
J070642024-07-17
UMUM
Nomor Kit
26800120, 26800121, 26800128
Model
Untuk informasi kesesuaian model, lihat Katalog Retail P&A atau bagian Komponen dan Aksesori di www.harley-davidson.com (hanya tersedia dalam Bahasa Inggris).
Persyaratan Pemasangan
Pemasangan kit ini membutuhkan pemrograman dengan Digital Technician II untuk mengaktifkan kipas. Kunjungi dealer Harley-Davidson.
Ketika aksesori lain dipasang ke harnes utama, Harnes Adaptor Sirkuit Bersakelar opsional (nomor komponen 69201706) harus digunakan bersamaan dengan kit ini.
PERINGATAN
Keselamatan pengendara dan penumpang bergantung pada pemasangan kit yang benar. Gunakan prosedur manual servis yang benar. Jika Anda tidak mampu menjalankan prosedur ini atau tidak memiliki alat yang tepat, mintalah dealer Harley-Davidson untuk melakukan pemasangan. Pemasangan yang salah terkait perangkat ini dapat menyebabkan kematian atau cedera parah. (00333b)
CATATAN
Lembar instruksi ini merujuk pada informasi manual servis. Manual servis untuk model sepeda motor Anda diperlukan untuk pemasangan. Manual servis tersebut tersedia di dealer Harley-Davidson.
Isi Kit
Lihat Gambar 7 dan Tabel 1.
PERSIAPAN
PERINGATAN
Saat memasang setiap aksesori kelistrikan, pastikan tidak melebihi nilai ampere maksimum pada sekring agar dapat melindungi sirkuit yang sedang diperbaiki. Jika menggunakan ampere maksimum di luar batas yang ditetapkan, kegagalan kelistrikan akan terjadi, yang dapat mengakibatkan kematian atau cedera parah. (00310a)
CATATAN
Kuat arusnya harus 4 A .
1. Lepas jok. Lihat manual servis.
2. Lepas penutup samping kanan. Lihat manual servis.
3. Lepaskan deflektor rangka tengah sisi kanan, jika terpasang. Lihat manual servis.
4. Lepas caddy atas. Lihat manual servis.
5. Lepas baterai. Lihat manual servis.
6. Lepaskan penampung uap bahan bakar, jika terpasang. Lihat manual servis.
7. Lihat Gambar 1 . Temukan konektor kipas (1) dan cabut.
8.
CATATAN
  • Ketika diposisikan ulang, penutup kabel busi kanan (3) pada paket koil harus menghadap ke arah sisi kiri kendaraan.
  • Lihat Tabel 1. Ada lubang dalam rangka untuk mendukung penggunaan pengikat kabel pohon Natal (12) untuk membantu mengarahkan harnes kabel atau mengamankan kabel busi.
  • Ketika mengarahkan kabel busi (2) pastikan ada cukup jarak bebas antara rangka dan rakitan mesin.
Lihat Gambar 1 . posisikan ulang penutup kabel busi sisi kanan.
a. Lepaskan pengikat kabel dari kabel dan rangka.
b. Putar penutup busi atas (3) ke arah sisi kiri kendaraan.
c. Putar penutup busi bawah (3) ke arah sisi kiri kendaraan.
d. Arahkan ulang kabel. Pasang pengikat kabel (2) jika diperlukan.
1Konektor kipas
2Tali strap kabel
3Penutup kabel busi
Gambar 1. Konektor Kipas
PEMASANGAN
1. Lihat Gambar 7 . Jika sebelumnya terpasang, pasang deflektor rangka tengah baru (13).
2. Lihat Gambar 2.. Posisikan rakitan kipas. Dari dalam area alas baterai, pasang sekrup (1), cincin pengunci (2), dan cincin pipih (3). Kencangkan ke:
Torque: 16,3 N·m (12,0 ft-lbs)
1Sekrup, cincin pengunci, dan cincin
2Kipas
3Konektor kipas
Gambar 2. Posisikan Kipas
3. Hanya mesin berpendingin udara: Pasang penutup selang saluran oli belakang.
a. Lihat Gambar 3. Posisikan ulang kabel busi, jika diperlukan.
b. Lepaskan klem pegas selang saluran oli atas (1) dan hanya lepaskan selang saluran oli atas dari kepala.
c. Lepaskan klem pegas selang saluran oli (1) dari selang.
d. Sisipkan penutup di atas selang saluran oli belakang (2). Posisikan penutup 25,4 mm (1 in) dari klem pegas atas pada selang saluran oli belakang.
e. Pasang klem pegas ke selang saluran oli dan pasang selang saluran oli ke kepala.
f. Saat klem pegas longgar, putar selang untuk mendapatkan jarak bebas maksimum antara rumahan kipas dan penutup selang saluran oli (3).
1Klem pegas
2Penutup saluran oli
3Jarak Bebas
Gambar 3. Penutup Saluran Oli Belakang
4.
CATATAN
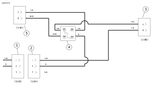
Lihat Gambar 5 . Pasang Harnes Adaptor Sirkuit Bersakelar opsional jika lebih dari satu aksesori harus dihubungkan antara konektor P&A kendaraan (1) dan konektor harnes relai kipas (2).
Lihat Gambar 4 dan Gambar 5 . Konektor harnes kabel.
a. Sambungkan konektor P&A kendaraan (1) ke konektor harnes relai kipas (2).
b. Sambungkan konektor kipas ke konektor harnes relai kipas (3).
c. Hubungkan konektor sirkuit sakelar harnes relai kipas (3) ke konektor kendaraan (A).
d. Pasang harnes dengan tali strap kabel yang disertakan.
1Konektor P&A kendaraan [325B]
2Konektor P&A harnes relai kipas [325A]
3Konektor kipas [318A]
4Relai
5Konektor sakelar kontrol [318B]
AKonektor sakelar kontrol kendaraan [318A]
BUnit kipas
Gambar 4. Konektor Harnes
1Konektor P&A kendaraan [325B]
2Konektor P&A harnes relai kipas [325A]
3Konektor sakelar kontrol [318B]
4Relai
5Konektor kipas [318A]
Gambar 5. Diagram Kabel Kipas Kenyamanan Termal
5. Lihat Gambar 7 . Lokasi Sakelar Tanpa Fairing: Pasang sakelar kipas (10).
a. Lihat Gambar 6. Pasang mur (8), label (9), dan sakelar (10) di lubang akses kanan.
b. Pasang harnes, yang terletak di bawah nasel lampu depan, untuk beralih ke (10). Lihat manual servis.
c. FLRT: Konektor [205] terletak di bawah tangki bahan bakar di caddy kabel. Lihat manual servis.
Gambar 6. Lokasi Sakelar Tanpa Fairing
6. Lihat Gambar 7 . Lokasi Sakelar Fairing: Pasang sakelar kipas (5).
a. Jika dilengkapi, lepaskan sumbat lubang kiri dan buang. Lihat manual servis.
b. Jika sudah terpasang, lepas modul sakelar kiri. Lihat manual servis.
c. Pasang sakelar kipas (5) di lokasi paling kanan di modul sakelar (6).
d. Tambahkan sakelar kosong (7) di modul sakelar, sesuai kebutuhan.
e. Pasang modul sakelar. Lihat manual servis.
7. Pasang penampung uap bahan bakar, jika terpasang. Lihat manual servis.
8. Pasang baterai. Lihat manual servis.
9. Pasang caddy atas. Lihat manual servis.
10. Pasang penutup samping kanan.
11. Pasang jok. Setelah memasang jok, pastikan jok terpasang kencang dengan menariknya ke atas. Lihat manual servis.
12. Aktifkan kipas menggunakan Digital Technician II.
13. Periksa pengoperasian sakelar kipas.
Operasi
CATATAN
Pastikan kipas dalam posisi OFF (MATI) sebelum menyalakan mesin. Dalam keadaan tertentu, kode masalah diagnostik yang salah dapat diatur jika mesin dihidupkan dengan kipas dalam pengaturan ON atau Auto. Hapus kodenya.
Kipas dapat dialihkan ke pengoperasian Off/On/Auto.
  • Pengaturan ON:
    1. Kipas ON ketika mesin hidup.
    2. Kipas OFF ketika mesin tidak hidup.
  • Pengaturan AUTO: Kipas beroperasi berdasarkan kombinasi kecepatan kendaraan, suhu mesin, dan suhu udara sekitar.
    1. Kendaraan dengan Sensor Udara Sekitar
      1. Kipas berjalan pada kecepatan di bawah 64 km/h (40 mph) ketika suhu mesin di atas 95 °C (203 °F) dan suhu udara sekitar di atas 15 °C (59 °F) .
      2. Kipas berjalan pada kecepatan di bawah 64 km/h (40 mph) ketika suhu mesin di atas 215 °C (419 °F) dan suhu udara sekitar di bawah 15 °C (59 °F) .
      3. Kipas mati jika kecepatan kendaraan melebihi 72 km/h (45 mph) atau jika suhu mesin di bawah suhu ini 202 °C (395 °F) .
    1. Kendaraan tanpa Sensor Udara Sekitar
      1. Kipas berjalan pada kecepatan di bawah 64 km/h (40 mph) ketika suhu mesin di atas 95 °C (203 °F) .
      2. Kipas mati jika kecepatan kendaraan melebihi 72 km/h (45 mph) atau jika suhu mesin di bawah suhu ini 82 °C (179 °F) .
KOMPONEN SERVIS
Gambar 7. Komponen Servis: Kit Kipas
Tabel 1. Tabel Komponen Servis
Kit
Item
Deskripsi
JML
Nomor Komponen
Kit 26800120
1
Sekrup, kepala kancing
2
4365
2
Cincin pengunci
2
7036
3
Cincin, datar
2
6703
4
Unit kipas
1
26800096
5
Sakelar, kipas, sementara
1
71400121
6
Modul sakelar
1
69200173
7
Sakelar, dasbor, kosong
2
71400031
11
Tali strap kabel
3
10006
12
Tali strap kabel
2
10287
13
Harnes, kipas kenyamanan termal dengan relai
1
69201705
15
Klip, busi
2
10120
16
Penutup, saluran oli
1
62700220
Kit 26800121
1
Sekrup, kepala kancing
2
4365
2
Cincin pengunci
2
7036
3
Cincin, datar
2
6703
4
Unit kipas
1
26800096
8
Mur, krom satin
1
74408-08A
9
Label, sakelar kipas
1
1400100
10
Sakelar, kipas, sementara
1
71400122
11
Tali strap kabel
3
10006
12
Tali strap kabel
2
10287
13
Harnes, kipas kenyamanan termal dengan relai
1
69201705
15
Klip, busi
2
10120
16
Penutup, saluran oli
1
62700220
Kit 26800128
1
Sekrup, kepala kancing
2
4365
2
Cincin pengunci
2
7036
3
Cincin, datar
2
6703
4
Unit kipas
1
26800096
5
Sakelar, kipas, sementara
1
71400121
11
Tali strap kabel
3
10006
12
Tali strap kabel
2
10287
13
Harnes, kipas kenyamanan termal dengan relai
1
69201705
14
Deflektor, rangka tengah
1
57200151
15
Klip, busi
2
10120
16
Penutup, saluran oli
1
62700220