ערכת מאוורר COOLFLOW™
J070642024-07-17
כללי
מספר ערכה
26800120, 26800121, 26800128
דגמים
למידע אודות התאמת דגם עיין בסעיף P & A בקטלוג הקמעונאי או בפרק על חלקים ואביזרים של www.harley-davidson.com (אנגלית בלבד).
דרישות התקנה
לצורך התקנה של ערכה זו יש לבצע תכנות באמצעות Digital Technician II כדי להפעיל את המאוורר. פנה לסוכן של Harley-Davidson.
כאשר אביזרים נוספים מחוברים לרתמת החיווט הראשית, יש להשתמש ברתמת מתאם מעגל עם מתג (מס' חלק 69201706) המוצעת כאופציה בשילוב עם ערכה זו.
אזהרה
הבטיחות של הרוכב והנוסע תלויה בהתקנה נכונה של הערכה הזאת. השתמש בהליכי הטיפול המתאימים שבמדריך. אם אינך מסוגל לבצע את הנוהל או אם אין לך הכלים הנכונים, בצע את ההתקנה בסוכנות Harley-Davidson. התקנה לא נאותה של הערכה הזאת עלולה לגרום למוות או פגיעה חמורה. (00333b)
הערה
גיליון הנחיות זה מתייחס למידע במדריך השירות. נדרש מדריך טיפולים לאופנוע מהדגם שלך על מנת לבצע התקנה זו. ניתן לקבל מדריך זה בסוכנויות Harley-Davidson.
תכולת הערכה
ראה איור 7 ו- טבלה 1 .
הכנה
אזהרה
בעת התקנת אביזר חשמלי כלשהו, הקפד שלא לחרוג מעבר לדירוג המרבי של עוצמת הזרם המרבית של הנתיך או מפסק המעגל המגן על המעגל שבו מבוצע השינוי. חריגה מעבר לעוצמת הזרם המרבית עלולה לגרום לתקלות חשמליות, וכתוצאה מכך לגרום למוות או פציעה חמורה. (00310a)
הערה
עוצמת הזרם צריכה להיות 4 A .
1. הסר את המושב. עיין במדריך הטיפולים.
2. הסר את המכסה שבצד הימני. עיין במדריך הטיפולים.
3. הסר את מסיט זרימת האוויר למסגרת האמצעית בצד ימין, אם קיים. עיין במדריך הטיפולים.
4. הסר את התיבה העליונה. עיין במדריך הטיפולים.
5. הוצא את המצבר. עיין במדריך הטיפולים.
6. הסר את קניסטר הפחם, אם הרכב מצויד בכך. עיין במדריך הטיפולים.
7. ראה איור 1 . אתר את מחבר המאוורר (1) ונתק אותו.
8.
הערה
  • בעת מיקומם מחדש, שרוול הקצה של חוט המצת בצד ימין (3) על סליל ההצתה צריכים לפנות לעבר צד שמאל של הרכב.
  • ראה טבלה 1. יש במסגרת חורים המיועדים לשימוש באזיקונים בעלי חף מצולע (12) כדי לסייע בהעברה תקינה של רתמת חיווט או בקיבוע של חוטי המצתים.
  • בעת העברה של חוטי המצתים (2) ודא כי נותר מספיקי מרווח בין המסגרת לבין מכלול המנוע.
ראה איור 1 . העבר למיקום חדש את השרוולים של חוט המצת בצד ימין.
a. הסר את האזיקונים מהחוטים ומהמסגרת.
b. סובב את שרוול הקצה של המצת העליון (3) לעבר צד שמאל של הרכב.
c. סובב את שרוול הקצה של המצת התחתון (3) לעבר צד שמאל של הרכב.
d. העבר את החוטים מחדש. התקן אזיקונים (2) לפי הצורך.
1מחבר המאוורר
2רצועת הכבל
3שרוול קצה של חוט המצת
איור 1. מחבר מאוורר
התקנה
1. ראה איור 7 . אם כבר הותקן בעבר ברכב, התקן את מסיט זרימת האוויר החדש למסגרת האמצעית (13).
2. See Figure 2.. שים את מכלול המאוורר במקומו. מתוך אזור מגש המצבר, התקן את הברגים (1), דסקית הנעילה (2) ואת הדסקיות השטוחות (3). הדק ל:
מומנט סיבוב: 16.3 N·m (12.0 ft-lbs)
1בורג, דסקית נעילה ודסקית מרווח
2מאוורר
3מחבר המאוורר
איור 2. מיקום המאוורר
3. מנוע מקורר באוויר בלבד: התקן את הכיסוי של צינור השמן האחורי.
a. ראה איור 3. התקן את חוט(י) המצת חזרה במקומם, במידת הצורך.
b. שחרר את החבק הקפיצי של צינור השמן העליון (1) והסר את צינור השמן העליון רק מראשו.
c. הסר את החבק הקפיצי של צינור השמן (1) מהצינור.
d. התקן את הכיסוי על צינור השמן האחורי (2). שים כיסוי 25.4 mm (1 in) על צינור השמן האחורי מהחבק הקפיצי העליון .
e. התקן את החבק הקפיצי על צינור השמן וחבר את צינור השמן לראש.
f. כשהחבק הקפיצי משוחרר, סובב את הצינור כך שיושג מרווח מרבי בין בית המנפה לבין כיסוי צינור השמן (3).
1תפס קפיץ
2כיסוי צינור שמן
3מרווח
איור 3. כיסוי צינור שמן אחורי
4.
הערה
ראה איור 5 . התקן רתמת מתאם מעגל עם מתג אם חייבים לחבר יותר מאביזר אחד בין מחבר החלקים והאביזרים של הרכב (1) לבין מחבר רתמת ממסר המאוורר (2).
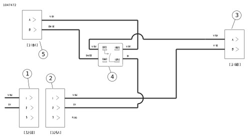
ראה את איור 4 ואת איור 5 . חבר את מחברי הרתמה.
a. חבר את מחבר החלקים והאביזרים (1) למחבר רתמת החיווט של ממסר המאוורר (2).
b. חבר את המחבר של המאוורר למחבר רתמת החיווט של ממסר המאוורר (3).
c. חבר את מחבר המעגל עם המתג של רתמת החיווט של ממסר המניפה (3) למחבר הרכב (A).
d. אבטח את הרתמות החשמליות בעזרת האזיקונים המסופקים.
1מחבר חלקים ואביזרים של הרכב [325B]
2מחבר חלקים ואביזרים של רתמת החיווט של ממסר המאוורר [325A]
3מחבר מאוורר [318A]
4ממסר
5מחבר מתג בקרה [318B]
Aמחבר מתג בקרה של הרכב [318A]
Bמכלול המאוורר
איור 4. מחברי רתמת החיווט
1מחבר חלקים ואביזרים של הרכב [325B]
2מחבר חלקים ואביזרים של רתמת החיווט של ממסר המאוורר [325A]
3מחבר מתג בקרה [318B]
4ממסר
5מחבר מאוורר [318A]
איור 5. תרשים חיווט של מאוורר ויסות החום
5. ראה איור 7 . Non-Fairing מיקום מתג : התקן מתג מאוורר (10).
a. See Figure 6. התקן את האום (8), המדבקה (9) והמתג (10) בחור הגישה הימני.
b. רתמת תקע, הממוקמת מתחת לפנס הקדמי, למתג (10). עיין במדריך הטיפולים.
c. FLRT: מחבר [205] ממוקם מתחת למיכל דלק במגש חוט. עיין במדריך הטיפולים.
איור 6. מיקום המתג בעת היעדר מעטפת חיצונית
6. ראה איור 7 . Fairing מיקום מתג: התקן את מתג המאוורר (5).
a. אם יש, הסר את תקע החור השמאלי והשלך אותו. עיין במדריך הטיפולים.
b. אם כבר מותקן, הסר את מודול המתג השמאלי. עיין במדריך הטיפולים.
c. התקן מתג מאוורר (5) במיקום הימני הקיצוני במודול המתג (6).
d. הוסף מתגים ריקים (7) במודול המתג, לפי הצורך.
e. התקן מודול מתג. עיין במדריך הטיפולים.
7. התקן את קניסטר הפחם, אם הרכב מצויד בכך. עיין במדריך הטיפולים.
8. התקן את המצבר. עיין במדריך הטיפולים.
9. התקן את המכל העליון. עיין במדריך הטיפולים.
10. התקן את כיסוי הצד הימני.
11. התקן את המושב. לאחר התקנת המושב, משוך אותו כלפי מעלה כדי לוודא שהוא מאובטח. עיין במדריך הטיפולים.
12. הפעל את המאוורר באמצעות Digital Technician II.
13. בדוק את פעולת מתג המאוורר.
פעולה
הערה
ודא שהמאוורר כבוי לפני התנעת המנוע. בנסיבות מסוימות, ייתכן שייווצר קוד אבחון תקלה שגוי אם מתניעים את המנוע כשהמאוורר מוגדר במצב ON או Auto. מחק את הקוד.
ניתן להעביר את מתג המאוורר למצב מנותק/מופעל/אוטומטי.
  • הגדרת ON (מופעל):
    1. המאוורר במצב ON (מופעל) כשהמנוע פועל.
    2. המאוורר במצב OFF (מנותק) כשהמנוע אינו פועל.
  • הגדרת AUTO (אוטומטי): המאוורר פועל לפי שילוב בין מהירות הרכב, טמפרטורת המנוע וטמפרטורת הסביבה.
    1. דגמים עם חיישני טמפרטורת הסביבה
      1. המאוורר פועל במהירויות נמוכות מ- 64 km/h (40 mph) כאשר טמפרטורת המנוע מעל 95 °C (203 °F) וטמפרטורת הסביבה מעל 15 °C (59 °F) .
      2. המאוורר פועל במהירויות נמוכות מ- 64 km/h (40 mph) כאשר טמפרטורת המנוע מעל 215 °C (419 °F) וטמפרטורת הסביבה מתחת ל- 15 °C (59 °F) .
      3. המאוורר מפסיק לפעול אם מהירות הרכב גבוהה מ- 72 km/h (45 mph) או אם טמפרטורת המנוע יורדת מתחת לטמפרטורה 202 °C (395 °F) .
    1. דגמים ללא חיישני טמפרטורת הסביבה
      1. המאוורר פועל במהירויות נמוכות מ- 64 km/h (40 mph) כאשר טמפרטורת המנוע מעל 95 °C (203 °F) .
      2. המאוורר מפסיק לפעול אם מהירות הרכב גבוהה מ- 72 km/h (45 mph) או אם טמפרטורת המנוע יורדת מתחת לטמפרטורה 82 °C (179 °F) .
חלקי שירות
איור 7. חלקי שירות: ערכת מאוורר
טבלה 1. טבלת חלקי שירות
ערכה
פריט
תיאור
כמות
מספר חלק
ערכה 26800120
1
בורג, ראש כפתור
2
4365
2
דסקית נעילה
2
7036
3
דסקית, שטוחה
2
6703
4
מכלול המאוורר
1
26800096
5
מתג, מאוורר, רגעי
1
71400121
6
מודול מתג
1
69200173
7
מתג, לוח מכשירים, ריק
2
71400031
11
רצועת הכבל
3
10006
12
רצועת הכבל
2
10287
13
רתמת חיווט, מאוורר ויסות חום עם ממסר
1
69201705
15
תפס, מצת
2
10120
16
כיסוי, צינור שמן
1
62700220
ערכה 26800121
1
בורג, ראש כפתור
2
4365
2
דסקית נעילה
2
7036
3
דסקית, שטוחה
2
6703
4
מכלול המאוורר
1
26800096
8
אום, סאטן כרום
1
74408-08A
9
תווית, מתג מאוורר
1
1400100
10
מתג, מאוורר, רגעי
1
71400122
11
רצועת הכבל
3
10006
12
רצועת הכבל
2
10287
13
רתמת חיווט, מאוורר ויסות חום עם ממסר
1
69201705
15
תפס, מצת
2
10120
16
כיסוי, צינור שמן
1
62700220
ערכה 26800128
1
בורג, ראש כפתור
2
4365
2
דסקית נעילה
2
7036
3
דסקית, שטוחה
2
6703
4
מכלול המאוורר
1
26800096
5
מתג, מאוורר, רגעי
1
71400121
11
רצועת הכבל
3
10006
12
רצועת הכבל
2
10287
13
רתמת חיווט, מאוורר ויסות חום עם ממסר
1
69201705
14
מסיט זרימת אוויר, מסגרת אמצעית
1
57200151
15
תפס, מצת
2
10120
16
כיסוי, צינור שמן
1
62700220