מכלול מנוע מרוצים המסופק מוכן להרכבה SE120R SCREAMIN' EAGLE PRO
J056132025-01-23
כללי
מספר ערכה
19206-13
דגמים
למידע אודות התאמת דגם עיין בסעיף P & A בקטלוג הקמעונאי או בפרק על חלקים ואביזרים של www.harley-davidson.com (אנגלית בלבד).
הערה
מנוע זה מיועד לשימוש אך ורק למרוצים! עליך להסיר את תווית הפליטה ולוחית הרישוי מהמפעל שלדה.
תוכן עניינים
טבלה 1.
תוכן עניינים
עמוד
נושא
1
התקנת מנוע SE120R
3
מפרטי מנוע SE120R
3
סבולת ייצור
5
מגבלות בלאי שירות
6
צילינדרים של SE120R
6
בוכנה של SE120R
9
החלפת מוטות דחיפים או טיפול בהם
10
חלקי שירות
החלקים הנוספים הנדרשים
עבור דגמי Softail לשנים 2007-2011 (למעט FXCW ו-FXCWC): ההתקנה של ערכת SE High Capacity Compensator Kit (מק"ט 40274-08A) נדרשת להתקנת מנוע זה.
שמן מנוע סינטטי מומלץ, Screamin' Eagle SYN3® 20W50 (p/n 99824-03/00QT).
ערכת מצמד שתתמוך במומנט מינימלי של 140 רגל/פאונד.
מזרקי דלק בספיקה גבוהה, מסנן אוויר ובית מצערת לדגמי SE. עיינו בקטלוג של Screamin' Eagle Pro או פנו לסוכן Harley-Davidson.
ערכת אטמי פליטה SE (p/n 17048-98).
מומלץ להשתמש במצנן שמן. עיין בקטלוג הקמעונאי לחלקים ואביזרים או באזור על חלקים ואביזרים באתר www.harley-davidson.com.
SE Pro סופר טיונר. עיין בקטלוג של Screamin' Eagle Pro או פנה לסוכן Harley-Davidson.
עיין בסעיפים המתאימים במדריך השירות עבור כלים מיוחדים הדרושים להתקנת ערכה זו.
אזהרה
הבטיחות של הרוכב והנוסע תלויה בהתקנה נכונה של הערכה הזאת. השתמש בהליכי הטיפול המתאימים שבמדריך. אם אינך מסוגל לבצע את הנוהל או אם אין לך הכלים הנכונים, בצע את ההתקנה בסוכנות Harley-Davidson. התקנה לא נאותה של הערכה הזאת עלולה לגרום למוות או פגיעה חמורה. (00333b)
הערה
גיליון הנחיות זה מתייחס למידע במדריך השירות. נדרש מדריך טיפולים לאופנוע מהדגם שלך על מנת לבצע התקנה זו, והוא זמין אצל סוכן Harley-Davidson.
הסרה
הסר מנוע OEM
1. מקמו את האופנוע על הגבהה מתאימה.
הערה
אם הרכב מצויד במערכת אבטחה חכמה של הארלי-דייווידסון, עיין במדריך למשתמש לקבלת הוראות לנטרול המערכת.
2. הסר את המושב. עיין במדריך הטיפולים.
אזהרה
בעת הטיפול במערכת הדלק, אסור לעשן או לאפשר הימצאות להבה פתוחה או ניצוצות בסביבה. בנזין הוא חומר דליק ונפיץ מאוד, העלול לגרום למוות או פגיעה חמורה. (00330a)
3. הסר את הנתיך הראשי. עיין במדריך הטיפולים.
4. הסר את מיכל הדלק. עיין במדריך הטיפולים.
5. עיין בפרק "מנוע" במדריך הטיפולים המתאים למידע על הסרת המנוע מהשלדה.
התקנת מנוע SE120R
  1. לפני התקנת המנוע, יש לוודא שאין פסולת או זיהומים במערכת השימון. מיכל השמן צריך להישטף החוצה. שטיפת המיכל צריכה להתבצע על ידי סוכן מורשה או טכנאי מוסמך.
  2. הוצא את פקקי/מכסי מעבר השמן באזור ההשקה של המנוע ותיבת ההילוכים.
  3. עיין בפרק "מנוע" במדריך הטיפולים המתאים למידע על התקנת המנוע על השלדה.
  4. עבור דגמי Softail לשנים 2007-2011 (למעט FXCW ו-FXCWC): התקן את ערכת SE High Capacity Compensator Kit (40274-08A, שנרכשה בנפרד) בהתאם להוראות המצורפות לערכה. עבור דגמי Softail משנת 2012 ואילך (כל FXCW ו-FXCWC): התקן מפצה ציוד מקורי בהתאם להוראות במדריך השירות.
הרכבה סופית
6. התקן את מיכל הדלק. עיין במדריך הטיפולים.
7. התקן את הנתיך הראשי. עיין במדריך הטיפולים.
8. התקן את המושב. לאחר התקנת המושב, משוך אותו כלפי מעלה כדי לוודא שהוא מאובטח. עיין במדריך הטיפולים.
התראה
יש לכייל מחדש את ה-ECM בעת התקנת ערכה זו. כיול לא נכון של ה-ECM עלול לגרום נזק חמור למנוע. (00399b)
9. הורידו את כיול ECM החדש בעת התקנת ערכה זו. עיינו בקטלוג של Screamin' Eagle Pro או פנו לסוכן Harley-Davidson.
10. התחילו והפעילו את המנוע. חזור מספר פעמים כדי לוודא פעולה תקינה.
פעולה
  1. עיין בפרק כללי הרצה ראשונה במדריך למשתמש לקבלת הוראות להרצה ראשונה של הרכב.
תחזוקה
  1. עיין בנושא "תכנית התחזוקה" במדריך הטיפולים או במדריך למשתמש.
  2. להרכבה/פירוק מנוע, עיין בסעיף ENGINE במדריך השירות המתאים.
מפרטי מנוע SE120R
הערה
הסעיפים הבאים מספקים מידע ייחודי שאינו זמין בפרק "מנוע" במדריך הטיפולים עבור מנועי אלפא מפלטפורמות Touring או Dyna בעלי גל זיזים כפול מסוג Twin Cam96 .
טבלה 2. מנוע: SE 120R עם גל זיזים כפול
פריט
מפרט
יחס דחיסה
10.5
קדח
4.060 אינץ'
103.12 מ"מ
מהלך
4.625 אינץ'
117.48 מ"מ
נפח
119.75 אינץ'
1962.39 סמ“ק
מערכת סיכה
עוקה יבשה בלחץ
עם מצנן שמן
מהירות מנוע מרבית מתמשכת
6200 סל"ד
סבולת ייצור
עיין במפרטים של גל זיזים כפול מסוג Twin-Cam 96 במדריך הטיפולים לקבלת מידע על כל מפרט שאינו מוצג בטבלאות הבאות.
טבלה 3. ראשי צילינדר
פריט
אינץ'
מ“מ
מוביל שסתום בראש (מצב הדוק)
0.0020-0.0033
0.051-0.084
תושבת שסתום יניקה בראש (מצב הדוק)
0.004-0.0055
0.102-0.140
תושבת שסתום פליטה בראש (מצב הדוק)
0.004-0.0055
0.102-0.140
טבלה 4. שסתומים
פריט
אינץ'
מ“מ
התאמה במוביל (יניקה ופליטה)
0.0011-0.0029
0.028-0.074
רוחב תושבת
0.034-0.062
0.86-1.57
מידת הבליטה של הקנה מקדח ראש המנוע
1.990-2.024
50.55-51.41
טבלה 5. מפרטי קפיצי השסתום
פריט
לחץ
מידות
סגור
180 פאונד (79 ק"ג)
1.800 אינץ' (45.7 מ"מ)
פתיחה
500 פאונד (196 ק"ג)
1.177 אינץ' (29.9 מ"מ)
אורך חופשי
לא רלוונטי
2.210 אינץ' (56.1 מ"מ)
טבלה 6. בוכנות
בוכנה:
מרווח (באינצ‘ים)
התאמה בוכנה-לצילינדר (רופף)
0.0026-0.0036
התאמה של פין הבוכנה (משוחרר)
0.0003-0.0008
מרווח בקצה הטבעת העליונה
מרווח בקצה הטבעת השנייה
המרווח בפס של טבעת בקרת השמן
0.012-0.020
0.016-0.024
0.008-0.0028
המרווח בצד הטבעת העליונה
המרווח בצד הטבעת השנייה
המרווח בצד טבעת בקרת השמן
0.0010-0.0022
0.0010-0.0022
0.0003-0.0072
טבלה 7. מפרטי גל זיזים - SE266E
יניקה
מפרט
פותח
24 לפני נמ"ע (BTDC)
סוגר
58 אחרי נמ"ת (ABDC)
משך
262 o
הגבהת שסתום מרבית
0.658 אינץ'
הגבהת שסתום @ TDC
0.208 אינץ'
מערכת פליטה
מפרט
פותח
69 לפני נמ"ת (BBDC)
סוגר
17 אחרי נמ"ע (ATDC)
משך
266 o
הגבהת שסתום מרבית
0.658 אינץ'
הגבהת שסתום @ TDC
0.178 אינץ'
תזמון גל זיזים ב-0.053 אינץ' של הגבהת הדחיף במעלות בגל הארכובה
מגבלות בלאי שירות
מגבלות שחיקה יכולות לשמש כמדריך כאשר מחליטים אם לעשות שימוש חוזר בחלקי מנוע. החלף חלקים משומשים בכל פעם שחורגים ממגבלות השחיקה הבאות.
הערה
עיין במפרטים של גל זיזים כפול מסוג Twin-Cam 96 במדריך הטיפולים לקבלת מידע על כל מפרט שאינו מוצג בטבלאות הבאות
טבלה 8. צילינדרים
פריט
יש להחליף אם השחיקה עולה על
אינץ'
מ“מ
הפרש קוני
0.002
0.051
הפרש אובלי
0.002
0.051
עיוות משטחי הפנים של האטם או טבעת O: קצה עליון
0.006
0.152
עיוות משטחי הפנים של האטם או טבעת O: בסיס
0.004
0.102
טבלה 9. קדח צילינדר
פריט
יש להחליף אם השחיקה עולה על
אינץ'
מ“מ
רגיל
4.062
103.17
0.010 אינץ' מידה חדשה לאחר מדידה
4.072
103.43
טבלה 10. בוכנות
התאמה בוכנה-לצילינדר (רופף)
מגבלת בלאי (באינצ‘ים)
התאמה לצילינדר (רופף)
0.0061
התאמת פין בוכנה (רופף)
0.0011
מרווח בקצה הטבעת העליונה
מרווח בקצה הטבעת השנייה
המרווח בפס של טבעת בקרת השמן
0.030
0.034
0.038
המרווח בצד הטבעת העליונה
המרווח בצד הטבעת השנייה
המרווח בצד טבעת בקרת השמן
0.0030
0.0030
0.0079
צילינדרים של SE120R
1. הצב את האופנוע על מתקן הגבהה מתאים.
הערה
אם הרכב מצויד במערכת אבטחה חכמה של Harley-Davidson ‏(Harley-Davidson smart security system), יש לעיין במדריך למשתמש להנחיות על נטרול המערכת.
2. הסר את המושב בהתאם להוראות במדריך הטיפולים.
אזהרה
בעת הטיפול במערכת הדלק, אסור לעשן או לאפשר הימצאות להבה פתוחה או ניצוצות בסביבה. בנזין הוא חומר דליק ונפיץ מאוד, העלול לגרום למוות או פגיעה חמורה. (00330a)
3. הסר את הנתיך הראשי. עיין במדריך הטיפולים של האופנוע שלך.
4. הסר את מיכל הדלק בהתאם להוראות במדריך הטיפולים.
הסר רכיבי מנוע
  1. עיין במדריך הטיפולים למידע על אופן ההסרה של מכלול מסנן האוויר הנוכחי.
  2. הסר את מערכת הפליטה הנוכחית לפי הנהלים במדריך הטיפולים.
  3. פרק את ראש המנוע. עיין בפרקים המתאימים של "מנוע" במדריך הטיפולים.
התקנת רכיבי ראש המנוע
הערה
איור 1. אטם בסיס הצילינדר של 4.060 אינץ' (1) ואטם ראש הצילינדר (2) מבטלים את הצורך באורינגים. אל תשתמש בטבעות O על התותבים או מתאמי האוגן (ספיגוט) של הצילינדר.
בעת התקנת אטם חדש לבסיס הצילינדר (1), התקן כשהצד הבולט כלפי מטה והצד השקוע כלפי מעלה.
1. עיין במדריך הטיפולים המתאים והרכב את המנוע עם השינויים הבאים:
a. הרכב את ראש המנוע בעזרת אטמי הבסיס והראש המסופקים בערכה. עיין בפרק המתאים של "מנוע" במדריך הטיפולים.
1אטם, בסיס צילינדר
2אטם, ראש צילינדר
איור 1. אטמי צילינדר
הרכבה סופית
2. התקן את מיכל הדלק. עיין במדריך הטיפולים.
3. התקן את הנתיך הראשי. עיין במדריך הטיפולים.
4. התקן את המושב. לאחר התקנת המושב, משוך אותו כלפי מעלה כדי לוודא שהוא מאובטח. עיין במדריך הטיפולים.
בוכנה של SE120R
  1. עיין בסעיף ENGINE במדריך השירות
התקנה
אזהרה
כדי למנוע התנעה בשוגג של הרכב העלולה לגרום למוות או פציעה חמורה, נתק תחילה את כבל המצבר השלילי (-) לפני שתמשיך. (00307a)
אזהרה
נתק תחילה את כבל הסוללה השלילי (-). אם הכבל החיובי (+) נוגע בהארקה כאשר הכבל השלילי (-) מחובר, עלולים להיווצר ניצוצות אשר יגרמו להתפוצצות המצבר, וכתוצאה מכך לגרום למוות או פגיעה חמורה. (00049a)
1. עיין במדריך הטיפולים ופעל בהתאם להוראות המפורטות בו בנוגע להסרת המושב ונתק את כבלי המצבר, ראשית הכבל השלילי.
אזהרה
בעת הטיפול במערכת הדלק, אסור לעשן או לאפשר הימצאות להבה פתוחה או ניצוצות בסביבה. בנזין הוא חומר דליק ונפיץ מאוד, העלול לגרום למוות או פגיעה חמורה. (00330a)
2. עיין בנושא "מנוע: הפשטת אביזרים מהמנוע לצורך טיפול" ובנושא "שיפוץ ראש מנוע, הרכבה" במדריך הטיפולים למידע על הנהלים להסרת ראש הצילינדר, הצילינדר והבוכנה.
3. פעל לפי הנהלים המפורטים בנושא "מנוע: שירות ותיקון תת-הרכבה, קצה עליון/ צילינדר/ מוט חיבור עליון חלקים במדריך השירות לבדיקת חלקים.
4. עיין בנושא "מנוע: שירות ותיקון תת-הרכבה, סעיף צילינדר במדריך השירות להוראות קדח והשחזה.
הערה
התקן את הטבעת העליונה (שפה מעוגלת) ואת הטבעת השנייה (שפה משופעת עם חריץ מסוג Napier) כשהסימון N פונה כלפי מעלה. ניתן להתקין את טבעות השמן בכל כיוון בלי קשר למיקום הפס.
אטמי בסיס הצילינדר בגודל 4.060 אינץ' ואטמי ראש הצילינדר הכלולים בערכה מבטלים את הצורך באורינגים (11273). אל תשתמש בטבעות O על התותבים או מתאמי האוגן (ספיגוט) של הצילינדר.
בעת התקנת אטם חדש לבסיס הצילינדר, התקן כשהצד הבולט כלפי מטה והצד השקוע כלפי מעלה.
הערה
בדיקת התאמת בוכנה לצילינדר במיקום זה לפי טבלה 11 היא לעיון.
1רוחב בוכנה
2אזור המדידה
איור 2. מידות הבוכנה
5. ראה איור 2 . מדוד את רוחב הבוכנה (1), 90 מעלות אופקית משני צידי חור פין הבוכנה ו- 1.275 אינץ' למטה משטח הדק (למעלה) של הבוכנה (2). ראה טבלה 11 להתאמת בוכנה לצילינדר במיקום זה.
6. הבוכנות בערכה זו מיועדות ספציפית לצד הקדמי או האחורי. התקן את הבוכנה המסומנת במילה FRONT (קדמי) בצילינדר הקדמי כשהחץ מצביע לכיוון הצד הקדמי של המנוע. התקן את הבוכנה המסומנת במילה REAR (אחורי) בצילינדר האחורי כשהחץ מצביע לכיוון הצד הקדמי של המנוע.
7. עיין בנושא "מנוע: שיפוץ ראש מנוע, הרכבה" במדריך הטיפולים למידע על נוהלי ההתקנה של הבוכנה, הצילינדר וראש הצילינדר.
טבלה 11. מפרטים
בוכנה:
מרווח (באינצ‘ים)
התאמה בוכנה-לצילינדר (רופף)
0.0026-0.0036
התאמה של פין הבוכנה (משוחרר)
0.0003-0.0008
מרווח בקצה הטבעת העליונה
מרווח בקצה הטבעת השנייה
המרווח בפס של טבעת בקרת השמן
0.012-0.020
0.016-0.024
0.008-0.0028
המרווח בצד הטבעת העליונה
המרווח בצד הטבעת השנייה
המרווח בצד טבעת בקרת השמן
0.0010-0.0022
0.0010-0.0022
0.0003-0.0072
טבלה 12. מגבלות בלאי שירות
התאמה בוכנה-לצילינדר (רופף)
מגבלת בלאי (באינצ‘ים)
התאמה לצילינדר (רופף)
0.0061
התאמת פין בוכנה (רופף)
0.0011
מרווח בקצה הטבעת העליונה
מרווח בקצה הטבעת השנייה
המרווח בפס של טבעת בקרת השמן
0.030
0.034
0.038
המרווח בצד הטבעת העליונה
המרווח בצד הטבעת השנייה
המרווח בצד טבעת בקרת השמן
0.0030
0.0030
0.0079
כלי להתקנת טבעת נעילה (טבעת סגר) של פין בוכנה (HD-34623-C)
הערה
המרווח בטבעת הסגר חייב להימצא במיקום השעה 12 או 6 בעת התקנתו.
8. ראה איור 3 . הכנס את הקצה הפתוח של המעגל (1) לתוך חריץ (2) בחריץ (3) סביב הבוס של פין הבוכנה, כך שהרווח יהיה במצב 12:00 או 6:00 בעת ההתקנה.
1תפס טבעתי
2חריץ
3חריץ
איור 3. טבעת סגר ובוכנה
1כיוון האגודל
2התפס הטבעתי יושב ברמה של 85%
איור 4. התקן את טבעת הסגר
9. ראה איור 4 . הנח את אגודלך (1) כמתואר, ולחץ היטב עד שכ-85% מטבעת הסגר (2) מוכנסת לחריץ.
10. השתמש במברג בעל ראש שטוח קטן כדי לדחוק את יתרת טבעת העצר לחלק הנותר של החריץ והיזהר שלא לשרוט או ללכלך את הבוכנה. חזור על הפעולה בשאר טבעות הסגר.
הערה
ודא שטבעת העצר של הבוכנה הוכנסה במלואה, אחרת ייגרם נזק למנוע.
11. עיין בנושא "מנוע: הרכבת המנוע לאחר הפשטת אביזרים" במדריך הטיפולים למידע על נוהלי ההרכבה הסופית.
איור 5. מכלול בוכנה
טבלה 13. מכלול בוכנה
פריט
תיאור (כמות)
1
בוכנה (קדמית, רגילה)
2
בוכנה (אחורית, רגילה)
3
  • סט טבעות, רגיל (2)
4
  • פין בוכנה (2)
5
  • תפס טבעתי (4)
1
בוכנה (קדמית, ‎+0.010)
2
בוכנה (אחורית, ‎+0.010)
3
  • סט טבעות, ‎‎‎+.0.010‏ (2)
4
  • פין בוכנה (2)
5
  • תפס טבעתי (4)
החלפת מוטות דחיפים או טיפול בהם
1. עיינו בסעיף מנוע של מדריך הטיפולים.
הערה
בצע את נהלי מדריך השירות המתאימים להתקנה והסרה של מוטות דחיפים. המוטות הדחיפים מסומנים במילים Intake (יניקה) ו-Exhaust (פליטה).
למוטות הדחיפים יש כיוונים ייעודיים. ודא שהקצה הגדול יותר של המוטות הדחיפים מותקן למטה בשקעי ההרמה.
1מכלול מכסה הנדנד
2מכלול לוח התושבת של זרוע הנדנד
3מוט דחיף אחורי בצד היניקה
4מוט דחיף אחורי בצד הפליטה
איור 6. מוטות דחף
חלקי שירות
איור 7. חלקי שירות: מכלול מנוע, SE 120R שלם
טבלה 14. מכלול מנוע מרוצים המסופק מוכן להרכבה SE120R Screamin' Eagle Pro
פריט
תיאור (כמות)
מספר חלק
1
הרכבת מנוע, הושלמה
19206-13
איור 8. חלקי שירות: מכלול מנוע מרוצים המסופק מוכן להרכבה SE120R Screamin' Eagle Pro
טבלה 15. חלקי שירות: מכלול מנוע מרוצים המסופק מוכן להרכבה SE120R Screamin' Eagle Pro
פריט
תיאור (כמות)
מספר חלק
1
אטם בסיס, צילינדר (2)
16736-04
2
ערכת צילינדרים SE, ‏4.060 אינץ' (שחור) (נכללים פריטים 1, 3, 4, 1105 ו-1086A)
16550-04C
3
פין הקבלה, טבעת (4)
16595-99A
4
אטם, ראש צילינדר (2)
16104-04
5
חף, צילינדר (8)
16834-99A
6
ערכת אטם, שיפוץ מנוע (אינה כוללת את אטם הראש, אטם הבסיס או אטמי קנה השסתום של ראש הצילינדר) (לא מוצגת)
17053-99C
7
ערכת אטם, ראש מנוע (אינה כוללת את אטם הראש, אטם הבסיס או אטמי קנה השסתום של ראש הצילינדר) (לא מוצגת)
17052-99C
איור 9. חלקי שירות: מכלול מנוע מרוצים המסופק מוכן להרכבה SE120R Screamin' Eagle Pro
טבלה 16. חלקי שירות: מכלול מנוע מרוצים המסופק מוכן להרכבה SE120R Screamin' Eagle Pro
פריט
תיאור (כמות)
מספר חלק
1
מכלול ראש צילינדר, אחורי (כולל פריטים 2 עד 13)
17444-10
מכלול ראש צילינדר, קדמי (כולל פריטים 2 עד 13)
17444-10
2
  • ראש צילינדר (בעיבוד שבבי, כשפריטים B, ‏C, ‏D ו-E מותקנים)
לא נמכר בנפרד
3
  • טבעת, קפיץ שסתום, עליונה (4)
ראה "ערכות שירות"
4
  • טבעת, קפיץ שסתום, תחתונה (4)
ראה "ערכות שירות"
5
  • יתד, פתח צינור הפליטה (4)
16715-83
6
  • שסתום יניקה (2)
18190-08
7
  • שסתום פליטה (2)
18183-03
8
  • אטם, שסתום (4)
18046-98
9
  • יחידת קפיץ שסתום (4)
ראה "ערכות שירות"
10
  • נעילה, טבעת שסתום (8). הפריט נכלל גם בערכה 18281-02A
18240-98
11
  • פקק שחרור דחיסה אוטומטי (2)
16648-08
12
עיטור, "120R" ‏(2)
17136-10
13
בורג, ראש כפתור TORX (4)
25800017
14
בורג, תבריג פנימי, 3-3/16 אינץ' (4)
16478-85A
15
בורג, תבריג פנימי, 1-7/8 אינץ' (4)
16480-92A
16
מצתים (לא מוצגים) (2)
32186-10
ערכות שירות:
A
ערכת קפיץ שסתום, Screamin' Eagle
18281-02A
החלקים הבאים של Screamin' Eagle זמינים בנפרד:
B
תושבת שסתום, יניקה
18191-08
C
תושבת שסתום, פליטה
18048-98A
D
מוביל שסתום, יניקה (לטיפול)
  • (‎+0.003 אינץ')
18158-05
  • (‎+0.002 אינץ')
18156-05
  • (‎+0.001 אינץ')
18154-05
E
מוביל שסתום, פליטה (לטיפול)
  • (‎+0.003 אינץ')
18157-05
  • (‎+0.002 אינץ')
18155-05
  • (‎+0.001 אינץ')
18153-05
איור 10. cService Parts: מכלול מנוע מרוצים המסופק מוכן להרכבה SE120R Screamin' Eagle Pro
טבלה 17. חלקי שירות: מכלול מנוע מרוצים המסופק מוכן להרכבה SE120R Screamin' Eagle Pro
פריט
תיאור (כמות)
מספר חלק
1
בורג 5/16-18 X 2-1/2 אוגן הקסדצימלי HD. (דרג 8) (8)
1039
2
בורג 5/16-18 X 1.0 hex hd., עם lockpatch (6)
3692A
3
בורג 5/16-18 X 1-3/4 hex hd., w / lockpatch (10)
3693A
4
בורג 5/16-18 X 1-1/4 אוגן הקסדצימלי hd., עם lockpatch (8)
3736B
5
בורג 1/4-20 אוגן הקסדצימלי X 1-11/16 hex hd., עם תיקון נעילה, (דרג 8) (4)
4400
6
בורג 1/4-20 X 1 שקע HD., עם תיקון נעילה (8)
4741A
7
דסקית 11/16 ‏X‏ 29/32 ‏X‏ 1/32 (4)
6762B
8
טבעת O, כיסוי מוט דחיף (4)
11132A
9
טבעת O, כיסוי מוט דחיף (4)
11145A
10
טבעת O (2)
11270
11
טבעת O ‏(4)
11293
12
אטם, בית נדנד (2)
16719-99B
13
ערכת אטם, טיפול בגל זיזים
17045-99D
14
זרוע נדנד, צד קדמי של יניקה, צד אחורי של פליטה, עם תותבים (2)
17360-83A
15
זרוע נדנד, צד אחורי של יניקה, צד קדמי של פליטה, עם תותבים (2)
17375-83A
16
אטם, מכסה נדנד (2)
17386-99A
17
תותב, זרוע נדנד (8)
17428-57
18
מכסה נדנד, (כרום) (2)
17572-99
19
בית נדנד, (כרום) (2)
17578-10
20
מכסה מרים שסתום, קדמי (כרום)
מכסה מרים שסתום, אחורי (כרום)
17964-99
17966-99
21
תושבת, זרוע נדנד (2)
17594-99
22
ערכת מכלול נשם, (2)
17025-03A
23
גל, זרוע נדנד (4)
17611-83
24
ערכת מוט דחיף Perfect Fit ‏(‎+0.030 אינץ')
18401-03
25
כיסוי, מוט דחיף, חלק תחתון (4)
17939-99
26
מכסה, כיסוי קפיץ (4)
17945-36B
27
קפיץ, כיסוי מוט דחיף (4)
17947-36
28
כיסוי, מוט דחיף, חלק עליון (4)
17948-99
29
סוגר, מכסה קפיץ (4)
17968-99
30
פין, למניעת סיבוב (2)
18535-99
31
מרים הידראולי (4)
17900022
32
אטם, מכסה מרים (2)
18635-99B
33
מכלול סנן, נשם (2)
26500002
איור 11. חלקי שירות; מכלול מנוע מרוצים המסופק מוכן להרכבה SE120R Screamin' Eagle Pro
טבלה 18. חלקי שירות: מכלול מנוע מרוצים המסופק מוכן להרכבה SE120R Screamin' Eagle Pro
פריט
תיאור (כמות)
מספר חלק
1
טבעת נעילה
11177A
2
סט טבעת בוכנה, תקני (2)
סט טבעות בוכנה, מידה חדשה לאחר מדידה 0.010 ‏(2)
22526-10
22529-10
3
ערכת בוכנה, קדמית ואחורית, עם ערכות טבעת, סיכת בוכנה וטבעות נעילה, תקנית
ערכת בוכנה, קדמית ואחורית, עם ערכות טבעת, סיכת בוכנה וטבעות נעילה, מידה חדשה לאחר מדידה 0.010
22574-10
22576-10
4
טבעת נעילה, פין בוכנה (4)
22097-99
5
פין בוכנה (2)
22310-10
6
ערכת מכלול גלגל תנופה
24100013
איור 12. חלקי שירות: מכלול מנוע מרוצים המסופק מוכן להרכבה SE120R Screamin' Eagle Pro
טבלה 19. חלקי שירות: מכלול מנוע מרוצים המסופק מוכן להרכבה SE120R Screamin' Eagle Pro
פריט
תיאור (כמות)
מספר חלק
1
פקק (3)
765
2
2a
2b
בורג, 5/16-18 x 3.0 אינץ', ראש אוגן משושה, (11)
בורג, עליון מרכזי של בית גל ארכובה
דסקית, איטום
895
1105
1086A
3
דסקית 1-1/4 ‏X‏ 1-53/64 ‏X‏ 1/8 (2)
8972
4
ערכת מיסב מחט, גל זיזים (2) (הערכה כוללת 2)
24018-10
5
טבעת O (2)
10930
6
אטם שמן
12068
7
פין הכוונה (2)
16574-99A
8
פין הכוונה (2)
16589-99A
9
פין הכוונה (4)
16595-99A
10
נחיר קירור הבוכנה, עם 10930 (2)
22315-06A
11
ערכת מסב, צד שמאל עם 8972, 24605-07, 35114-02, ומסילה פנימית
24004-03B
12
תותב מרווח, גל גלגל השרשרת
24009-06
13
סט ארכובה, (שחור) עם מיסבים, סילוני קירור, ודרך ברגים כולל בורג 21
24400001
14
מרווח (4)
24603-00
15
מסב, ראשי (2)
24605-07
16
מתאם, מסנן שמן
26352-95A
17
טבעת נעילה
35114-02
18
מסנן שמן (כרום)
63798-99A
19
בורג, TORX® ראש, 8-32 x 3/8 (4)
68042-99
20
בורג, ראש כפתור TORX®, קיבוע מיסבים, 1/4 - 20 x 7/16 אינץ' (2)
703B
איור 13. חלקי שירות: מכלול מנוע מרוצים המסופק מוכן להרכבה SE120R Screamin' Eagle Pro
טבלה 20. טבלת חלקי שירות
פריט
תיאור (כמות)
מספר חלק
1
בורג (2)
703B
2
בורג (6)
956
3
בורג, בורג היסט איזון (2)
3110
4
דיסקית, בורג היסט איזון (2)
6456
5
מיסב, עטיפה(2)
8959
6
מיסב, (2)
8992A
7
מכלול תמיכה, מוביל שרשרת, כולל מותחן בוכנות
14728-07
8
מוביל ערכת הינע, w/14769-00, סבבות קדמיות ואחוריות
14761-00
9
ערכת מוביל, מותחן שרשרת, כוללת מובילים קדמיים ואחוריים תחתונים
14762-00
10
ערכת מכלול בוכנה, מותחן שרשרת (2)
14764-00
11
שרשרת, כונן מאזן
14769-00
12
ספייסר, בעובי 0.039
14784-07
13
ערכת פיר איזון, w/8959, 8992A ופיר איזון (2)
14789-07
14
Bushing, דיבל (2)
16583-00A
15
טבעת תומך, מיסב היסט מאזן (2)
35240-07
16
אטם, חיבור שמן
45359-00
איור 14. חלקי שירות: מכלול מנוע מרוצים המסופק מוכן להרכבה SE120R Screamin' Eagle Pro
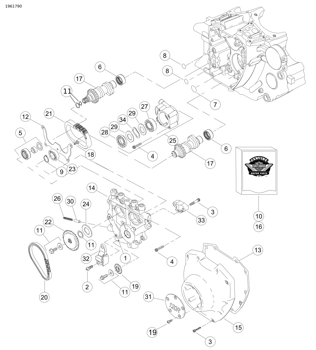
טבלה 21. חלקי שירות: מכלול מנוע מרוצים המסופק מוכן להרכבה SE120R Screamin' Eagle Pro
פריט
תיאור (כמות)
מספר חלק
1
סיכת גליל
601
2
בורג, מותחן לשרשרת גל זיזים ראשי (2)
942
3
בורג, כיסוי גל זיזים, 1/4-20 x ‏1-1/4, מחורץ עם ציפוי נעילה (דרגה 8), (10)
בורג, מותחן לגל זיזים משני, 1/4-20 x ‏1-1/4, מחורץ עם ציפוי נעילה (דרגה 8), (2)
4740A
4740A
4
בורג אלן, 1/4-20 x ‏1, עם ציפוי נעילה (8)
4741A
5
מכלול מסב עם מסב, מסילה פנימית, דסקית וטבעת O
8983
6
ערכת מיסב מחט, גל זיזים (2) (הערכה כוללת 2)
24018-10
7
טבעת O
11293
8
טבעת O (2)
11301
9
טבעת נעילה
11494
10
ערכת אטם, טיפול בגל זיזים
17045-99D
11
ערכת קיבוע סבבת כונן פקה, ברגים ודיסקית
91800088
12
לוח, מסב, נעילה
1200018
13
אטם, כיסוי cam
25244-99A
14
לוח תושבת גלגל זיזים, עם שסתום מעקף
25400018
15
כיסוי גל זיזים, (כרום)
25369-01B
16
ערכת שרשרת גל זיזים ומהדק, עם 91800088, 25673-06, 25675-06 ו- 25728-06
25585-06
17
גל זיזים, ערכה קדמית ואחורית, SE266E
25400029
18
בורג, 8-32 x 3/8 TORX® ראש (9)
68042-99
19
גלגל שרשרת, להנעת גל זיזים על גל הזיזים, ‎17 T
25673-06
20
שרשרת, הנעת גל זיזים ראשי
25675-06
21
שרשרת, הנעת גל זיזים משני
25607-99
22
גלגל שרשרת, הנעת גל זיזים, ‎34 T
25728-06
23
מסב כדורי
8990A
24
תותב מרווח, מיקום גלגל שרשרת ההנעה של גל הזיזים בעובי 0.287 אינץ'
תותב מרווח, מיקום גלגל שרשרת ההנעה של גל הזיזים בעובי 0.297 אינץ'
תותב מרווח, מיקום גלגל שרשרת ההנעה של גל הזיזים בעובי 0.307 אינץ'
תותב מרווח, מיקום גלגל שרשרת ההנעה של גל הזיזים בעובי 0.317 אינץ'
תותב מרווח, מיקום גלגל שרשרת ההנעה של גל הזיזים בעובי 0.327 אינץ'
תותב מרווח, מיקום גלגל שרשרת ההנעה של גל הזיזים בעובי 0.337 אינץ'
תותב מרווח, מיקום גלגל שרשרת ההנעה של גל הזיזים בעובי 0.347 אינץ'
תותב מרווח, מיקום גלגל שרשרת ההנעה של גל הזיזים בעובי 0.357 אינץ'
25722-00
25723-00
25721-00
25719-00
25717-00
25725-00
11889
11890
25
מכלול משאבת שמן, עם פריטים 27-29, 34 וגוף
62400001
26
קפיץ, שסתום שחרור
26210-99
27
מכלול גרוטור, עם החזרת שמן מבית גל הארכובה למיכל השמן
לא נמכר בנפרד
28
מכלול גרוטור, בלחץ
לא נמכר בנפרד
29
לוחית המפריד, גרוטור (2)
לא נמכר בנפרד
30
שסתום שחרור, משאבת שמן
26400-82B
31
כיסוי, 120R
25495-10
32
מותחן שרשרת, שרשרת גל זיזים ראשי
39968-06
33
מותחן שרשרת, שרשרת גל זיזים משני
39969-06
34
קפיץ, מפריד
40323-00