MESIN SIAP PAKAI UNTUK BALAP SE120R SCREAMIN 'EAGLE PRO
J056132025-01-23
UMUM
Nomor Kit
19206-13
Model
Untuk informasi kesesuaian model, lihat Katalog Retail P&A atau bagian Komponen dan Aksesori di www.harley-davidson.com (hanya tersedia dalam Bahasa Inggris).
CATATAN
Mesin ini hanya untuk digunakan dalam balapan! Lepas label emisi dan pelat nomor dari pabrik sasis.
DAFTAR ISI
Tabel 1.
DAFTAR ISI
Halaman
Subjek
1
PEMASANGAN MESIN SE120R
3
SPESIFIKASI MESIN SE120R
3
TOLERANSI MANUFAKTUR
5
BATAS KEAUSAN SERVIS
6
SILINDER SE120R
6
PISTON SE120R
9
MENGGANTI/MENYERVIS BATANG TEKAN
10
KOMPONEN SERVIS
Komponen Tambahan Diperlukan
Untuk model Softail 2007-2011 (kecuali FXCW dan FXCWC): Pemasangan Kit Kompensator Kapasitas Tinggi SE (No. Komponen 40274-08A) DIPERLUKAN untuk pemasangan mesin ini.
Oli mesin sintetis yang direkomendasikan, Screamin' Eagle SYN3® 20W50 (p/n 99824-03/00QT).
Kit kopling yang mampu menahan torsi minimal 140 ft-lbs.
Bodi trotel SE, Pembersih Udara, dan Injektor Aliran Tinggi. Lihat Katalog Screamin' Eagle Pro atau hubungi dealer Harley-Davidson.
Kit gasket knalpot SE (p/n 17048-98).
Disarankan untuk menggunakan pendingin oli. Baca Katalog Retail P&A atau bagian Komponen dan Aksesori di www.harley-davidson.com.
SE Pro Super Tuner. Lihat Katalog Screamin' Eagle Pro atau hubungi dealer Harley-Davidson.
Lihat bagian yang sesuai di manual servis untuk informasi tentang alat-alat khusus yang diperlukan untuk memasang kit ini.
PERINGATAN
Keselamatan pengendara dan penumpang bergantung pada pemasangan kit yang benar. Gunakan prosedur manual servis yang benar. Jika Anda tidak mampu menjalankan prosedur ini atau tidak memiliki alat yang tepat, mintalah dealer Harley-Davidson untuk melakukan pemasangan. Pemasangan yang salah terkait perangkat ini dapat menyebabkan kematian atau cedera parah. (00333b)
CATATAN
Lembar instruksi ini merujuk pada informasi manual servis. Manual servis untuk model sepeda motor Anda diperlukan untuk pemasangan ini dan tersedia di dealer Harley-Davidson.
PELEPASAN
Lepas Mesin OEM
1. Posisikan sepeda motor pada posisi terangkat yang sesuai.
CATATAN
Jika kendaraan dilengkapi dengan Sistem Keamanan Cerdas Harley-Davidson, lihat panduan pemilik untuk instruksi untuk melucuti sistem.
2. Lepas jok. Lihat manual servis.
PERINGATAN
Saat menyervis sistem bahan bakar, jangan merokok atau membiarkan nyala api atau bunga api di dekat area servis. Bensin mudah terbakar dan mudah meledak, yang dapat menyebabkan kematian atau cedera parah. (00330a)
3. Lepas sekring utama. Lihat manual servis.
4. Lepas tangki bahan bakar. Lihat manual servis.
5. Lihat bagian MESIN dari manual servis yang sesuai untuk melepaskan mesin dari sasis.
PEMASANGAN MESIN SE120R
  1. Sebelum memasang mesin, pastikan tidak ada kotoran atau kontaminan dalam sistem pelumasan. Tangki oli harus dikuras. Pengurasan tangki harus dilakukan oleh dealer resmi atau teknisi yang memenuhi syarat.
  2. Lepaskan penutup/penyumbat saluran oli di mesin ke antarmuka transmisi.
  3. Lihat bagian MESIN pada manual servis yang sesuai untuk pemasangan mesin ke sasis.
  4. Untuk model Softail 2007-2011 (kecuali FXCW dan FXCWC): Pasang Kit Kompensator Kapasitas Tinggi SE (40274-08A, dibeli terpisah) dengan mengikuti petunjuk yang disertakan dalam kit. Untuk model Softail 2012 - yang lebih baru (semua FXCW dan FXCWC): Pasang kompensator peralatan asli dengan mengikuti petunjuk dalam manual servis.
Rangkaian Akhir
6. Pasang tangki bahan bakar. Lihat manual servis.
7. Pasang sekring utama. Lihat manual servis.
8. Pasang jok. Setelah memasang jok, pastikan jok terpasang kencang dengan menariknya ke atas. Lihat manual servis.
PEMBERITAHUAN
Anda harus mengatur ulang kalibrasi ECM saat memasang kit ini. Kelalaian untuk mengatur ulang kalibrasi ECM dengan tepat dapat mengakibatkan kerusakan parah pada mesin. (00399b)
9. Unduh kalibrasi ECM yang baru saat menginstal kit ini. Lihat Katalog Screamin' Eagle Pro atau hubungi dealer Harley-Davidson.
10. Nyalakan dan jalankan mesin. Ulangi beberapa kali guna memastikan mesin beroperasi dengan baik.
PENGOPERASIAN
  1. Lihat ATURAN BERKENDARA SAAT INREYEN pada manual pemilik untuk mengetahui petunjuk dalam melakukan inreyen pada mesin baru.
PEMELIHARAAN
  1. Lihat JADWAL PEMELIHARAAN pada manual servis atau manual pemilik yang sesuai.
  2. Untuk perakitan/pembongkaran mesin, lihat bagian MESIN pada buku petunjuk servis yang sesuai.
SPESIFIKASI MESIN SE120R
CATATAN
Bagian berikut menyediakan informasi unik yang tidak tersedia pada bagian MESIN di manual servis untuk mesin Twin Cam 96 alpha yang sesuai dari platform Touring atau Dyna.
Tabel 2. Mesin: SE Twin Cam 120R
Item
Spesifikasi
Rasio Kompresi
10.5
Lubang silinder
4,060 inci
103,12 mm
Langkah
4,625 inci
117,48 mm
Kapasitas
119,75 inci
1962,39 cc
Sistem pelumasan
Pelumasan kering bertekanan
dengan pendingin oli
Kecepatan mesin berkelanjutan maksimum
6200 RPM
TOLERANSI MANUFAKTUR
Lihat spesifikasi Twin-Cam 96 pada manual servis untuk spesifikasi apa pun yang tidak ditampilkan pada tabel berikut.
Tabel 3. Kepala Silinder
ITEM
INCI.
MM
Pemandu katup di kepala silinder (kencang)
0,0020 - 0,0033
0,051 - 0,084
Dudukan katup isap di kepala silinder (kencang)
0,004 - 0,0055
0,102 - 0,140
Dudukan katup buang di kepala silinder (kencang)
0,004 - 0,0055
0,102 - 0,140
Tabel 4. Katup
ITEM
INCI.
MM
Fit in guide (isap dan buang)
0,0011 - 0,0029
0,028 - 0,074
Lebar sadel
0,034 - 0,062
0,86 - 1,57
Tonjolan batang dari bos kepala silinder
1,990 - 2,024
50,55 - 51,41
Tabel 5. Spesifikasi Pegas Katup
ITEM
TEKANAN
DIMENSI
Tertutup
180 lbs (79 kg)
1,800 inci (45,7 mm)
Membuka
500 lbs (196 kg)
1,177 inci (29,9 mm)
Panjang bebas
n/a
2,210 inci (56,1 mm)
Tabel 6. Piston
Piston:
Jarak bebas (inci)
Muat piston ke silinder (Longgar)
0,0026 - 0,0036
Muat pin piston (longgar)
0,0003 - 0,0008
Celah Ujung Ring Atas
Celah Ujung Ring Kedua
Celah Rel Ring Kontrol Oli
0,012 - 0,020
0,016 - 0,024
0.008-0.0028
Jarak Bebas Samping Ring Atas
Jarak Bebas Samping Ring Kedua
Jarak Bebas Samping Ring Kontrol Oli
0,0010 - 0,0022
0,0010 - 0,0022
0,0003 - 0,0072
Tabel 7. Spesifikasi Cam - SE266E
Intake
Spesifikasi
Buka
24 BTDC
Tutup
58 ABDC
Durasi
262 o
Pengangkatan Katup Maks.
0,658 inci
Bukaan Katup @ TDC
0,208 inci
Exhaust
Spesifikasi
Buka
69 BBDC
Tutup
17 ATDC
Durasi
266 o
Pengangkatan Katup Maks.
0,658 inci
Bukaan Katup @ TDC
0,178 inci
Pemasaan Poros Bubungan @ 0,053" Pengangkatan Tapet dalam Derajat Poros Engkol
BATAS KEAUSAN SERVIS
Batasan keausan dapat digunakan sebagai panduan saat memutuskan apakah akan menggunakan kembali komponen mesin. Ganti komponen bekas apabila batas keausan berikut terlampaui.
CATATAN
Lihat spesifikasi Twin-Cam 96 pada manual servis untuk spesifikasi apa pun yang tidak ditampilkan pada tabel berikut
Tabel 8. Silinder
ITEM
GANTI JIKA KEAUSAN MELEBIHI
INCI.
MM
Ketirusan
0.002
0.051
Tidak bulat sempurna
0.002
0.051
Distorsi gasket atau permukaan O-ring: atas
0.006
0.152
Distorsi gasket atau permukaan O-ring: dasar
0.004
0.102
Tabel 9. Lubang Silinder
ITEM
GANTI JIKA KEAUSAN MELEBIHI
INCI.
MM
Standar
4.062
103.17
0,010 inci besar sekali
4.072
103.43
Tabel 10. Piston
Muat piston ke silinder (Longgar)
Batas Keausan (inci)
Muat dalam silinder (Longgar)
0.0061
Muat Pin Piston (Longgar)
0.0011
Celah Ujung Ring Atas
Celah Ujung Ring Kedua
Celah Rel Ring Kontrol Oli
0.030
0.034
0.038
Jarak Bebas Samping Ring Atas
Jarak Bebas Samping Ring Kedua
Jarak Bebas Samping Ring Kontrol Oli
0.0030
0.0030
0.0079
SILINDER SE120R
1. Tempatkan sepeda motor pada alat pengangkat yang sesuai.
CATATAN
Jika kendaraan dilengkapi Sistem Keamanan Cerdas Harley-Davidson, lihat manual pemilik untuk petunjuk mematikan sistem.
2. Lepaskan sadel berdasarkan petunjuk pada manual servis.
PERINGATAN
Saat menyervis sistem bahan bakar, jangan merokok atau membiarkan nyala api atau bunga api di dekat area servis. Bensin mudah terbakar dan mudah meledak, yang dapat menyebabkan kematian atau cedera parah. (00330a)
3. Lepas sekring utama. Lihat manual servis untuk sepeda motor Anda.
4. Lepas tangki bahan bakar sesuai petunjuk pada manual servis.
Lepas Komponen Mesin
  1. Lihat manual servis untuk melepaskan unit pembersih udara yang ada.
  2. Lepas sistem pembuangan yang ada dengan mengikuti prosedur manual servis.
  3. Bongkar ujung atas mesin. Lihat bagian mesin yang sesuai pada manual servis.
Pasang Komponen Ujung Atas Mesin
CATATAN
Gambar 1 . Gasket dasar silinder (1) 4,060 inci dan gasket kepala silinder (2) menghilangkan kebutuhan akan O-ring. Jangan gunakan O-ring pada dowel silinder atau spigot silinder.
Saat memasang gasket dasar baru (1), pasang sisi yang timbul ke bawah dan sisi cekung ke atas.
1. Lihat manual servis yang sesuai dan rakit mesin dengan perubahan berikut:
a. Rakit ujung atas mesin menggunakan gasket dasar dan gasket kepala yang disediakan dalam kit. Lihat bagian mesin yang sesuai pada manual servis.
1Gasket, dasar silinder
2Gasket, kepala silinder
Gambar 1. Gasket Silinder
Rangkaian Akhir
2. Pasang tangki bahan bakar. Lihat manual servis.
3. Pasang sekring utama. Lihat manual servis.
4. Pasang jok. Setelah memasang jok, pastikan jok terpasang kencang dengan menariknya ke atas. Lihat manual servis.
PISTON SE120R
  1. Lihat bagian MESIN dalam manual servis
PEMASANGAN
PERINGATAN
Untuk mencegah agar kendaraan tidak menyala tiba-tiba, yang dapat menyebabkan kematian atau cedera parah, lepaskan kabel baterai (kabel negatif (-) terlebih dahulu) sebelum melakukan prosedur lainnya. (00307a)
PERINGATAN
Lepas kabel baterai negatif (-) terlebih dahulu. Jika kabel positif (+) bersentuhan dengan arde saat kabel negatif (-) masih tersambung, percikan yang timbul dapat mengakibatkan ledakan baterai, yang dapat menyebabkan kematian atau cedera parah. (00049a)
1. Lihat manual servis dan ikuti instruksi yang diberikan untuk melepas sadel dan memutuskan sambungan kabel baterai, dimulai dengan kabel negatif.
PERINGATAN
Saat menyervis sistem bahan bakar, jangan merokok atau membiarkan nyala api atau bunga api di dekat area servis. Bensin mudah terbakar dan mudah meledak, yang dapat menyebabkan kematian atau cedera parah. (00330a)
2. Lihat bagian MESIN: Bagian MENCOPOTI KOMPONEN SEPEDA MOTOR UNTUK DISERVIS dan PERBAIKAN UJUNG ATAS MESIN, PEMBONGKARAN pada manual servis untuk prosedur pelepasan kepala silinder, silinder, dan piston.
3. Ikuti prosedur di bagian MESIN: SERVIS DAN PERBAIKAN SUBRAKITAN, UJUNG ATAS/SILINDER/ BATANG PENGHUBUNG ATAS pada manual servis untuk pemeriksaan suku cadang.
4. Lihat bagian MESIN: Bagian SERVIS DAN PERBAIKAN SUBRAKITAN, SILINDER dari manual servis untuk instruksi pengeboran dan pengasahan.
CATATAN
Pasang ring atas (berbentuk silinder) dan ring kedua (Napier berbentuk lancip) dengan tanda "N" menghadap ke atas. Rel ring oli dapat dipasang dengan sisi apa pun menghadap ke atas.
Gasket dasar silinder 4.060 inci (10,312 cm) dan gasket kepala silinder yang disertakan dalam kit menghilangkan kebutuhan akan O-ring (11273). Jangan menggunakan O-ring pada dowel silinder atau spigot silinder.
Saat memasang gasket dasar baru, pasang sisi yang timbul ke bawah dan sisi cekung ke atas.
CATATAN
Memeriksa kesesuaian piston dengan silinder pada lokasi ini per tabel 11 hanya untuk referensi.
1Lebar piston
2Area pengukuran
Gambar 2. Pengukuran Piston
5. Lihat Gambar 2 . Ukur lebar piston (1), 90 derajat secara horizontal dari kedua sisi lubang pin piston dan 1,275 inci ke bawah dari permukaan dek (atas) piston (2). Lihat tabel 11 untuk kesesuaian piston ke silinder di lokasi ini.
6. Piston dalam kit ini spesifik untuk bagian depan dan belakang. Pasang piston bertanda "FRONT" (depan) di silinder depan dengan panah mengarah ke depan mesin. Pasang piston bertanda "REAR" (belakang) di silinder belakang dengan panah mengarah ke depan mesin.
7. Lihat bagian MESIN: Bagian PERBAIKAN UJUNG ATAS MESIN, PERAKITAN pada manual servis untuk prosedur pemasangan piston, silinder, dan kepala silinder.
Tabel 11. Spesifikasi
Piston:
Jarak bebas (inci)
Muat piston ke silinder (Longgar)
0,0026 - 0,0036
Muat pin piston (longgar)
0,0003 - 0,0008
Celah Ujung Ring Atas
Celah Ujung Ring Kedua
Celah Rel Ring Kontrol Oli
0,012 - 0,020
0,016 - 0,024
0.008-0.0028
Jarak Bebas Samping Ring Atas
Jarak Bebas Samping Ring Kedua
Jarak Bebas Samping Ring Kontrol Oli
0,0010 - 0,0022
0,0010 - 0,0022
0,0003 - 0,0072
Tabel 12. Batas Keausan Servis
Muat piston ke silinder (Longgar)
Batas Keausan (inci)
Muat dalam silinder (Longgar)
0.0061
Muat Pin Piston (Longgar)
0.0011
Celah Ujung Ring Atas
Celah Ujung Ring Kedua
Celah Rel Ring Kontrol Oli
0.030
0.034
0.038
Jarak Bebas Samping Ring Atas
Jarak Bebas Samping Ring Kedua
Jarak Bebas Samping Ring Kontrol Oli
0.0030
0.0030
0.0079
Pemasangan Ring Penahan Pin Piston (Sirklip)
CATATAN
Celah sirklip harus pada posisi jam 12.00 atau 6.00 saat dipasang.
8. Lihat Gambar 3 . Masukkan ujung terbuka sirklip (1) ke dalam takik (2) pada alur (3) di sekeliling bos pin piston sehingga celah berada pada posisi jam 12.00 atau 6.00 saat dipasang.
1Circlip
2Takik
3Alur
Gambar 3. Circlip dan Piston
1Orientasi ibu jari
2Circlip ditempatkan 85%
Gambar 4. Pemasangan Circlip
9. Lihat Gambar 4 . Posisikan ibu jari Anda (1) seperti yang ditunjukkan, dan tekan kuat hingga sekitar 85% dari sirklip (2) terpasang di alur.
10. Berhati-hatilah agar tidak menggores atau merusak piston, gunakan obeng mata kecil untuk mendorong sirklip ke sisa alur. Ulangi prosedur untuk sirklip yang tersisa.
CATATAN
Pastikan sirklip piston terpasang sepenuhnya, atau KERUSAKAN MESIN AKAN TERJADI.
11. Lihat bagian MESIN: Bagian MERAKIT SEPEDA MOTOR SETELAH PEMBONGKARAN pada manual servis untuk prosedur perakitan ulang akhir.
Gambar 5. Rakitan Piston
Tabel 13. Rakitan Piston
Item
Deskripsi (Jumlah)
1
Piston (depan, standar)
2
Piston (belakang, standar)
3
  • Set cincin, standar (2)
4
  • Pin Piston (2)
5
  • Sirklip (4)
1
Piston (depan, +0,010)
2
Piston (belakang, +0,010)
3
  • Set ring (+0,010) (2)
4
  • Pin Piston (2)
5
  • Sirklip (4)
MENGGANTI/MENYERVIS BATANG TEKAN
1. Baca bagian MESIN dalam manual servis.
CATATAN
Ikuti prosedur manual servis yang sesuai untuk pemasangan dan pelepasan. Batang tekan ditandai Intake (Isap) dan Exhaust (Buang).
Batang tekan memiliki arah. Pastikan ujung batang pendorong yang lebih besar terpasang di soket pengangkat.
1Unit penutup pelatuk klep
2Unit pelat penyangga pelatuk klep
3Batang tekan pengisapan belakang
4Batang tekan pembuangan belakang
Gambar 6. Push Rod
KOMPONEN SERVIS
Gambar 7. Komponen Servis: Perakitan Mesin, SE 120R, Selesai
Tabel 14. Mesin Siap Pakai Untuk Balap SE120R Screamin' Eagle Pro
Item
Deskripsi (Jumlah)
Nomor Komponen
1
Rangkaian mesin, lengkap
19206-13
Gambar 8. Komponen Servis: Mesin Siap Pakai Untuk Balap SE120R Screamin' Eagle Pro
Tabel 15. Komponen Servis: Mesin Siap Pakai Untuk Balap SE120R Screamin' Eagle Pro
Item
Deskripsi (Jumlah)
Nomor Komponen
1
Gasket dasar, silinder (2)
16736-04
2
Kit silinder SE, 4,060 inci, (hitam) (termasuk item 1, 3, 4, 1105, dan 1086A)
16550-04C
3
Pena penetap, ring (4)
16595-99A
4
Gasket, kepala silinder (2)
16104-04
5
Stud, silinder (8)
16834-99A
6
Kit gasket, perbaikan mesin (tidak termasuk gasket kepala silinder, gasket dasar, atau segel batang katup) (Tidak Ditampilkan)
17053-99C
7
Kit gasket, ujung atas mesin (tidak termasuk gasket kepala silinder, gasket dasar, atau segel batang katup) (Tidak Ditampilkan)
17052-99C
Gambar 9. Komponen Servis: Mesin Siap Pakai Untuk Balap SE120R Screamin' Eagle Pro
Tabel 16. Komponen Servis: Mesin Siap Pakai Untuk Balap SE120R Screamin' Eagle Pro
Item
Deskripsi (Jumlah)
Nomor Komponen
1
Rakitan kepala silinder, belakang (termasuk item 2 hingga 13)
17444-10
Rakitan kepala silinder, depan (termasuk item 2 hingga 13)
17444-10
2
  • Kepala silinder (dibubut, terpasang item B, C, D, dan E)
Tidak Dijual Terpisah
3
  • Collar, pegas katup, bagian atas (4)
Lihat Kit Servis
4
  • Collar, pegas katup, bagian bawah (4)
Lihat Kit Servis
5
  • Baut stud, port knalpot (4)
16715-83
6
  • Katup isap (2)
18190-08
7
  • Katup buang (2)
18183-03
8
  • Segel, katup (4)
18046-98
9
  • Unit pegas katup (4)
Lihat Kit Servis
10
  • Penahan, kerah katup (8). Juga disertakan dalam Kit 18281-02A
18240-98
11
  • Sumbat pelepasan kompresi otomatis (2)
16648-08
12
Medalion, "120R" (2)
17136-10
13
Sekrup, kepala kancing TORX (4)
25800017
14
Sekrup, ulir internal, 3-3/16 inci (4)
16478-85A
15
Sekrup, ulir internal, 1-7/8 inci (4)
16480-92A
16
Busi (tidak ditampilkan) (2)
32186-10
Kit Servis:
A
Kit Pegas Katup, Screamin 'Eagle
18281-02A
Komponen Screamin' Eagle berikut tersedia secara terpisah:
B
Dudukan katup, pengisapan
18191-08
C
Dudukan katup, pembuangan
18048-98A
D
Pemandu katup, pengisapan (untuk servis)
  • (+ 0,003 inci)
18158-05
  • (+ 0,002 inci)
18156-05
  • (+ 0,001 inci)
18154-05
E
Pemandu katup, pembuangan (untuk servis)
  • (+ 0,003 inci)
18157-05
  • (+ 0,002 inci)
18155-05
  • (+ 0,001 inci)
18153-05
Gambar 10. Komponen Servis: Mesin Siap Pakai Untuk Balap SE120R Screamin' Eagle Pro
Tabel 17. Komponen Servis: Mesin Siap Pakai Untuk Balap SE120R Screamin' Eagle Pro
Item
Deskripsi (Jumlah)
Nomor Komponen
1
Sekrup 5/16-18 X 2-1/2 kepala flensa heks (Kelas 8) (8)
1039
2
Sekrup 5/16-18 X 1.0 kepala heks, dengan pelat kunci (6)
3692A
3
Sekrup 5/16-18 X 1-3/4 kepala heks, dengan pelat kunci (10)
3693A
4
Sekrup 5/16-18 X 1-1/4 kepala flensa heks, dengan pelat kunci (8)
3736B
5
Sekrup 1/4-20 flensa heks X 1-11/16 kepala heks, dengan pelat kunci, (Kelas 8) (4)
4400
6
Sekrup 1/4-20 X 1 kepala soket, dengan pelat kunci (8)
4741A
7
Cincin 11/16 X 29/32 X 1/32 (4)
6762B
8
O-ring, penutup batang tekan (4)
11132A
9
O-ring, penutup batang tekan (4)
11145A
10
Cincin-O (2)
11270
11
Cincin-O (4)
11293
12
Gasket, rumah pelatuk klep (2)
16719-99B
13
Kit gasket, servis bubungan
17045-99D
14
Pelatuk klep, pengisapan depan, pembuangan belakang, dengan bushing (2)
17360-83A
15
Pelatuk klep, pengisapan belakang, pembuangan depan, dengan bushing (2)
17375-83A
16
Gasket, penutup pelatuk klep (2)
17386-99A
17
Bushing, pelatuk klep (8)
17428-57
18
Penutup pelatuk klep, (krom) (2)
17572-99
19
Rumah pelatuk klep, (krom) (2)
17578-10
20
Penutup pengangkat, depan (krom)
Penutup pengangkat, belakang (krom)
17964-99
17966-99
21
Penyangga, pelatuk klep (2)
17594-99
22
Kit perakitan pengudara, (2)
17025-03A
23
Poros, pelatuk klep (4)
17611-83
24
Kit batang tekan Perfect Fit (+0,030 inci)
18401-03
25
Penutup, batang tekan, bagian bawah (4)
17939-99
26
Tutup, pegas penutup (4)
17945-36B
27
Pegas, penutup batang tekan (4)
17947-36
28
Penutup, bagian atas batang tekan (4)
17948-99
29
Penahan, tutup pegas (4)
17968-99
30
Pin, antirotasi (2)
18535-99
31
Pengangkat hidrolik (4)
17900022
32
Gasket, penutup pengangkat (2)
18635-99B
33
Rakitan sekat, pengudara (2)
26500002
Gambar 11. Komponen Servis; Mesin Siap Pakai Untuk Balap SE120R Screamin' Eagle Pro
Tabel 18. Komponen Servis: Mesin Siap Pakai Untuk Balap SE120R Screamin' Eagle Pro
Item
Deskripsi (Jumlah)
Nomor Komponen
1
Cincin penahan
11177A
2
Set ring piston, standar (2)
Set ring piston, 0,010 inci lebih besar dari ukuran (2)
22526-10
22529-10
3
Kit piston, depan dan belakang, dengan set ring, pin piston dan ring kunci, standar
Kit piston, depan dan belakang, dengan set ring, pin piston, dan ring kunci, 0,010 inci lebih besar dari ukuran
22574-10
22576-10
4
Ring kunci, pin piston (4)
22097-99
5
Pin Piston (2)
22310-10
6
Kit unit roda gila
24100013
Gambar 12. Komponen Servis: Mesin Siap Pakai Untuk Balap SE120R Screamin' Eagle Pro
Tabel 19. Komponen Servis: Mesin Siap Pakai Untuk Balap SE120R Screamin' Eagle Pro
Item
Deskripsi (Jumlah)
Nomor Komponen
1
Sumbat (3)
765
2
2a
2b
Sekrup, 5/16-18 x 3,0 inci, kepala flensa heks, (11)
Sekrup, kotak engkol tengah atas
Cincin Pengunci, penyegel
895
1105
1086A
3
Cincin 1-1/4 x 1-53/64 x 1/8 (2)
8972
4
Kit bantalan jarum, poros bubungan (2) (Kit mencakup 2)
24018-10
5
Cincin-O (2)
10930
6
Segel oli
12068
7
Pin dowel (2)
16574-99A
8
Pin dowel (2)
16589-99A
9
Pin dowel (4)
16595-99A
10
Jet pendingin piston, dengan 10930 (2)
22315-06A
11
Kit bantalan, sisi kiri dengan 8972, 24605-07, 35114-02, dan bantalan bagian dalam
24004-03B
12
Penjarak, poros sproket
24009-06
13
Set bak mesin, (hitam) dengan bantalan, jet pendingin, dan baut tembus termasuk baut 21
24400001
14
Spacer (4)
24603-00
15
Bantalan, utama (2)
24605-07
16
Adaptor, filter oli
26352-95A
17
Cincin penahan
35114-02
18
Filter oli (krom)
63798-99A
19
Sekrup, kepala TORX®, 8-32 x 3/8 (4)
68042-99
20
Sekrup, kepala kancingTORX®, penahan bantalan, 1/4 - 20 x 7/16 inci (2)
703B
Gambar 13. Komponen Servis: Mesin Siap Pakai Untuk Balap SE120R Screamin' Eagle Pro
Tabel 20. Tabel Komponen Servis
Item
Deskripsi (Jumlah)
Nomor Komponen
1
Sekrup (2)
703B
2
Sekrup (6)
956
3
Baut, baut transmisi penyeimbang (2)
3110
4
Cincin, baut transmisi penyeimbang (2)
6456
5
Rangka bantalan (2)
8959
6
Bantalan, (2)
8992A
7
Rakitan pendukung, pemandu rantai, termasuk piston penegang
14728-07
8
Kit penggerak pemandu, dengan 14769-00, sproket depan dan belakang
14761-00
9
Kit pemandu, penegang rantai, termasuk pemandu depan dan belakang yang lebih rendah
14762-00
10
Kit perakitan piston, penegang rantai (2)
14764-00
11
Rantai, penggerak penyeimbang
14769-00
12
Spacer, tebal 0,039
14784-07
13
Kit poros penyeimbang, dengan 8959, 8992A dan poros penyeimbang (2)
14789-07
14
Bushing, dowel (2)
16583-00A
15
Cincin penahan, bantalan transmisi penyeimbang (2)
35240-07
16
Segel, interkoneksi oli
45359-00
Gambar 14. Komponen Servis: Mesin Siap Pakai Untuk Balap SE120R Screamin' Eagle Pro
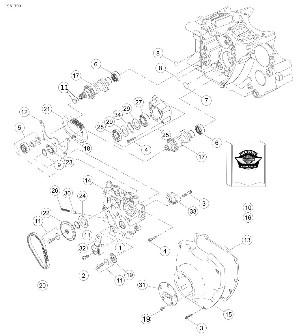
Tabel 21. Komponen Servis: Mesin Siap Pakai Untuk Balap SE120R Screamin' Eagle Pro
Item
Deskripsi (Jumlah)
Nomor Komponen
1
Pin rol
601
2
Sekrup, penegang rantai bubungan primer (2)
942
3
Sekrup, penutup bubungan, 1/4-20 x 1-1/4, menonjol dengan lockpatch (tingkat 8), (10)
Sekrup, penegang bubungan sekunder, 1/4-20 x 1-1/4, tonjolan dengan pelat kunci (tingkat 8), (2)
4740A
4740A
4
Sekrup,1/4-20 X 1, kepala soket, dengan pelat kunci (8)
4741A
5
Rakitan bantalan dengan bantalan, inner race, ring dan O-ring
8983
6
Kit bantalan jarum, poros bubungan (2) (Kit mencakup 2)
24018-10
7
Cincin-O
11293
8
Cincin-O (2)
11301
9
Cincin penahan
11494
10
Kit gasket, servis bubungan
17045-99D
11
Kit penahan sproket penggerak cam, sekrup, dan ring
91800088
12
Pelat, penahan bantalan
1200018
13
Gasket, penutup cam
25244-99A
14
Pelat penyangga bubungan, dengan katup pintas
25400018
15
Penutup bubungan, (krom)
25369-01B
16
Kit rantai dan pengencang poros bubungan, dengan 91800088, 25673-06, 25675-06 dan 25728-06
25585-06
17
Poros bubungan, kit depan dan belakang, SE266E
25400029
18
Sekrup, kepala TORX® 8-32 x 3/8 (9)
68042-99
19
Sproket, penggerak bubungan pada poros engkol, 17 T
25673-06
20
Rantai, penggerak bubungan primer
25675-06
21
Rantai, penggerak bubungan sekunder
25607-99
22
Sproket, penggerak bubungan, 34 T
25728-06
23
Bantalan bola
8990A
24
Spacer, penyelarasan sproket penggerak bubungan, tebal 0,287 inci
Spacer, penyelarasan sproket penggerak bubungan, tebal 0,297 inci
Spacer, penyelarasan sproket penggerak bubungan, tebal 0,307 inci
Spacer, penyelarasan sproket penggerak bubungan, tebal 0,317 inci
Spacer, penyelarasan sproket penggerak bubungan, tebal 0,327 inci
Spacer, penyelarasan sproket penggerak bubungan, tebal 0,337 inci
Spacer, penyelarasan sproket penggerak bubungan, tebal 0,347 inci
Spacer, penyelarasan sproket penggerak bubungan, tebal 0,357 inci
25722-00
25723-00
25721-00
25719-00
25717-00
25725-00
11889
11890
25
Rakitan pompa oli, dengan item 27-29, 34 dan bodi
62400001
26
Pegas, katup pelepas
26210-99
27
Rakitan gerotor, pengumpul
Tidak Dijual Terpisah
28
Rakitan gerotor, tekanan
Tidak Dijual Terpisah
29
Pelat pemisah, gerotor (2)
Tidak Dijual Terpisah
30
Katup pelepas, pompa oli
26400-82B
31
Penutup, 120R
25495-10
32
Penegang rantai, rantai penggerak bubungan primer
39968-06
33
Penegang rantai, rantai penggerak bubungan sekunder
39969-06
34
Pegas, separator
40323-00