KIPAS COOLFLOW
941004682025-10-06
INFORMASI UMUM
Tabel 1. Informasi Umum
Kit
Alat-alat yang Disarankan
Level Keahlian(1)
26800242
Kacamata Pelindung, Kunci Torsi, Digital Technician II (DT II)
(1) Pemasangan harus dilakukan oleh dealer dan DTII
ISI KIT
Gambar 1. Isi Kit: Kipas CoolFlow
Tabel 2. Isi Kit: Kipas CoolFlow
Pastikan semua isi kit lengkap sebelum memasang atau melepaskan item dari kendaraan.
Item
Jumlah
Deskripsi
No. Komponen
Catatan
1
2
Sekrup
4365
2
2
Cincin pengunci
7036
3
4
Cincin pengunci datar
6703
4
2
Klip penahan, push-on
12200333
5
1
Unit kipas
Tidak dijual terpisah
6
1
Harnes kabel
69203452
7
1
Penutup, saluran oli
62700220
8
2
Pengikat kabel, ditambatkan
10287
9
2
Tali strap kabel
10006
10
2
Klip
10120
UMUM
Lembar instruksi juga tersedia secara elektronik. Untuk memverifikasi bahwa Anda menggunakan versi terkini yang tersedia, lakukan salah satu hal berikut:
CATATAN
Lembar instruksi ini mungkin berisi Video Tambahan untuk membantu pemasang dengan penjelasan bagian tertentu dari rakitan. Tautan ke video akan ditempatkan di akhir lembar instruksi ini.
Model
Untuk informasi kesesuaian model, baca Katalog Retail Komponen dan Aksesori (P&A) atau bagian Komponen dan Aksesori dari www.harley-davidson.com .
Hubungi Pusat Dukungan Pelanggan Harley-Davidson di 1-800-258-2464 (khusus AS) atau 1-414-343-4056.
Persyaratan Pemasangan
PERINGATAN
Keselamatan pengendara dan penumpang bergantung pada pemasangan kit yang benar. Gunakan prosedur manual servis yang benar. Jika Anda tidak mampu menjalankan prosedur ini atau tidak memiliki alat yang tepat, mintalah dealer Harley-Davidson untuk melakukan pemasangan. Pemasangan yang salah terkait perangkat ini dapat menyebabkan kematian atau cedera parah. (00333b)
PERINGATAN
Saat memasang setiap aksesori kelistrikan, pastikan tidak melebihi nilai ampere maksimum pada sekring agar dapat melindungi sirkuit yang sedang diperbaiki. Jika menggunakan ampere maksimum di luar batas yang ditetapkan, kegagalan kelistrikan akan terjadi, yang dapat mengakibatkan kematian atau cedera parah. (00310a)
PERINGATAN
Untuk mencegah starter kendaraan tiba-tiba, yang dapat menyebabkan kematian atau cedera parah, lepas sekring utama sebelum melakukan pemasangan lampu depan. (00251b)
CATATAN
Lembar instruksi ini merujuk pada informasi manual servis. Manual servis tahun sepeda motor dan model sepeda motor dibutuhkan untuk pemasangan ini dan tersedia dari:
  • Dealer Harley-Davidson.
  • Portal Informasi Layanan H-D, akses berbasis langganan untuk sebagian besar model mulai tahun 2001 dan yang lebih baru. Lihat Pertanyaan Umum tentang Berlangganan untuk informasi lebih lanjut.
Item-item ini tersedia di dealer Harley Davidson setempat.
Kendaraan Berpendingin Tengah:
  • Diperlukan pembelian terpisah dari Kabel Jumper Listrik 12 Arah ke 4 Arah (Nomor Komponen 69203486).
Road King/Spesial 2017 dan yang lebih baru
  • Diperlukan pembelian terpisah Sakelar Dwiarah (No. Komponen 71400122).
  • Diperlukan pembelian Label Sakelar terpisah (No. Komponen 14001100).
  • Diperlukan pembelian terpisah Mur Sakelar Dwiarah (No. Komponen 74408-08A).
  • Diperlukan pembelian terpisah dari Harnes "Y" (No. Komponen 69201706), jika beberapa aksesori sedang dipasang.
Model Trike 2017 dan yang lebih baru:
  • Diperlukan pembelian terpisah dari Harnes "Y" (No. Komponen 69201706), jika beberapa aksesori sedang dipasang.
2017-2024: Kendaraan TANPA Pendingin Tengah dengan Fairing Permanen dan Pemasangan Garpu
  • Diperlukan pembelian terpisah Sakelar Kipas Sesaat (No. Komponen 71400121).
  • Diperlukan pembelian terpisah Sakelar Panel Dasbor (69200173A).
  • Diperlukan pembelian terpisah dari dua Steker Dumi Panel Dasbor (Nomor Komponen 71400031).
  • Diperlukan pembelian terpisah dari Harnes "Y" (No. Komponen 69201706), jika beberapa aksesori sedang dipasang.
2017-2024: Semua Kendaraan Tanpa Pendingin Tengah
  • Diperlukan pembelian terpisah dari Harnes Kabel Jumper (No. Komponen 69203453).
PERSIAPAN
1. Lepas jok. Lihat manual servis.
2. Lepas tas sadel sisi kiri dan kanan. Lihat manual servis.
3. Lepas penutup samping kiri dan kanan. Lihat manual servis.
4. Lepas sekring utama. Lihat manual servis.
5. Lepas caddy atas. Lihat manual servis.
6. Lepas baterai. Lihat manual servis.
CATATAN
  • Ketika diposisikan ulang, penutup kabel busi kanan (3) pada paket koil harus menghadap ke arah sisi kiri kendaraan.
  • Lihat Gambar 7. Ada lubang dalam rangka untuk mendukung penggunaan pengikat kabel pohon Natal (12) untuk membantu mengarahkan harnes kabel atau mengamankan kabel busi.
  • Ketika mengarahkan kabel busi (2) pastikan ada cukup jarak bebas antara rangka dan rakitan mesin.
7. Kendaraan TANPA Pendingin Tengah: Lihat Gambar 7. Atur penempatan boot kabel busi sisi kanan.
a. Lepaskan pengikat kabel dari kabel dan rangka.
b. Putar penutup busi atas (3) ke arah sisi kiri kendaraan.
c. Putar penutup busi bawah (3) ke arah sisi kiri kendaraan.
d. Rutekan kabel. Pasang pengikat kabel (2) jika diperlukan.
PASANG
1. Lihat Gambar 2. Temukan lubang pemasangan (1) di sisi kanan balok lintang rangka.
1Lubang pemasangan (2)
Gambar 2. Balok Lintang Rangka
2. Lihat Gambar 3. Pasang rakitan Kipas CoolFlow.
a. Dari dalam area baki baterai, pasang sekrup (6), ring pengunci (5), dan ring pipih (4) melalui balok lintang rangka (7).
b. Dari area powertrain, pasang ring pipih (3) dan klip penahan (2).
c. Ulangi pemasangan perangkat keras di lubang pemasangan lainnya.
d. Posisikan rakitan kipas (1) ke balok lintang rangka (7).
e. Pasang sekrup (6) ke kipas (1). Kencangkan.
Torque: 16 N·m (12 ft-lbs)
1Kipas
2Klip penahan (2)
3Cincin pengunci datar (2)
4Cincin pengunci datar (2)
5Cincin pengunci (2)
6Sekrup (2)
7Balok lintang rangka
Gambar 3. Pasang Kipas ke Balok Lintang
Kendaraan Berpendingin Tengah
CATATAN
Pasang Harness "Y" opsional (No. Komponen 69201706) jika lebih dari satu aksesori harus dihubungkan antara konektor P&A kendaraan dan konektor harnes relai kipas.
1. Pasang Kabel Harnes (No. Komponen 69203486). Lihat Persyaratan Pemasangan.
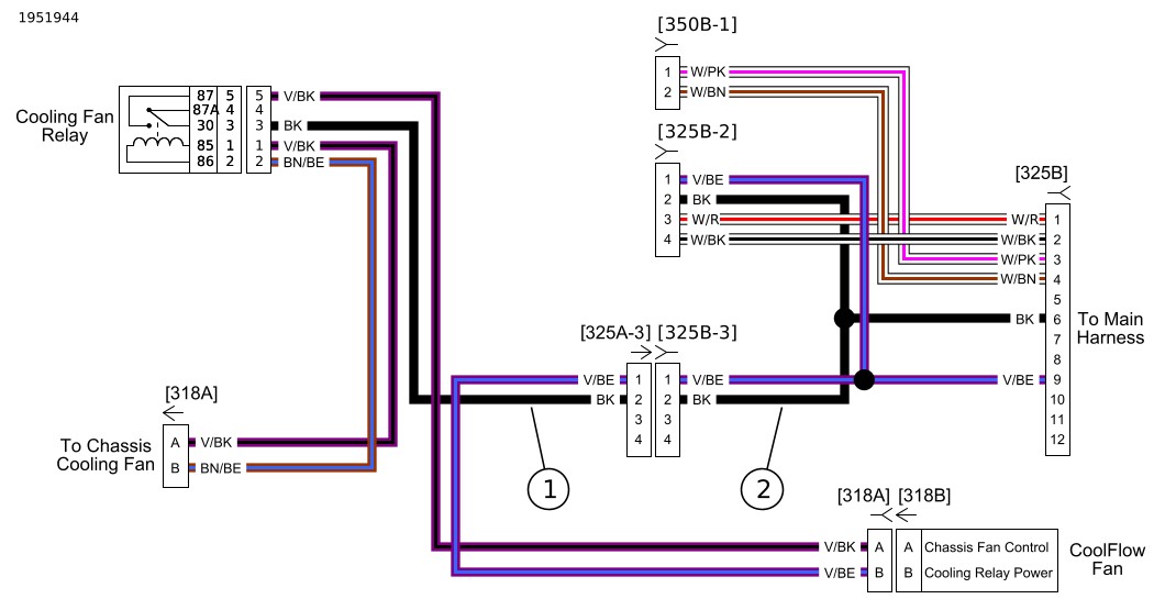
a. Lihat Gambar 6. Temukan P&A 12 arah [325A] (1) di bawah sadel dan lepaskan sumbat tutup.
b. Lihat Gambar 5. Hubungkan Harnes Jumper (No. Komponen 69203486) 12 Arah [325B] ke P&A kendaraan [325A].
c. Rutekan dua abu-abu 4 arah [325B-2] dan [325B-3] di bawah area penutup sisi kanan.
d. Lepas sumbat tutup bertanda merah [325B-3]
1Kipas pendingin [318]
Gambar 4. Konektor Kipas untuk Kendaraan Berpendingin Tengah
1Kabel harnes 69203452
2Harnes jumper 69203486
Gambar 5. Skema Kabel untuk Kendaraan Berpendingin Tengah
1PNA [325A]
Gambar 6. Konektor PNA Kendaraan untuk Kendaraan Berpendingin Tengah
Kendaraan TANPA Pendingin Tengah
1. Lihat Gambar 8. Pasang penutup selang saluran oli belakang.
CATATAN
Pasang Harness "Y" opsional (No. Komponen 69201706) jika lebih dari satu aksesori harus dihubungkan antara konektor P&A kendaraan dan konektor harnes relai kipas.
a. Posisikan kabel busi, jika diperlukan.
b. Lepaskan klem pegas selang saluran oli atas (1) dan hanya lepaskan selang saluran oli atas dari kepala.
c. Lepaskan klem pegas selang saluran oli (1) dari selang.
d. Sisipkan penutup di atas selang saluran oli belakang (2). Posisikan penutup 1 inci (25,4 mm) dari klem pegas atas pada selang saluran oli belakang.
e. Pasang klem pegas ke selang saluran oli dan pasang selang saluran oli ke kepala.
f. Saat klem pegas longgar, putar selang untuk mendapatkan jarak bebas maksimum antara rumahan kipas dan penutup selang saluran oli (3).
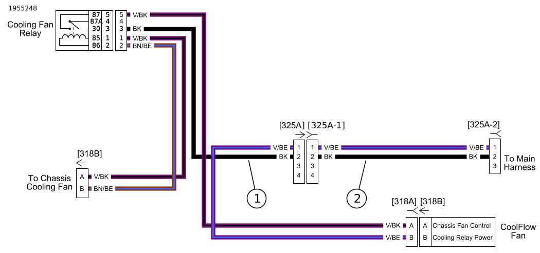
2. Hubungkan Harnes Kabel kit (No. Komponen 69203452) ke Harnes Jumper (No. Komponen 69203453).
a. Lihat Gambar 10. Temukan P&A 3 arah [325B] (1) di bawah penutup sisi kanan dan putuskan sambungan.
b. Lihat Gambar 9. Hubungkan Harnes Jumper (No. Komponen 69203453) 3 arah [325A-2] ke P&A kendaraan [325B].
c. Lihat Gambar 4. Temukan kipas pendingin sasis [318].
d. Lihat Gambar 5. Hubungkan [318B] ke [318A].
e. Hubungkan 4-pin abu-abu [325A-3] ke [325B-3].
f. Hubungkan 2-pin [318C] ke Kipas CoolFlow [318D].
g. Kencangkan harnes dengan pengikat kabel yang disediakan di area antara kotak baterai dan rangka.
1Kipas pendingin [318]
2Tali strap kabel
3Penutup kabel busi
Gambar 7. Konektor Kipas untuk Kendaraan TANPA Pendingin Tengah
1Klem pegas
2Penutup saluran oli
3Jarak Bebas
Gambar 8. Penutup Saluran Oli Belakang
1Kabel harnes 69203452
2Harnes jumper 69203453
Gambar 9. Skema Kabel untuk Kendaraan TANPA Pendingin Tengah
1PNA [325B]
Gambar 10. Konektor PNA Kendaraan untuk Kendaraan TANPA Pendingin Tengah
Sakelar untuk Model Non-Fairing
1. Pasang sakelar dwiarah. Lihat Persyaratan Pemasangan.
a. Lepas sumbat dari nasel lampu depan.
b. Lepas sisi belakang perekat dari label sakelar (2).
c. Pasang label sakelar (2) dengan ikon kipas yang terletak di bagian atas.
d. Pasang sakelar dwiarah (1) dan mur (3).
e. Sambungkan kabel, yang terletak di bawah nasel lampu depan, untuk menyalakan.
2. FLRT: Konektor [205] terletak di bawah tangki bahan bakar di caddy kabel.
1Sakelar pengalih
2Ganti label
3Mur sakelar dwiarah
Gambar 11. Lokasi Sakelar Tanpa Fairing
Sakelar untuk Model Permanen dan Terpasang di Garpu
1. Pasang sakelar kipas. Lihat Persyaratan Pemasangan.
a. Jika dilengkapi, lepaskan sumbat lubang kiri dan buang. Lihat manual servis.
b. Jika sudah terpasang, lepas modul sakelar kiri. Lihat manual servis.
c. Pasang sakelar kipas di lokasi paling kanan pada modul sakelar.
d. Tambahkan sakelar kosong di modul sakelar, sesuai kebutuhan.
2. Pasang modul sakelar. Lihat manual servis.
KONFIGURASI
Kendaraan Berpendingin Tengah
1. Konfigurasikan menggunakan Unit Kontrol Infotainment (IFCU):
a. Mengatur kendaraan dalam mode Aksesori. Lihat manual pemilik.
b. Arahkan ke Pengaturan Sistem > Pengaturan Fungsi kendaraan.
c. Aktifkan Kipas CoolFlow.
d. Matikan kendaraan dan tunggu satu menit.
e. Ubah kendaraan ke mode IGN atau Aksesori. Lihat manual pemilik.
f. Buka fungsi kendaraan (1) dari Modul Kontrol Tangan Kiri (LHCM).
g. Nyalakan/matikan Kipas CoolFlow, lampu harus sesuai dengan indikasi fungsi kendaraan.
1Menu utama/fungsi sepeda motor
Gambar 12. Fungsi Kendaraan
Kendaraan TANPA Pendingin Tengah
1. Aktifkan kipas menggunakan DT II

Special Tool: DIGITAL TECHNICIAN II (HD-48650)

PENGOPERASIAN
1. Pengaturan ON:
a. Kipas ON ketika mesin hidup.
b. Kipas OFF ketika mesin tidak hidup.
2. Pengaturan OTOMATIS: Kipas beroperasi berdasarkan kombinasi kecepatan kendaraan, suhu mesin, dan suhu udara sekitar.
a. Kipas berjalan pada kecepatan di bawah 64 km/h (40 mph) ketika suhu mesin di atas 35 °C (95 °F) dan suhu udara sekitar di atas 15 °C (59 °F).
b. Kipas berjalan pada kecepatan di bawah 64 km/h (40 mph) ketika suhu mesin di atas 215 °C (419 °F) dan suhu udara sekitar di bawah 15 °C (59 °F).
c. Kipas mati jika kecepatan kendaraan melebihi 72 km/h (45 mph) atau jika suhu mesin di bawah suhu ini 202 °C (395 °F).
SELESAI
1. Pasang baterai. Lihat manual servis.
2. Pasang caddy atas. Lihat manual servis.
3. Pasang sekring utama. Lihat manual servis.
4. Pasang penutup sisi kiri dan kanan. Lihat manual servis.
5. Pasang tas sadel sisi kiri dan kanan. Lihat manual servis.
6. Pasang jok. Setelah memasang jok, pastikan jok terpasang kencang dengan menariknya ke atas. Lihat manual servis.